GM Service Manual Online
For 1990-2009 cars only
Makes
🢒
Cadillac
🢒
2000
🢒
DeVille
🢒
Body and Accessories
🢒
Body Rear End
🢒 Release Systems Schematics
Figure
1:
Release Systems -- IPM Module and Release Switch
Body Rear End Components
Rear Compartment Lid Release Circuit Description
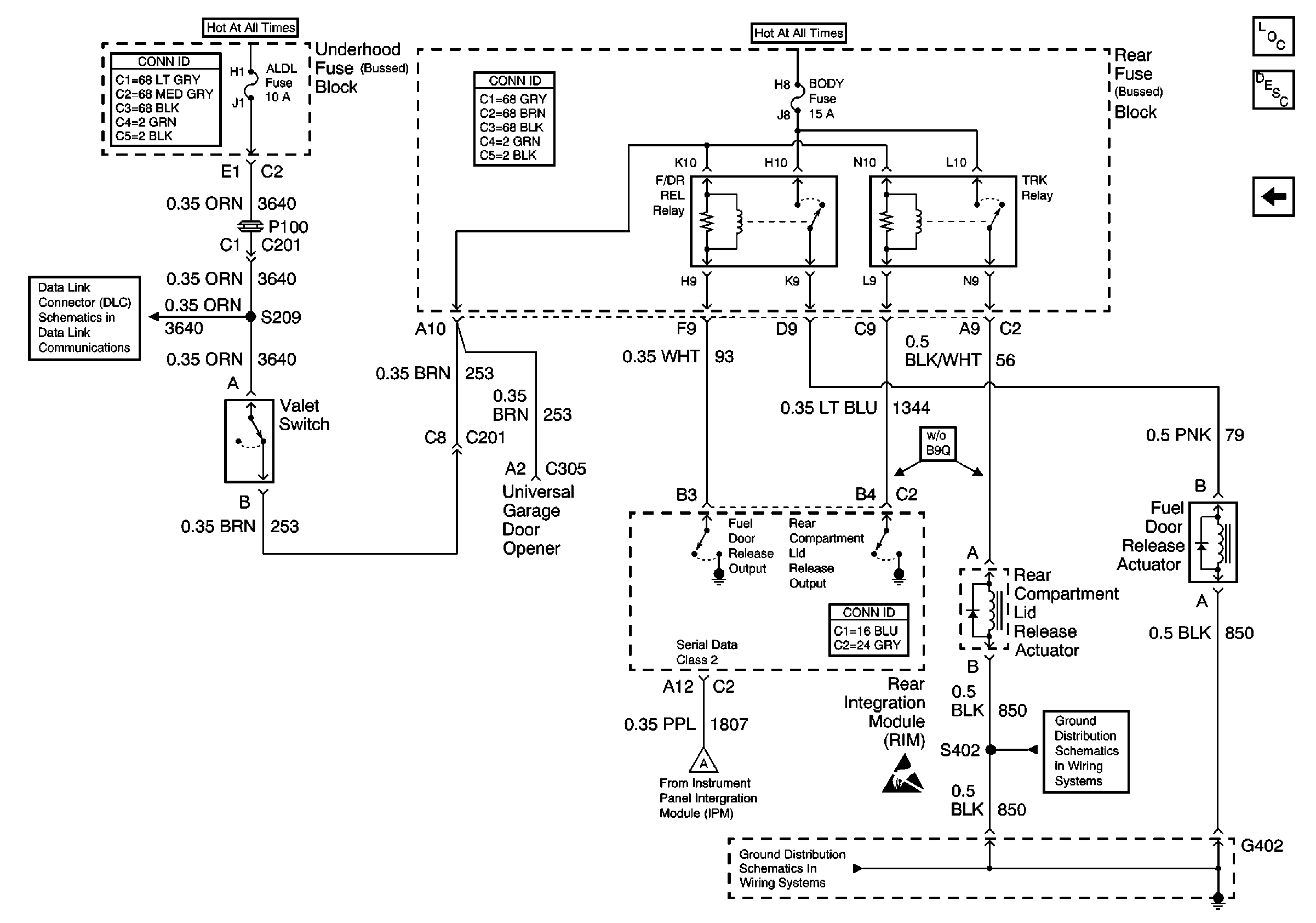
Fuse Blocks, Actuators, and Rear Integration Module (RIM)
Fuse Blocks, Actuators, and Rear Integration Module (RIM)
Handling ESD Sensitive Parts Notice
Data Link Connector Schematics
G201 - Steering Column CKT 451
G201 - Steering Column CKT 451
Figure
2:
Fuse Blocks, Actuators, and Rear Integration Module (RIM)
Body Rear End Components
Rear Compartment Lid Release Circuit Description
Release Systems - IPM Module and Release Switch
Release Systems - IPM Module and Release Switch
Handling ESD Sensitive Parts Notice
Power and Ground
G402 - Backup Lamps
G402 - Backup Lamps