GM Service Manual Online
For 1990-2009 cars only
Makes
🢒
Cadillac
🢒
2000
🢒
DeVille
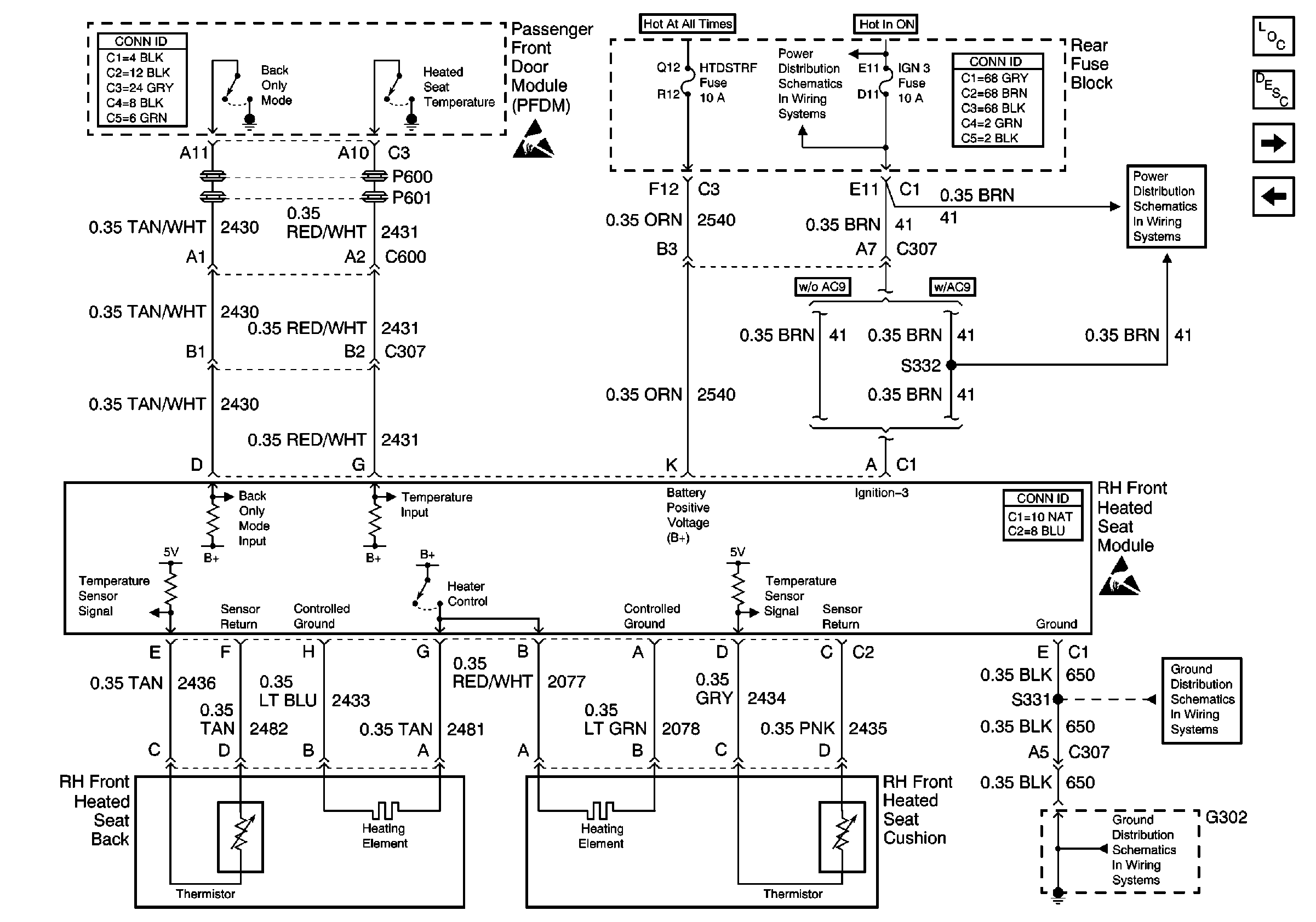
🢒 RH Front Heated Seats (Partial)
RH Front Heated Seats (Partial)
RH Front Heated Seats (Partial)
Power Seat Systems Components
Heated Seats Circuit Description
LH Rear Heated Seats (Partial)
RH Front Heated Seats (Partial)
Handling ESD Sensitive Parts Notice
IGN 3 Fuse
IGN 3 Fuse
Handling ESD Sensitive Parts Notice
G302 - RH Front Seat
G302 - RH Front Seat