GM Service Manual Online
For 1990-2009 cars only
Makes
🢒
Cadillac
🢒
2000
🢒
DeVille
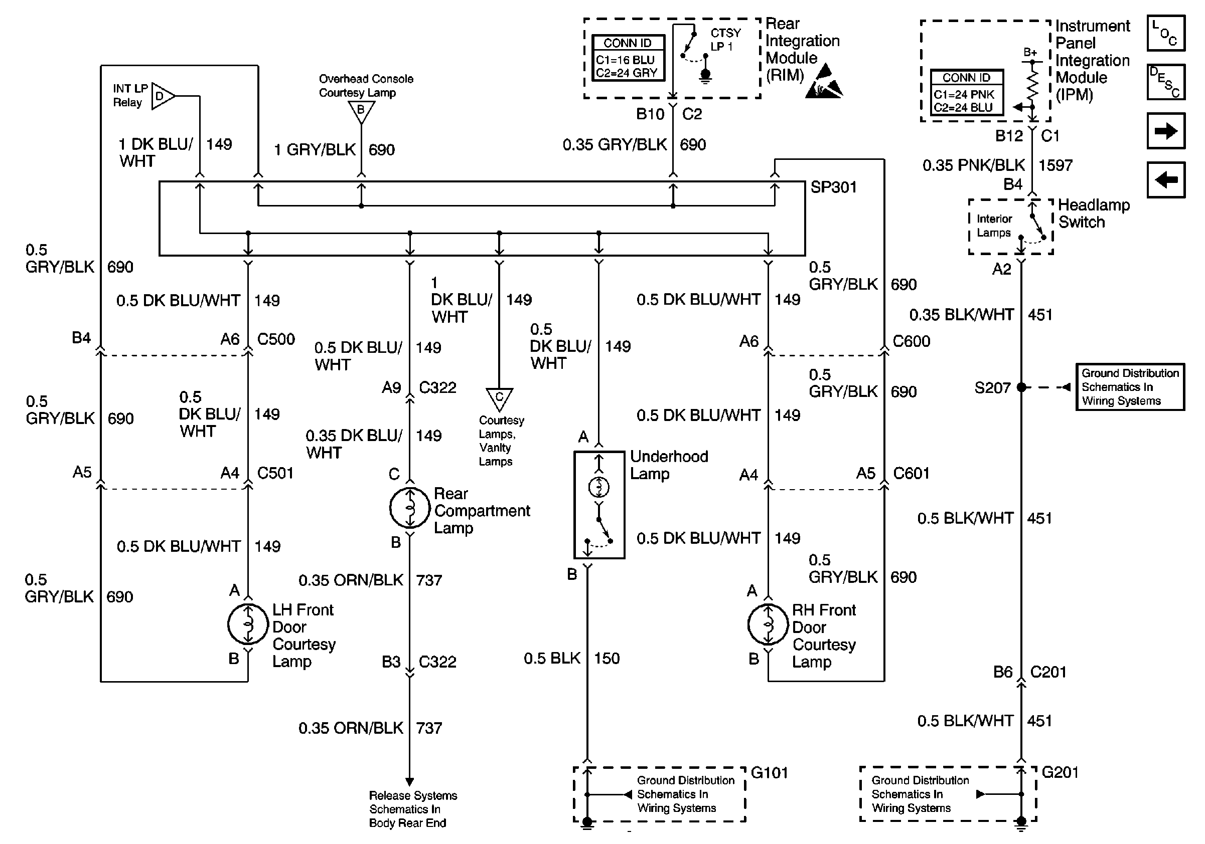
🢒 Front Door Courtesy Lamps, Rear Compartment, and Underhood Lamps
Front Door Courtesy Lamps, Rear Compartment, and Underhood Lamps
Front Door Courtesy Lamps, Rear Compartment, and Underhood Lamps
Lighting Systems Components
Interior Lights Circuit Description
Overhead Console, Vanity, and Courtesy Lamps
Interior Lamp Relay and Rear Door Courtesy Lamps
G201 - Steering Column CKT 451
G101
Overhead Console, Vanity, and Courtesy Lamps
Overhead Console, Vanity, and Courtesy Lamps
Interior Lamp Relay and Rear Door Courtesy Lamps
Handling ESD Sensitive Parts Notice