GM Service Manual Online
For 1990-2009 cars only
Makes
🢒
Cadillac
🢒
2000
🢒
DeVille
🢒 Power Mirrors
Power Mirrors
Power Mirrors
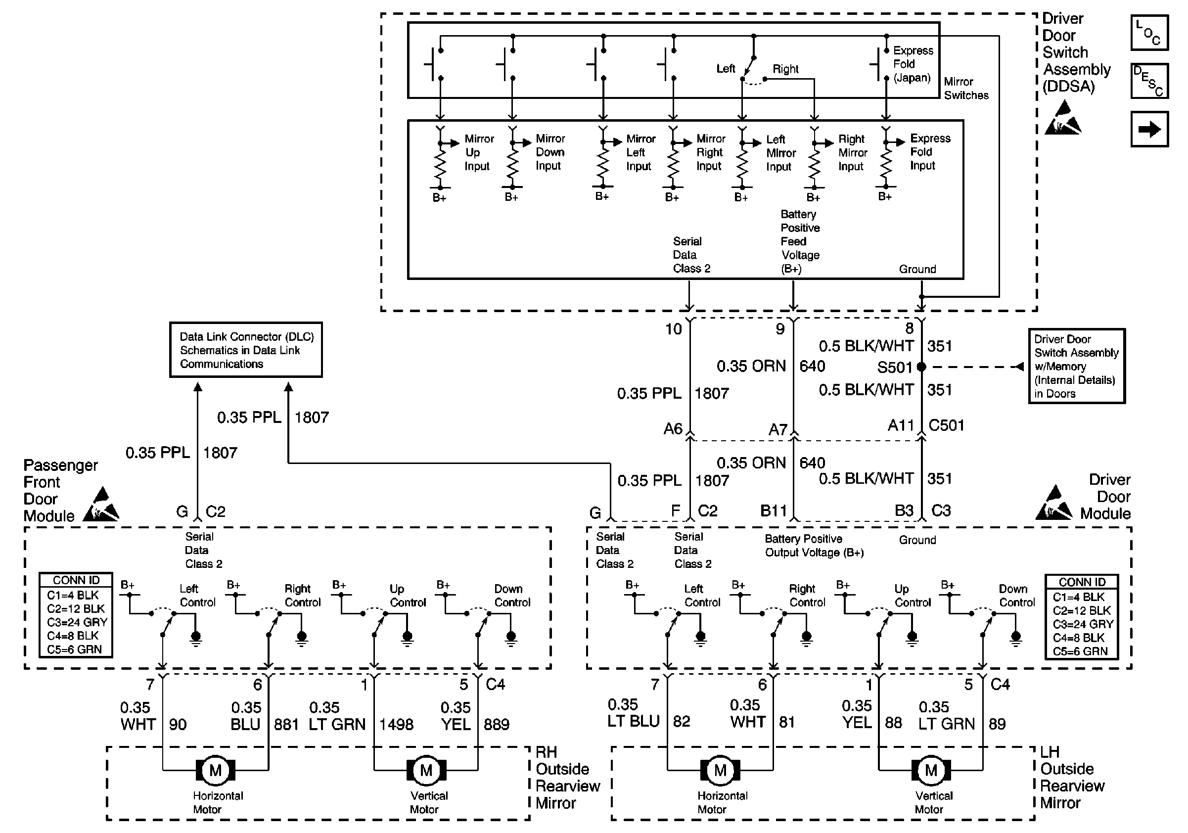
Power Door Systems Components
Outside Mirrors Description
LH Power Mirror w/ Memory (A45)
Handling ESD Sensitive Parts Notice
Handling ESD Sensitive Parts Notice
Handling ESD Sensitive Parts Notice
Data Link Connector Schematics
Driver Door Switch Assembly (DDSA) Internal Details (w/Memory (A45))