GM Service Manual Online
For 1990-2009 cars only
Makes
🢒
Cadillac
🢒
2000
🢒
DeVille
🢒 Gauges
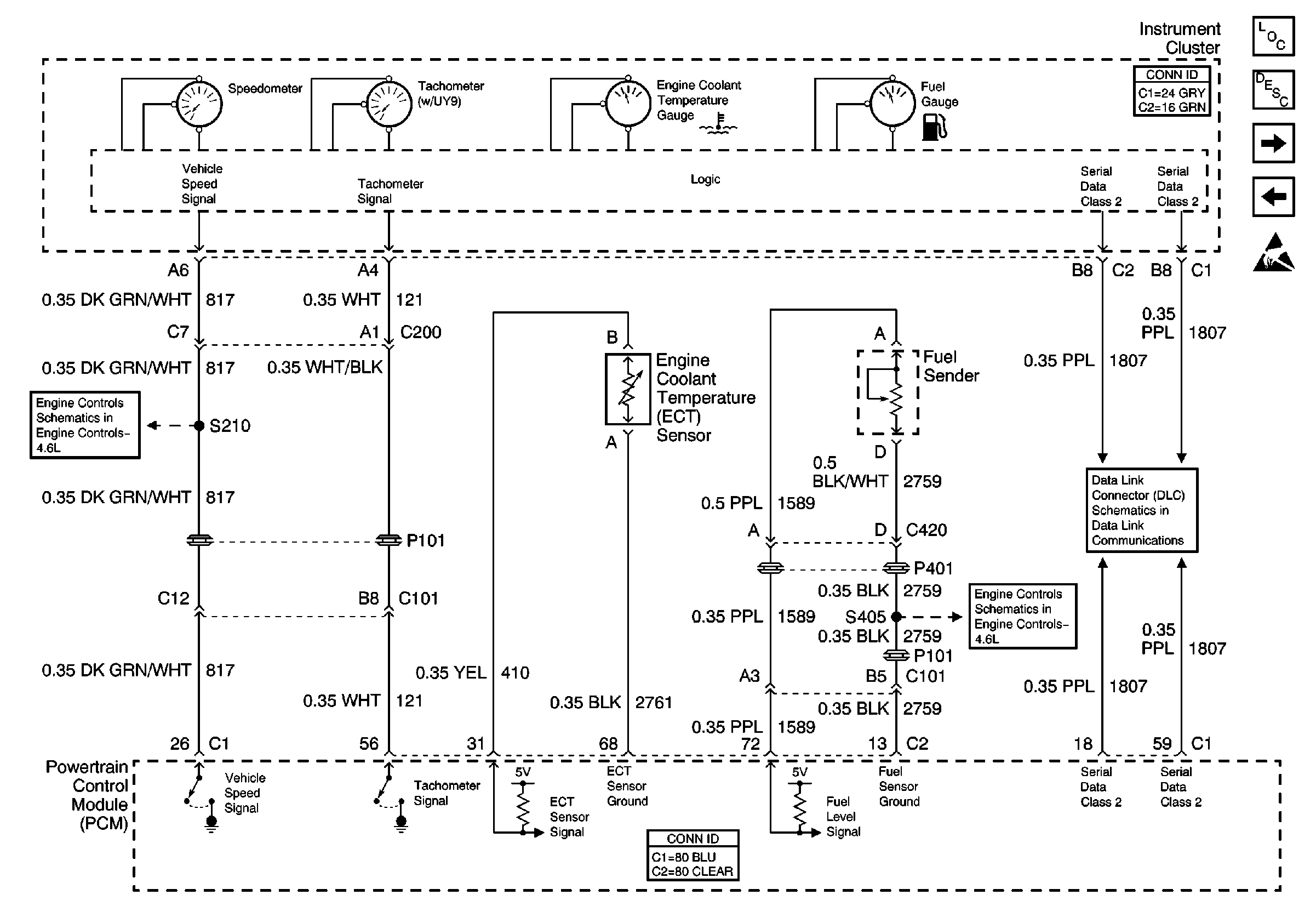
Gauges
Gauges
Instrument Cluster Components
Instrument Cluster Gauge Operation
Brakes and Engine Indicators
Power, Ground, Class 2, and 54V VF Display Supply
Handling ESD Sensitive Parts Notice
Cruise Control and Vehicle Speed Signal
Sensors
Serial Data Class 2 (1 of 3)