GM Service Manual Online
For 1990-2009 cars only
Makes
🢒
Cadillac
🢒
2000
🢒
DeVille
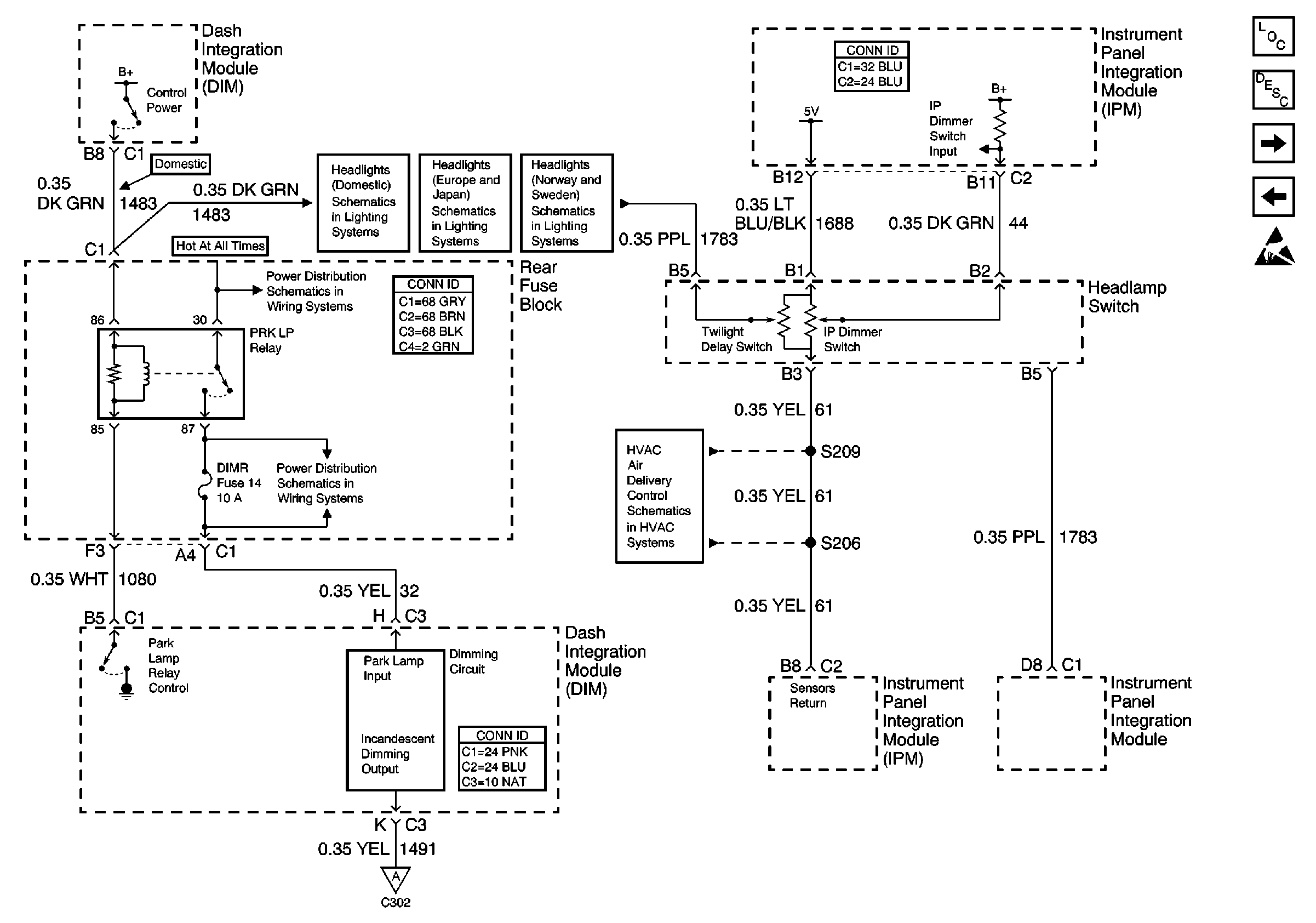
🢒 Dimming Control, IP Dimmer Switch
Dimming Control, IP Dimmer Switch
Dimming Control, IP Dimmer Switch
Lighting Systems Components
Interior Lights Dimming Circuit Description
Ashtray Lamp, Steering Wheel Controls, Console Dimming
Class 2 Dimming Communication
Handling ESD Sensitive Parts Notice
Temperature Sensors
Low Beam Headlamps
Low Beam Headlamps
DRL, Low Beam Headlamps
LP PK L Fuse
DIM R Fuse
Ashtray Lamp, Steering Wheel Controls, Console Dimming