GM Service Manual Online
For 1990-2009 cars only
Makes
🢒
Cadillac
🢒
2000
🢒
DeVille
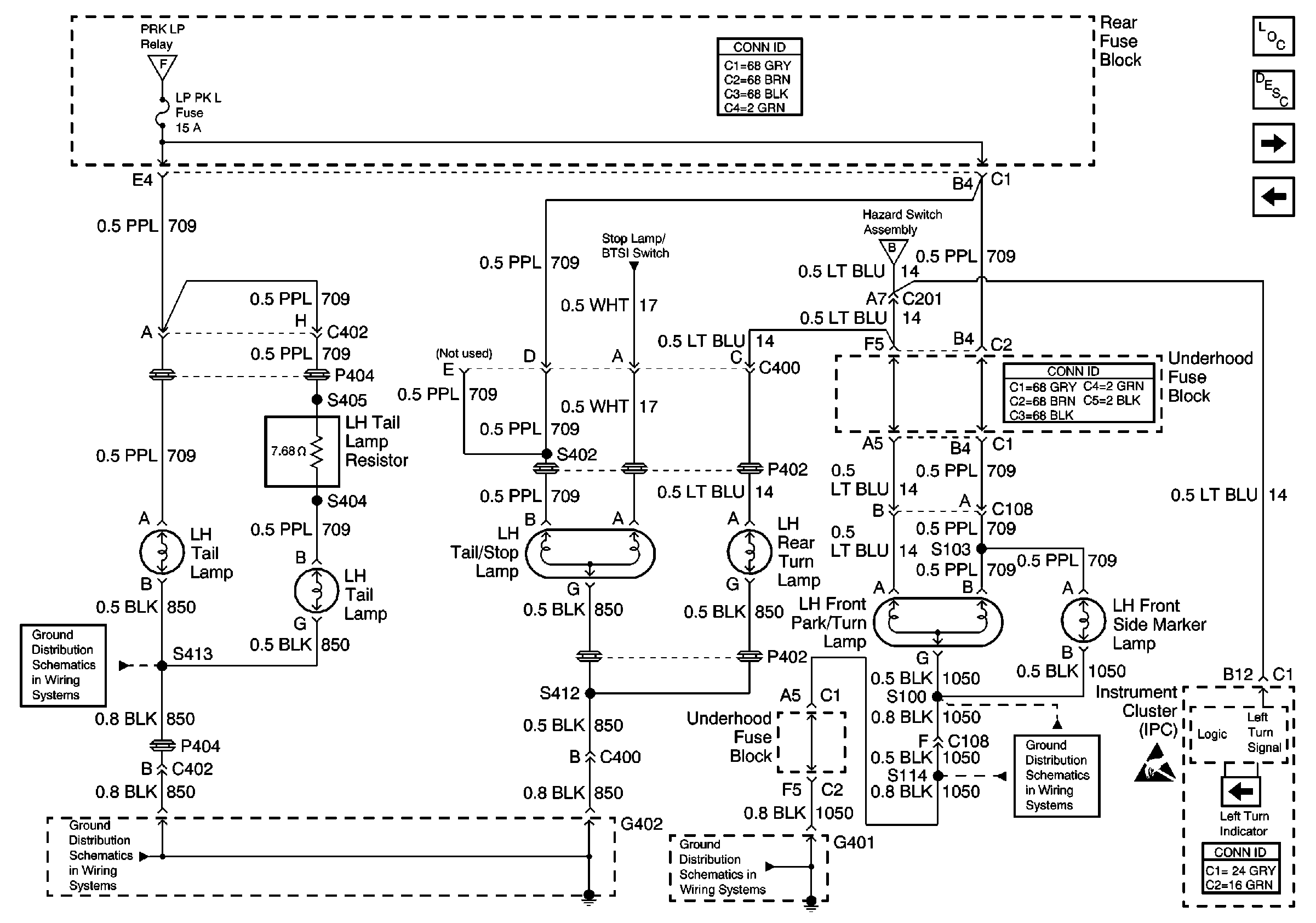
🢒 LH Exterior Lamps
LH Exterior Lamps
LH Exterior Lamps
Lighting Systems Components
Exterior Lights Circuit Description
License, Underhood, and Cornering Lamps
RH Exterior Lamps
Headlamp Switch, PRK LP Relay
Hazard Switch Assembly
097050290521
097050290521
G401 1 of 3
Handling ESD Sensitive Parts Notice
G401 3 of 3