GM Service Manual Online
For 1990-2009 cars only
Makes
🢒
Cadillac
🢒
2000
🢒
DeVille
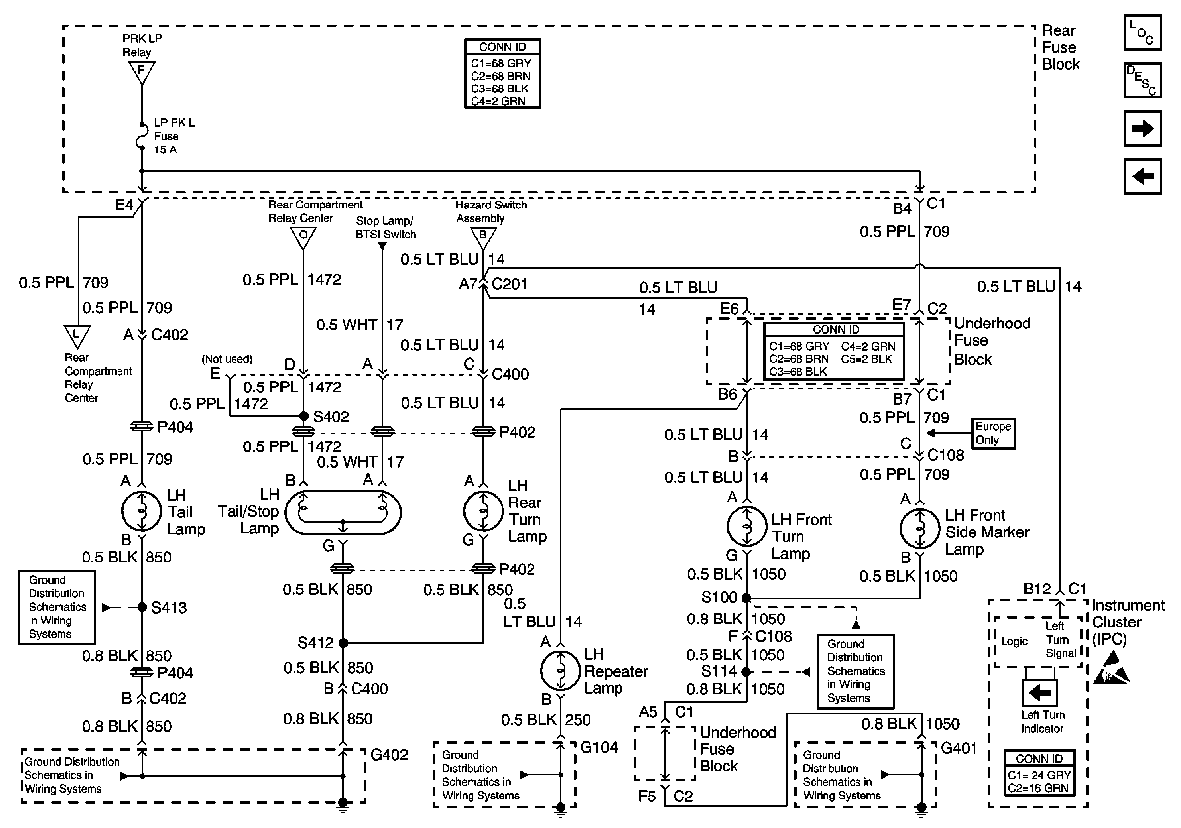
🢒 LH Exterior Lamps
LH Exterior Lamps
LH Exterior Lamps
Lighting Systems Components
Exterior Lights Circuit Description
Handling ESD Sensitive Parts Notice
Position Lamps
RH Exterior Lamps
Headlamp Switch, PRK LP Relay
Position Lamps
G402 2 of 2
G402 2 of 2
G104
Position Lamps
Hazard Switch Assembly
G401 3 of 3
G401 3 of 3