GM Service Manual Online
For 1990-2009 cars only

DTC B1860 Driver Lumbar Vert Sensor CKT Malf w/o AM3

    • Refer to

(A45 with AL2) PWR, GND, Switch, Motors, Sensors, and MSM


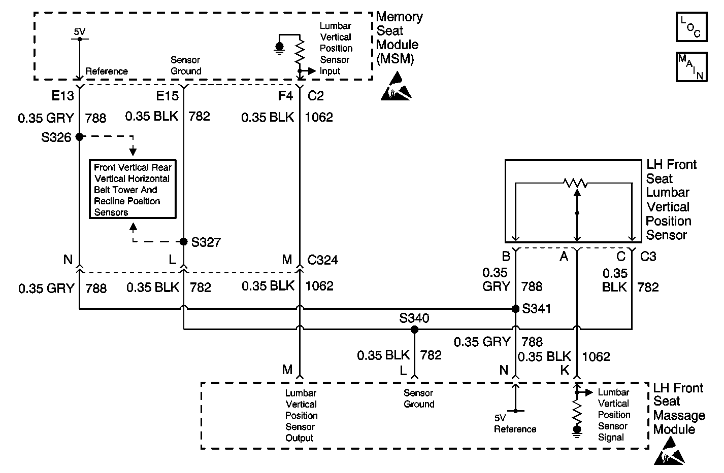
Object Number: 492374  Size: FS
Power Seat Systems Components
Power Lumbar Circuit Description with A45
(A45 with AM3) PWR, GND, Switch, Massage Module and MSM
(AM3) Right Seat Lumbar Massage
Handling ESD Sensitive Parts Notice
MEM T&T, RRLUM/ANT, and HTDST LF Fuses
MEM T&T, RRLUM/ANT, and HTDST LF Fuses
Memory Seats Schematics
Memory Seats Schematics
Handling ESD Sensitive Parts Notice
    • Refer to

(A45 with AM3) MSM, Massage Module, Motors and Position Sensors


Object Number: 492338  Size: FS
Power Seat Systems Components
Power Lumbar Circuit Description with A45
(A45 with AM3) PWR, GND, Switch, Massage Module and MSM
Handling ESD Sensitive Parts Notice
Memory Seats Schematics
Handling ESD Sensitive Parts Notice

Circuit Description

The position sensor is either attached to the seat directional motor drive cable or directly to the motor it monitors. It receives a 5 V reference and ground from the memory seat module. The sensor also has a signal circuit that is wired to the MSM. The sensor sends a voltage signal that varies with the movement of the seat through the signal circuit to the MSM. Then based on this voltage signal, the MSM determines the position of the seat.

Conditions for Running the DTC

The MSM must be powered and can not have B1327-Battery Voltage Low set as an active DTC for this DTC to set.

Conditions for Setting the DTC

If the MSM sees the input from this sensor as either lower than 0.25 V or higher than 4.75 V, the sensor will be considered out of range and the MSM will set this DTC.

Action Taken When the DTC Sets

The MSM disables the memory recall and easy exit/entry action commands of the motor monitored by the sensor. The motor will respond to manual positioning commands.

Conditions for Clearing the MIL/DTC

The MSM will clear the DTC as an active malfunction when the MSM sees the analog input from this sensor as between 0.25 V and 4.75 V during one cycle of checking the MSM inputs.

Diagnostic Aids

    • If the 5 volt reference circuit is shorted to ground multiple codes will set.
    • If the 5 volt reference circuit is open at the massage module (AM3) multiple codes will set.
    • If the sensor ground circuit is open multiple codes will set.

Test Description

The numbers below refer to the step numbers on the diagnostic table.

  1. Tests for the proper operation of the circuit in the low voltage range.

  2. Tests for the proper operation of the circuit in the high voltage range. If the fuse in the jumper opens when you perform this test, the signal circuit is shorted to ground.

  3. Tests for a short to voltage in the 5 volt reference circuit.

  4. Tests for a high resistance or an open in the ground circuit.

  5. This step verifies the repair.

Step

Action

Value(s)

Yes

No

1

Did you perform the Diagnostic System Check - Power Seat Systems?

--

Go to Step  2

Go to Diagnostic System Check - Power Seat Systems

2

  1. Install a scan tool.
  2. Turn ON the ignition, with the engine OFF.
  3. With a scan tool, observe the Lumbar Vertical Sensor parameter in the Memory Seat Module Sensor data list.

Does the scan tool indicate that the Lumbar Vertical Sensor parameter is within the specified range?

0.25-4.75 V

Go to Testing for Intermittent Conditions and Poor Connections in Wiring Systems

Go to Step  3

3

  1. Turn OFF the ignition.
  2. Disconnect the lumbar vertical sensor.
  3. Turn ON the ignition, with the engine OFF.
  4. With a scan tool, observe the Lumbar Vertical Sensor parameter.

Does the scan tool indicate that the Lumbar Vertical Sensor parameter is less than the specified value?

0.25 V

Go to Step  4

Go to Step  10

4

  1. Turn OFF the ignition.
  2. Connect a 3 amp fused jumper wire between the 5 volt reference circuit of the lumbar vertical sensor and the signal circuit of the lumbar vertical sensor.
  3. Turn ON the ignition, with the engine OFF.
  4. With a scan tool, observe the Lumbar Vertical Sensor parameter.

Does the scan tool indicate that the Lumbar Vertical Sensor parameter is greater than the specified value?

4.75 V

Go to Step  5

Go to Step  8

5

  1. Disconnect the fused jumper wire.
  2. Measure the voltage between the 5 volt reference circuit of the lumbar vertical sensor and the ground circuit of the lumbar vertical sensor.

Does the voltage measure less than the specified value?

5.50 V

Go to Step  6

Go to Step  7

6

  1. Turn OFF the ignition.
  2. Disconnect the negative battery cable.
  3. Measure the resistance from the ground circuit of the lumbar vertical sensor to a good ground.

Does the resistance measure less than the specified value?

5 ohms

Go to Step 12

Go to Step 11

7

Test the 5 volt reference circuit of the lumbar vertical sensor for a short to voltage. Refer to Circuit Testing and Wiring Repairs in Wiring Systems.

Did you find and correct the condition?

--

Go to Step 16

Go to Step 13

8

Test the 5 volt reference circuit of the lumbar vertical sensor for a short to ground, a high resistance, or an open. Refer to Circuit Testing and Wiring Repairs in Wiring Systems.

Did you find and correct the condition?

--

Go to Step 16

Go to Step  9

9

Test the signal circuit of the lumbar vertical sensor for a short to ground, a high resistance, or an open. Refer to Circuit Testing and Wiring Repairs in Wiring Systems.

Did you find and correct the condition?

--

Go to Step 16

Go to Step  13

10

Test the signal circuit of the lumbar vertical sensor for a short to voltage. Refer to Circuit Testing and Wiring Repairs in Wiring Systems.

Did you find and correct the condition?

--

Go to Step 16

Go to Step  13

11

  1. Disconnect the memory seat module harness connector C 2.
  2. Test the ground circuit of the lumbar vertical sensor for a high resistance or an open. Refer to Circuit Testing and Wiring Repairs in Wiring Systems.

Did you find and correct the condition?

--

Go to Step 16

Go to Step  13

12

Inspect for poor connections at the harness connector of the lumbar vertical sensor. Refer to Testing for Intermittent Conditions and Poor Connections and Connector Repairs in Wiring Systems.

Did you find and correct the condition?

--

Go to Step 16

Go to Step  14

13

Inspect for poor connections at the harness connector of the memory seat module. Refer to Testing for Intermittent Conditions and Poor Connections and Connector Repairs in Wiring Systems.

Did you find and correct the condition?

--

Go to Step 16

Go to Step  15

14

Replace the seat lumbar vertical sensor. Refer to Front Seat Lumbar Support Replacement .

Did you complete the replacement?

--

Go to Step 16

--

15

Replace the memory seat module. Refer to Memory Seat Control Module Replacement .

Did you complete the replacement?

--

Go to Step 16

--

16

  1. Use the scan tool in order to clear the DTCs.
  2. Operate the vehicle within the Conditions for Running the DTC as specified in the supporting text.

Does the DTC reset?

--

Go to Step  2

System OK

DTC B1860 Driver Lumbar Vert Sensor CKT Malf with AM3


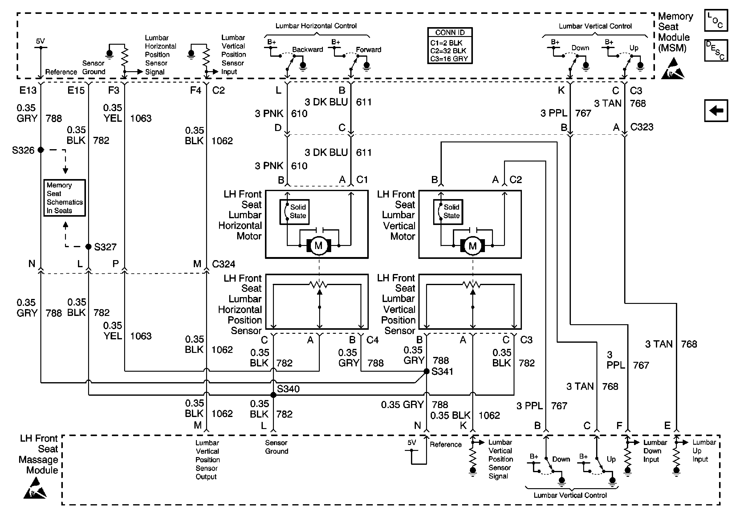
Object Number: 522164  Size: MF
Power Seat Systems Components
(A45 with AM3) MSM, Massage Module, Motors and Position Sensors
Handling ESD Sensitive Parts Notice
Memory Seats Schematics
Handling ESD Sensitive Parts Notice

Circuit Description

The sensor that sets this diagnostic trouble code (DTC) monitors the seat lumbar vertical position. The sensor 5 V reference and ground are supplied by the memory seat module (MSM). The sensor output signal is sent directly to the massage module. The massage module checks this signal to determine seat position and then relays the information to the MSM. During lumbar massage operation, the massage module sends a simulated lumbar vertical position signal to the MSM. This prevents the MSM from seeing the lumbar up/down motion and erroneously setting a code.

Conditions for Running the DTC

The MSM must be powered and can not have B1327-Battery Voltage Low set as an active DTC for this DTC to set.

Conditions for Setting the DTC

If the MSM sees the input from this sensor as either lower than 0.25 V or higher than 4.75 V, the sensor will be considered out of range and the MSM will set this DTC.

Action Taken When the DTC Sets

The MSM disables the memory recall and easy exit/entry action commands of the motor monitored by the sensor. The motor will respond to manual positioning commands.

Conditions for Clearing the MIL/DTC

The MSM will clear the DTC as an active malfunction when the MSM sees the analog input from this sensor as between 0.25 V and 4.75 V during one cycle of checking the MSM inputs.

Diagnostic Aids

    • If the 5 volt reference circuit is shorted to ground multiple codes will set.
    • If the 5 volt reference circuit is open at the massage module (AM3) multiple codes will set.
    • If the sensor ground circuit is open multiple codes will set.

Test Description

The numbers below refer to the step numbers on the diagnostic table.

  1. Tests for the proper operation of the circuit in the high voltage range.

  2. Tests for the proper operation of the circuit in the low voltage range.

  3. This step verifies the repair.

Step

Action

Value(s)

Yes

No

1

Did you perform the Diagnostic System Check - Power Seat Systems?

--

Go to Step  2

Go to Diagnostic System Check - Power Seat Systems

2

  1. Install a scan tool.
  2. Turn ON the ignition, with the engine OFF.
  3. With a scan tool, observe the Lumbar Vertical Sensor parameter in the Memory Seat Module (MSM) Sensor data list.

Does the scan tool indicate that the Lumbar Vertical Sensor parameter is within the specified range?

0.25-4.75 V

Go to Testing for Intermittent Conditions and Poor Connections in Wiring Systems

Go to Step  3

3

  1. Turn OFF the ignition.
  2. Disconnect the lumbar vertical sensor harness connector.
  3. Turn ON the ignition, with the engine OFF.
  4. Measure the voltage from the 5 volt reference circuit of the lumbar vertical sensor to a good ground.

Does the voltage measure within the specified range?

4.50-5.50 V

Go to Step  4

Go to Step  11

4

Measure the voltage from the 5 volt reference circuit of the lumbar vertical sensor to the ground circuit of the lumbar vertical sensor.

Does the voltage measure within the specified range?

4.50-5.50 V

Go to Step  5

Go to Step  17

5

Measure the voltage from the 5 volt reference circuit of the massage module to a good ground.

Does the voltage measure within the specified range?

4.50-5.50 V

Go to Step  6

Go to Step  12

6

Measure the voltage from the battery positive voltage circuit of the massage module to a good ground.

Does the voltage measure within the specified range?

9-16 V

Go to Step  7

Go to Step  21

7

With a scan tool, observe the Lumbar Vertical Sensor parameter.

Does the scan tool indicate that the Lumbar Vertical Sensor parameter is greater than the specified value?

4.75 V

Go to Step  8

Go to Step  10

8

  1. Turn OFF the ignition.
  2. Connect a 3 amp fused jumper wire between the signal circuit of the lumbar vertical sensor and a good ground.
  3. Turn ON the ignition, with the engine OFF.
  4. With a scan tool, observe the Lumbar Vertical Sensor parameter.

Does the scan tool indicate that the Lumbar Vertical Sensor parameter is less than the specified value?

0.25 V

Go to Step  18

Go to Step  9

9

  1. Turn OFF the ignition.
  2. Disconnect the massage module harness connector.
  3. Turn ON the ignition, with the engine OFF.
  4. With a scan tool observe Lumbar Vertical Sensor parameter.

Does the scan tool indicate that the Lumbar Vertical Sensor parameter is less than the specified value?

0.25 V

Go to Step  16

Go to Step  15

10

  1. Turn OFF the ignition.
  2. Disconnect the massage module harness connector.
  3. Connect a 3 amp fused jumper wire between the 5 volt reference circuit of the massage module and the vertical position sensor output circuit of the massage module.
  4. Turn ON the ignition, with the engine OFF.
  5. With a scan tool, observe the Lumbar Vertical Sensor parameter.

Does the scan tool indicate that the Lumbar Vertical Sensor parameter is greater than the specified value?

4.50 V

Go to Step  13

Go to Step  14

11

Test the 5 volt reference circuit of the lumbar vertical sensor for a short to voltage. Refer to Circuit Testing and Wiring Repairs in Wiring Systems.

Did you find and correct the condition?

4.50 V

Go to Step 25

Go to Step  12

12

Test the 5 volt reference circuit of the lumbar vertical sensor for a short to ground, a high resistance, or an open. Refer to Circuit Testing and Wiring Repairs in Wiring Systems.

Did you find and correct the condition?

--

Go to Step 25

Go to Step  20

13

Test the signal circuit of the lumbar vertical sensor for a short to ground, a high resistance, or an open. Refer to Circuit Testing and Wiring Repairs in Wiring Systems.

Did you find and correct the condition?

--

Go to Step 25

Go to Step 19

14

Test the vertical position sensor output circuit of the massage module for a short to ground, a high resistance, or an open. Refer to Circuit Testing and Wiring Repairs in Wiring Systems.

Did you find and correct the condition?

--

Go to Step 25

Go to Step  20

15

Test the vertical position sensor output circuit of the massage module for a short to voltage. Refer to Circuit Testing and Wiring Repairs in Wiring Systems.

Did you find and correct the condition?

--

Go to Step 25

Go to Step  20

16

Test the signal circuit of the lumbar vertical sensor for a short to voltage. Refer to Circuit Testing and Wiring Repairs in Wiring Systems.

Did you find and correct the condition?

--

Go to Step 25

Go to Step  19

17

  1. Disconnect the memory seat module (MSM) harness connector C 2.
  2. Disconnect the massage module harness connector.
  3. Test the ground circuit of the lumbar vertical sensor between the sensor and the MSM, and the sensor and the massage module for a high resistance or an open. Refer to Circuit Testing and Wiring Repairs in Wiring Systems.

Did you find and correct the condition?

--

Go to Step 25

Go to Step  20

18

Inspect for poor connections at the harness connector of the lumbar vertical sensor. Refer to Testing for Intermittent Conditions and Poor Connections and Connector Repairs in Wiring Systems.

Did you find and correct the condition?

--

Go to Step 25

Go to Step  22

19

Inspect for poor connections at the harness connector of the massage module. Refer to Testing for Intermittent Conditions and Poor Connections and Connector Repairs in Wiring Systems.

Did you find and correct the condition?

--

Go to Step 25

Go to Step  23

20

Inspect for poor connections at the harness connector of the memory seat module. Refer to Testing for Intermittent Conditions and Poor Connections and Connector Repairs in Wiring Systems.

Did you find and correct the condition?

--

Go to Step 25

Go to Step  24

21

Repair the open in the battery positive voltage circuit of the masage module.

Did you complete the repair?

--

Go to Step 25

--

22

Replace the seat lumbar vertical sensor. Refer to Front Seat Lumbar Support Replacement .

Did you complete the replacement?

--

Go to Step 25

--

23

Replace the massage module. Refer to Massaging Lumbar Control Module Replacement .

Did you complete the replacement?

--

Go to Step 25

--

24

Replace the memory seat module. Refer to Memory Seat Control Module Replacement .

Did you complete the replacement?

--

Go to Step 25

--

25

  1. Use the scan tool in order to clear the DTCs.
  2. Operate the vehicle within the Conditions for Running the DTC as specified in the supporting text.

Does the DTC reset?

--

Go to Step  2

System OK