GM Service Manual Online
For 1990-2009 cars only
Makes
🢒
Cadillac
🢒
2001
🢒
DeVille
🢒
Brakes
🢒
Park Brake
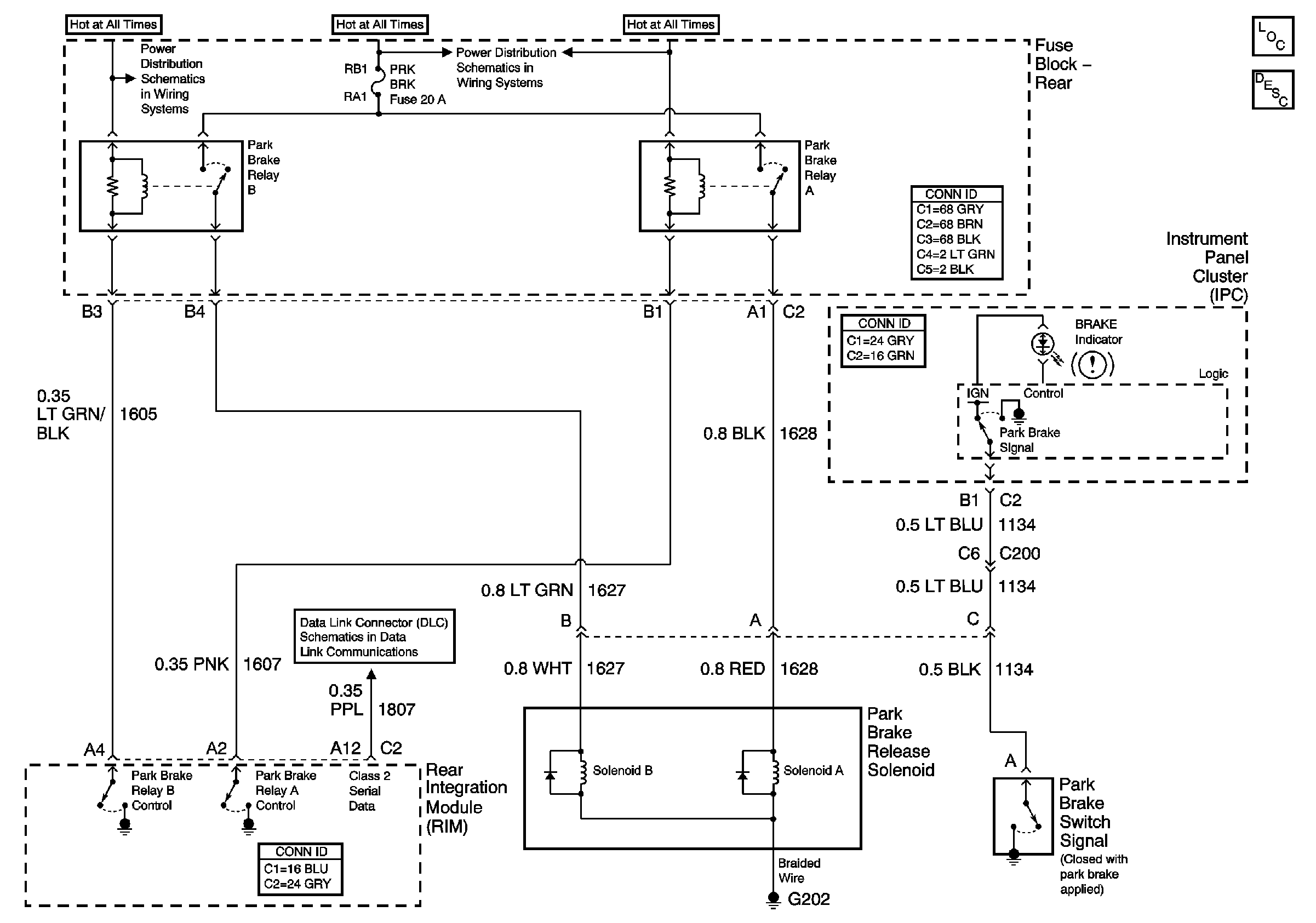
🢒 Park Brake System Schematics
Park Brake System
Master Electrical Component List
Park Brake System Description and Operation
Ignition Feeds to Underhood and Rear Fuse Blocks
Ignition Feeds to Underhood and Rear Fuse Blocks
Class 2 Serial Data (2 of 3)
Class 2 Serial Data (1 of 3)