GM Service Manual Online
For 1990-2009 cars only

Inflatable Restraint Steering Wheel Module Coil Assemble - Off Vehicle Power Tilt and Telescope,Column Shift


    Object Number: 293254  Size: SH

    Caution: Improper routing of the wire harness assembly may damage the inflatable restraint steering wheel module coil. This may result in a malfunction of the coil, which may cause personal injury.

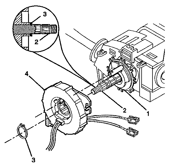
  1. Align the block tooth on the steering shaft assembly (1) to the 12 o'clock position.

  2. Object Number: 588342  Size: SH

    Important: A new inflatable restraint steering wheel module coil is pre-centered. Do not remove the centering tab from the new inflatable restraint steering wheel module coil until the installation is complete.

  3. If installing the existing inflatable restraint steering wheel module coil it must be centered first. Refer to Inflatable Restraint Coil Centering - Off Vehicle .
  4. Align the inflatable restraint steering wheel module coil (4) with the horn tower on the turn signal cancel cam assembly (1).
  5. Slide the inflatable restraint steering wheel module coil (4) onto the steering shaft assembly (2).
  6. Firmly seat the retaining ring (3) into the groove on the steering shaft assembly (2).
  7. Remove and discard the centering tab from the new inflatable restraint steering wheel module coil (4).
  8. Connect the connector of the inflatable restraint steering wheel module coil to the wire harness assembly.
  9. Install the upper and lower trim covers. Refer to Steering Column Trim Covers - Assemble - Off Vehicle .

Inflatable Restraint Steering Wheel Module Coil Assemble - Off Vehicle Power Tilt and Telescope, Floor Shift


    Object Number: 293254  Size: SH

    Caution: Improper routing of the wire harness assembly may damage the inflatable restraint steering wheel module coil. This may result in a malfunction of the coil, which may cause personal injury.

  1. Align the block tooth on the steering shaft assembly (1) to the 12 o'clock position.

  2. Object Number: 588342  Size: SH

    Important: A new inflatable restraint steering wheel module coil is pre-centered. Do not remove the centering tab from the new inflatable restraint steering wheel module coil until the installation is complete.

  3. If installing the existing inflatable restraint steering wheel module coil it must be centered first. Refer to Inflatable Restraint Coil Centering - Off Vehicle .
  4. Align the inflatable restraint steering wheel module coil (4) with the horn tower on the turn signal cancel cam assembly (1).
  5. Slide the inflatable restraint steering wheel module coil (4) onto the steering shaft assembly (2).
  6. Firmly seat the retaining ring (3) into the groove on the steering shaft assembly (2).
  7. Remove and discard the centering tab from the new inflatable restraint steering wheel module coil (4).
  8. Connect the connector of the inflatable restraint steering wheel module coil to the wire harness assembly.
  9. Install the upper and lower trim covers. Refer to Steering Column Trim Covers - Assemble - Off Vehicle .

Inflatable Restraint Steering Wheel Module Coil Assemble - Off Vehicle Manual Tilt, Floor Shift


    Object Number: 293254  Size: SH

    Caution: Improper routing of the wire harness assembly may damage the inflatable restraint steering wheel module coil. This may result in a malfunction of the coil, which may cause personal injury.

  1. Align the block tooth on the steering shaft assembly (1) to the 12 o'clock position.

  2. Object Number: 588342  Size: SH

    Important: A new inflatable restraint steering wheel module coil is pre-centered. Do not remove the centering tab from the new inflatable restraint steering wheel module coil until the installation is complete.

  3. If installing the existing inflatable restraint steering wheel module coil it must be centered first. Refer to Inflatable Restraint Coil Centering - Off Vehicle .
  4. Align the inflatable restraint steering wheel module coil (4) with the horn tower on the turn signal cancel cam assembly (1).
  5. Slide the inflatable restraint steering wheel module coil (4) onto the steering shaft assembly (2).
  6. Firmly seat the retaining ring (3) into the groove on the steering shaft assembly (2).
  7. Remove and discard the centering tab from the new inflatable restraint steering wheel module coil (4).
  8. Connect the connector of the inflatable restraint steering wheel module coil to the wire harness assembly.
  9. Install the upper and lower trim covers. Refer to Steering Column Trim Covers - Assemble - Off Vehicle .

Inflatable Restraint Steering Wheel Module Coil Assemble - Off Vehicle Manual Tilt, Column Shift


    Object Number: 293254  Size: SH

    Caution: Improper routing of the wire harness assembly may damage the inflatable restraint steering wheel module coil. This may result in a malfunction of the coil, which may cause personal injury.

  1. Align the block tooth on the steering shaft assembly (1) to the 12 o'clock position.

  2. Object Number: 588342  Size: SH

    Important: A new inflatable restraint steering wheel module coil is pre-centered. Do not remove the centering tab from the new inflatable restraint steering wheel module coil until the installation is complete.

  3. If installing the existing inflatable restraint steering wheel module coil it must be centered first. Refer to Inflatable Restraint Coil Centering - Off Vehicle .
  4. Align the inflatable restraint steering wheel module coil (4) with the horn tower on the turn signal cancel cam assembly (1).
  5. Slide the inflatable restraint steering wheel module coil (4) onto the steering shaft assembly (2).
  6. Firmly seat the retaining ring (3) into the groove on the steering shaft assembly (2).
  7. Remove and discard the centering tab from the new inflatable restraint steering wheel module coil (4).
  8. Connect the connector of the inflatable restraint steering wheel module coil to the wire harness assembly.
  9. Install the upper and lower trim covers. Refer to Steering Column Trim Covers - Assemble - Off Vehicle .