GM Service Manual Online
For 1990-2009 cars only
Figure 1:

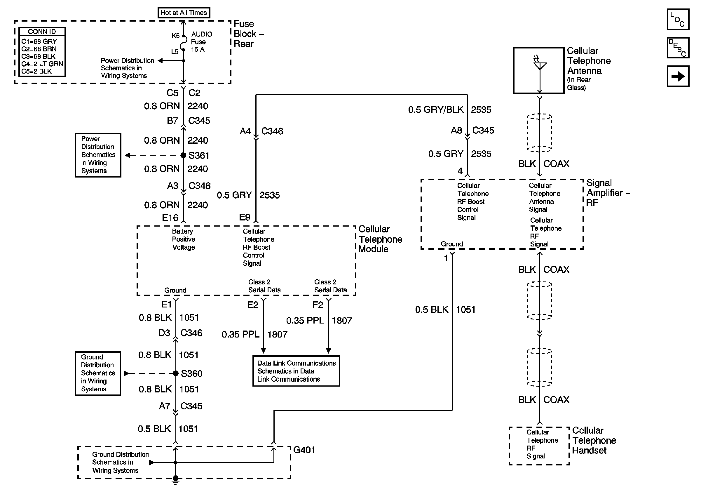
Module Power and Ground (w/UE1)


Object Number: 663084  Size: FS
Master Electrical Component List
Voice Audio and Mic (w/UE1)
Class 2 Serial Data (2 of 3)
DIMR and Audio Fuses
DIMR and Audio Fuses
G401
G401
Figure 2:

Voice Audio and Mic (w/UE1)


Object Number: 663085  Size: FS
Master Electrical Component List
Module to Handset (w/UE1)
Module Power and Ground (w/UE1)
Figure 3:

Module to Handset (w/UE1)


Object Number: 663086  Size: FS
Master Electrical Component List
Modem Signals (w/UE1 and U43)
Voice Audio and Mic (w/UE1)
Figure 4:

Modem Signals (w/UE1 and U43)


Object Number: 663088  Size: FS
Master Electrical Component List
Module to Handset (w/UE1)