GM Service Manual Online
For 1990-2009 cars only
Makes
🢒
Cadillac
🢒
2001
🢒
DeVille
🢒
Body and Accessories
🢒
Entertainment
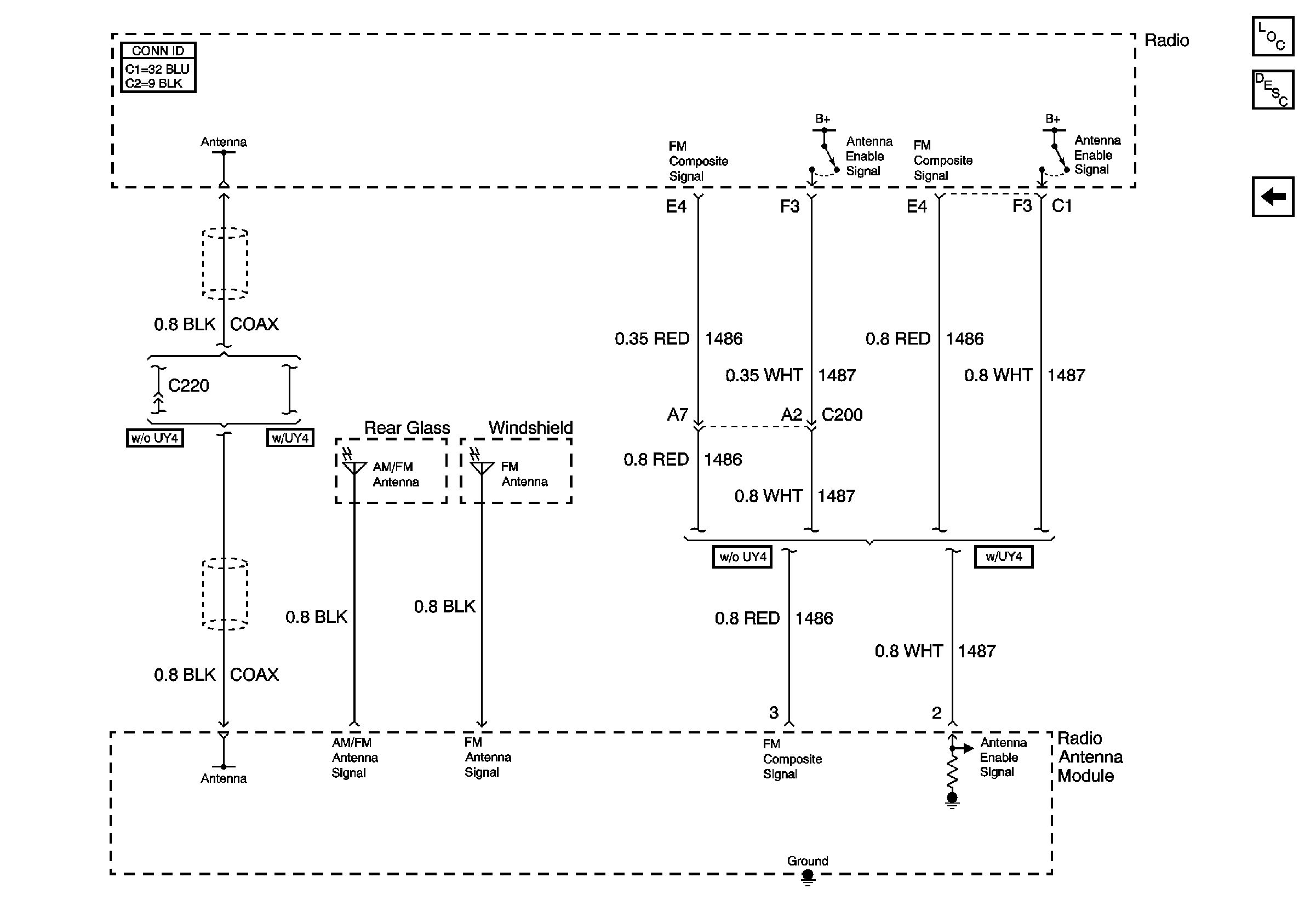
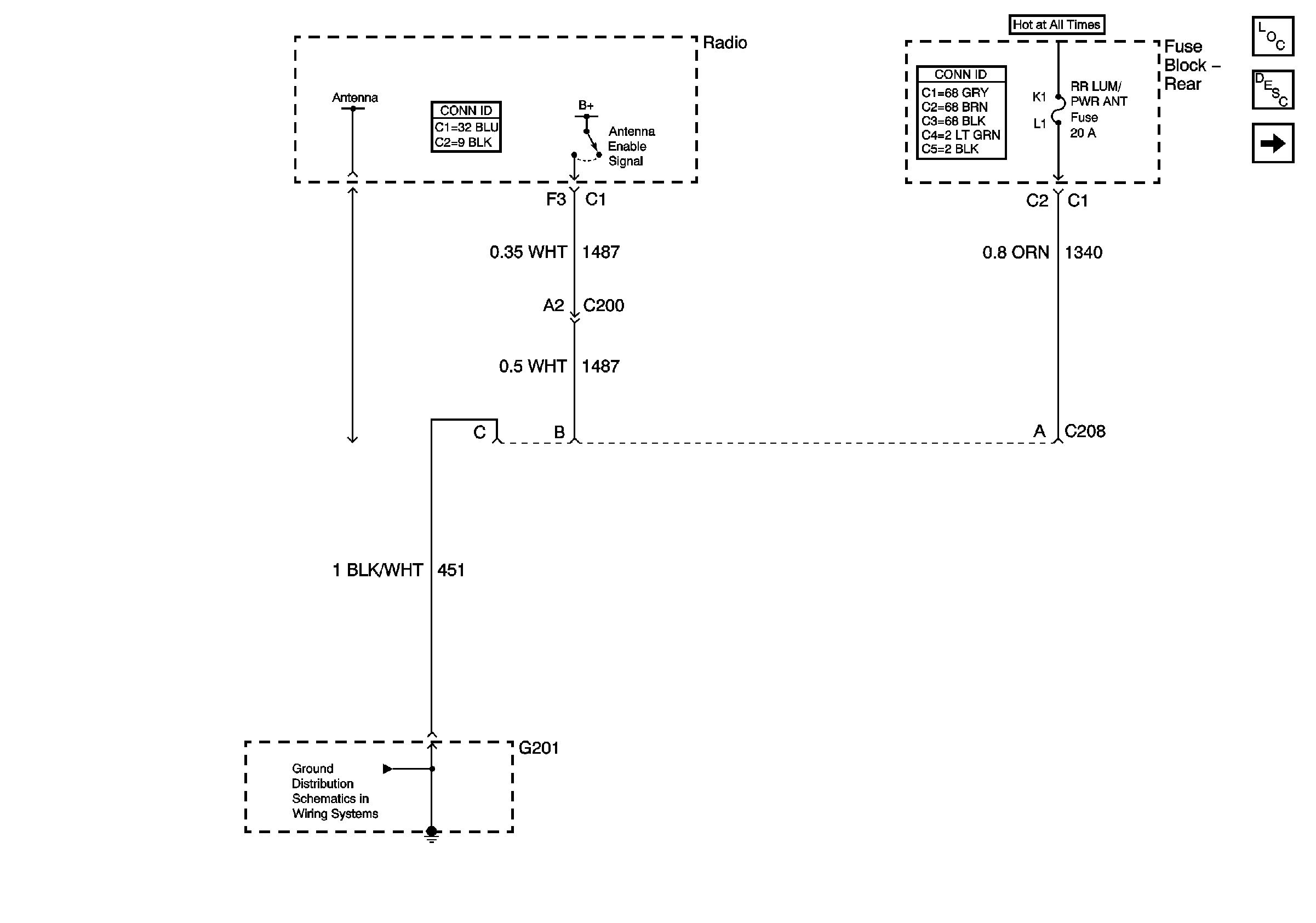
🢒 Power Antenna Schematics
Power Antenna Schematics w/B9Q
Master Electrical Component List
MEM TT, RRLUM/ANT, and HTDST LF Fuses
G201,G202 CKT 451 Steering Column
Power Antenna Schematics w/o B9Q
Master Electrical Component List