GM Service Manual Online
For 1990-2009 cars only
Makes
🢒
Cadillac
🢒
2001
🢒
DeVille
🢒
Body and Accessories
🢒
Keyless Entry
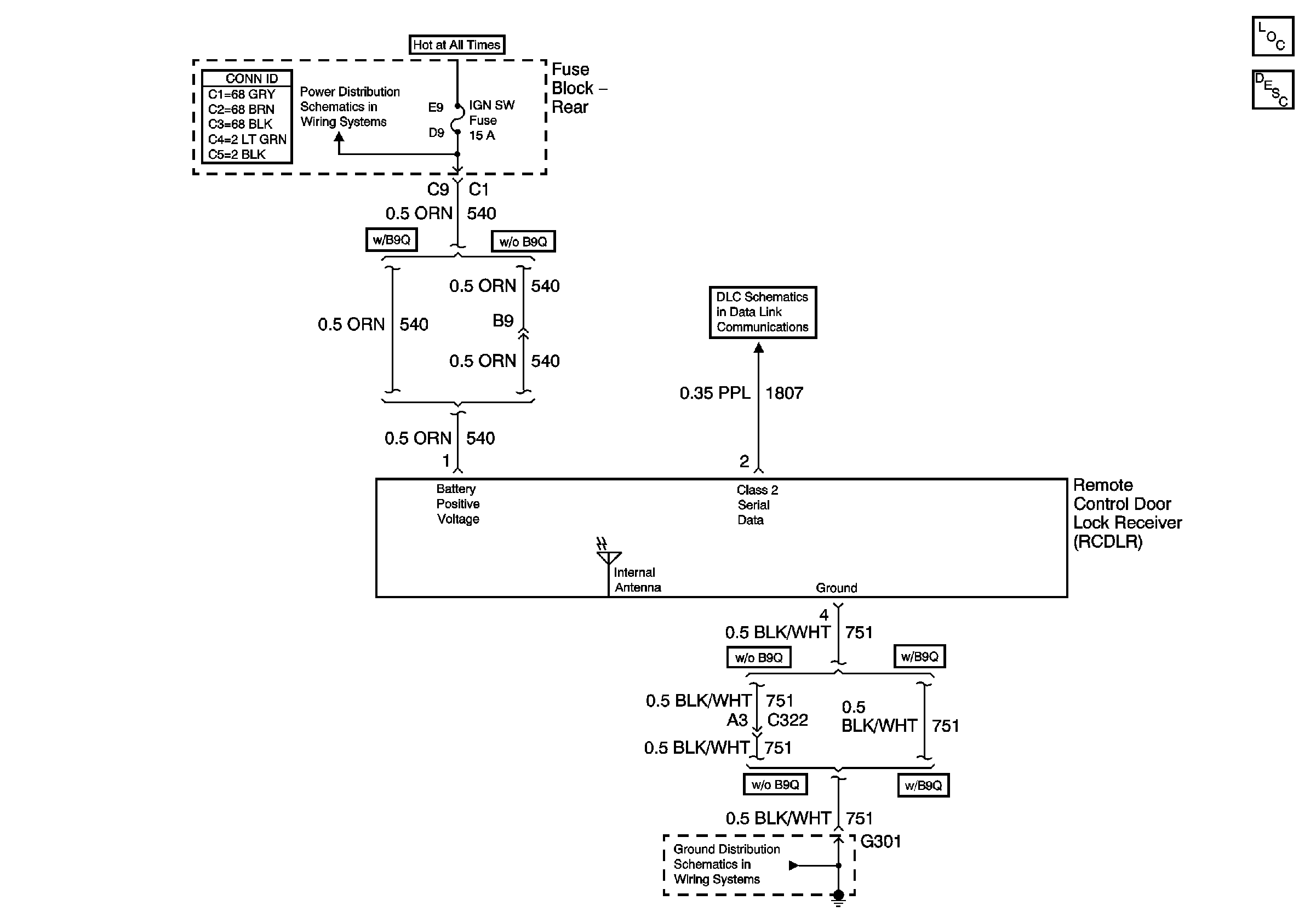
🢒 Keyless Entry Schematics
Master Electrical Component List
Keyless Entry System Description and Operation
G301
RR BLO, RR DR MDL, HVAC, Stop LP, IGN SW, and TSIG/HAZ Fuses
Class 2 Serial Data (3 of 3)