GM Service Manual Online
For 1990-2009 cars only
Makes
🢒
Cadillac
🢒
2001
🢒
DeVille
🢒
Body and Accessories
🢒
Horns
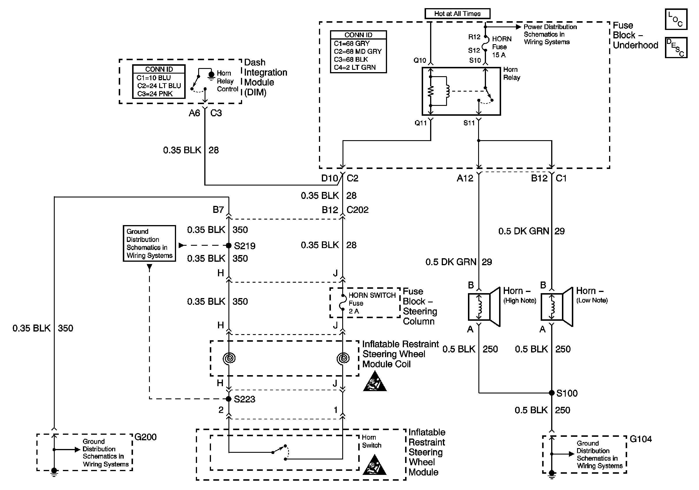
🢒 Horn Schematics
Master Electrical Component List
Horns System Description and Operation
G104 Horns, Lamps and Other Items
SIR Caution
SIR Caution
G200
G200
Underhood Fuse Block Battery Voltage