GM Service Manual Online
For 1990-2009 cars only
Figure 1:

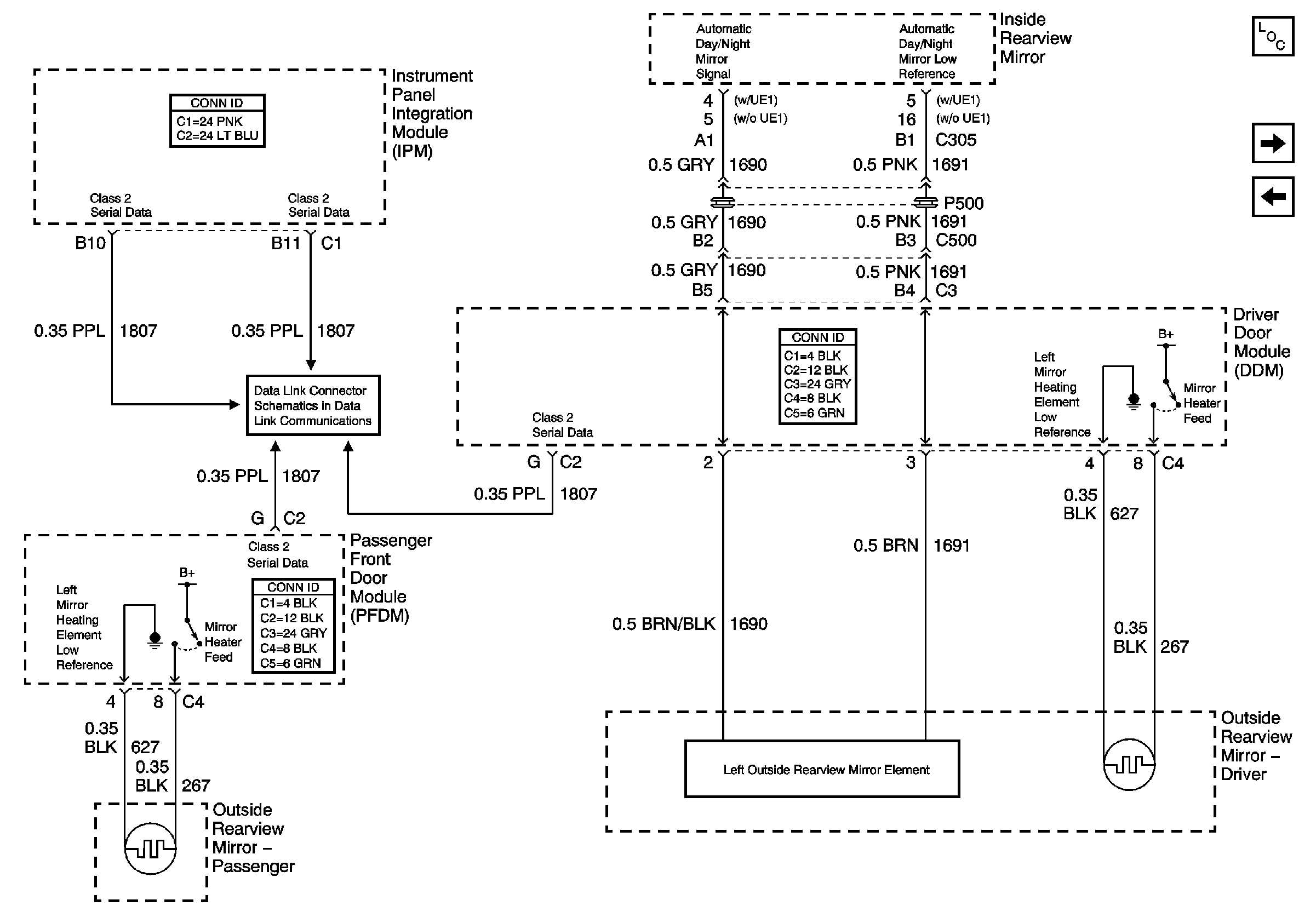
Outside Mirrors


Object Number: 663326  Size: FS
Master Electrical Component List
Power Windows Description and Operation
Left Power Mirror w/Memory (A45)
Driver Door Switch Assembly (DDSA) Power, Ground Inputs and Outputs
Class 2 Serial Data (2 of 3)
Figure 2:

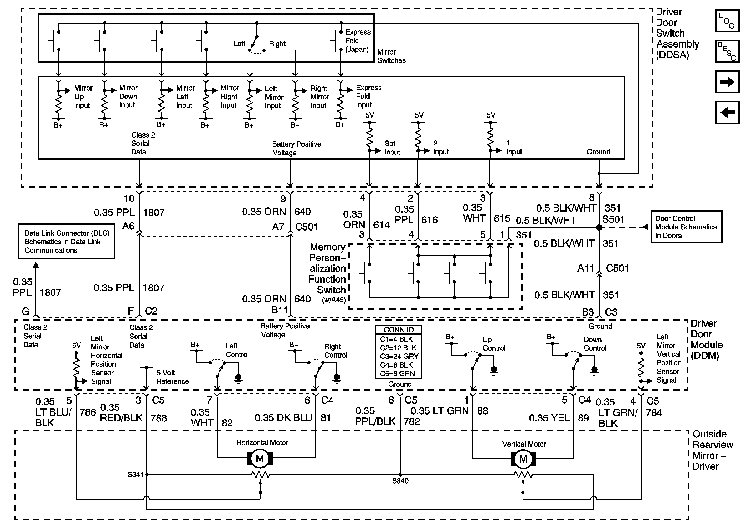
Left Power Mirror w/Memory (A45)


Object Number: 663327  Size: FS
Master Electrical Component List
Outside Mirror Description and Operation
Right Power Mirror w/Memory (A45)
Outside Mirrors
Driver Door Switch Assembly (DDSA) Power, Ground Inputs and Outputs
Class 2 Serial Data (2 of 3)
Figure 3:

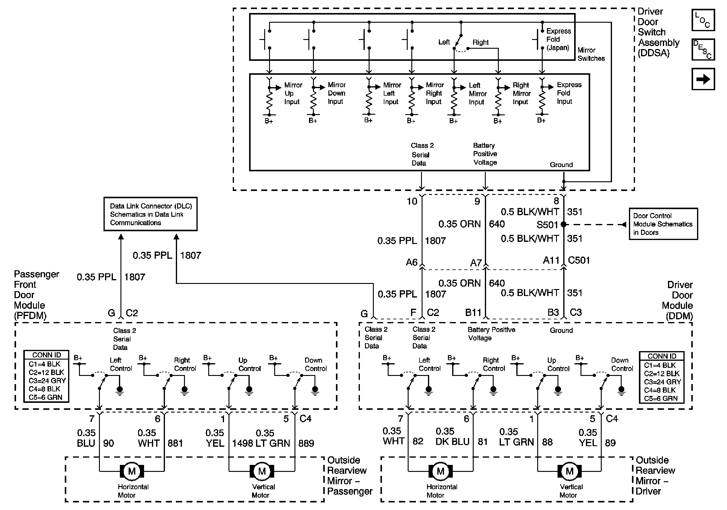
Right Power Mirror w/Memory (A45)


Object Number: 663328  Size: FS
Master Electrical Component List
Outside Mirror Description and Operation
Heated Mirrors
Left Power Mirror w/Memory (A45)
Class 2 Serial Data (2 of 3)
Driver Door Switch Assembly (DDSA) Power, Ground Inputs and Outputs
Figure 4:

Heated Mirrors


Object Number: 663329  Size: FS
Master Electrical Component List
Outside Mirror Description and Operation
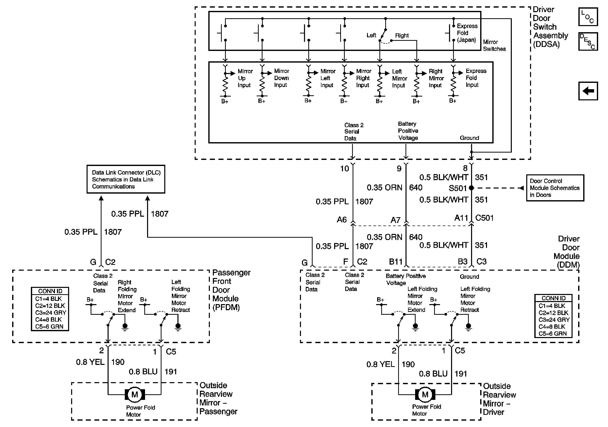
Express Folding Mirrors (Japan)
Right Power Mirror w/Memory (A45)
Class 2 Serial Data (2 of 3)
Figure 5:

Express Folding Mirrors (Japan)


Object Number: 663331  Size: FS
Master Electrical Component List
Outside Mirror Description and Operation
Heated Mirrors
Driver Door Switch Assembly (DDSA) Power, Ground Inputs and Outputs
Class 2 Serial Data (2 of 3)