GM Service Manual Online
For 1990-2009 cars only
Figure 1:

Driver Heated Seat Switch


Object Number: 663367  Size: FS
Master Electrical Component List
Heated Seats Description and Operation
Left Front Heated Seat 2 of 2
Figure 2:

Driver Heated Seat Module


Object Number: 663368  Size: FS
Master Electrical Component List
Heated Seats Description and Operation
Right Front Heated Seat 1 of 2
Left Front Heated Seat 1 of 2
G302 Left Front Seat
G302 Left Front Seat
MEM TT, RRLUM/ANT, and HTDST LF Fuses
IGN 3 Fuses
Figure 3:

Passenger Heated Seat Switch


Object Number: 663369  Size: FS
Master Electrical Component List
Heated Seats Description and Operation
Right Front Heated Seat 2 of 2
Left Front Heated Seat 2 of 2
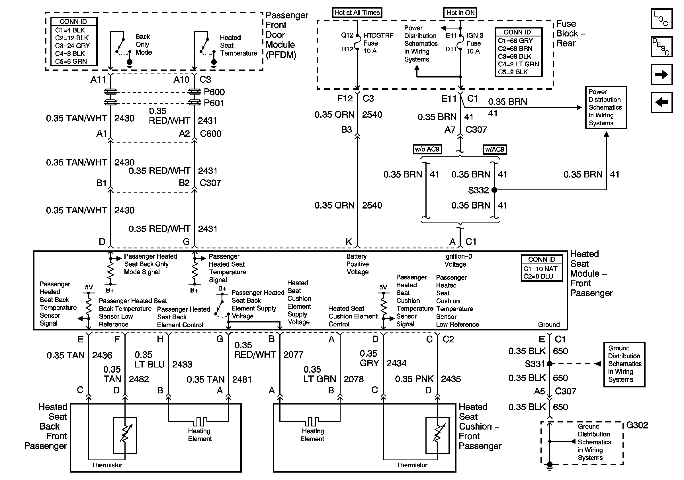
Figure 4:

Passenger Heated Seat Module


Object Number: 663370  Size: FS
Master Electrical Component List
Heated Seats Description and Operation
Left Rear Heated Seat 1 of 2
Right Front Heated Seat 1 of 2
G302 Right Front Seat
G302 Right Front Seat
HVAC BLO, DRV MDL, PASS MDL, PWR TT, HTDST LR, HTDST RR, HTDST RF, and DIM Fuses
IGN 3 Fuses
IGN 3 Fuses
Figure 5:

Left Rear Heated Seat Switch


Object Number: 663373  Size: FS
Master Electrical Component List
Heated Seats Description and Operation
Left Rear Heated Seat 2 of 2
Right Front Heated Seat 2 of 2
Figure 6:

Left Rear Heated Seat Module


Object Number: 663374  Size: FS
Master Electrical Component List
Heated Seats Description and Operation
Right Rear Heated Seat 1 of 2
Left Rear Heated Seat 1 of 2
G301
G301
HVAC BLO, DRV MDL, PASS MDL, PWR TT, HTDST LR, HTDST RR, HTDST RF, and DIM Fuses
IGN 3 Fuses
IGN 3 Fuses
Figure 7:

Right Rear Heated Seat Switch


Object Number: 663375  Size: FS
Master Electrical Component List
Heated Seats Description and Operation
Right Rear Heated Seat 2 of 2
Left Rear Heated Seat 2 of 2
Figure 8:

Right Rear Heated Seat Switch


Object Number: 663376  Size: FS
Master Electrical Component List
Heated Seats Description and Operation
Right Rear Heated Seat 1 of 2
G301
G301
HVAC BLO, DRV MDL, PASS MDL, PWR TT, HTDST LR, HTDST RR, HTDST RF, and DIM Fuses
IGN 3 Fuses
IGN 3 Fuses