GM Service Manual Online
For 1990-2009 cars only
Figure 1:

OnStar (R) Power and Ground


Object Number: 663090  Size: FS
Master Electrical Component List
OnStar Description and Operation
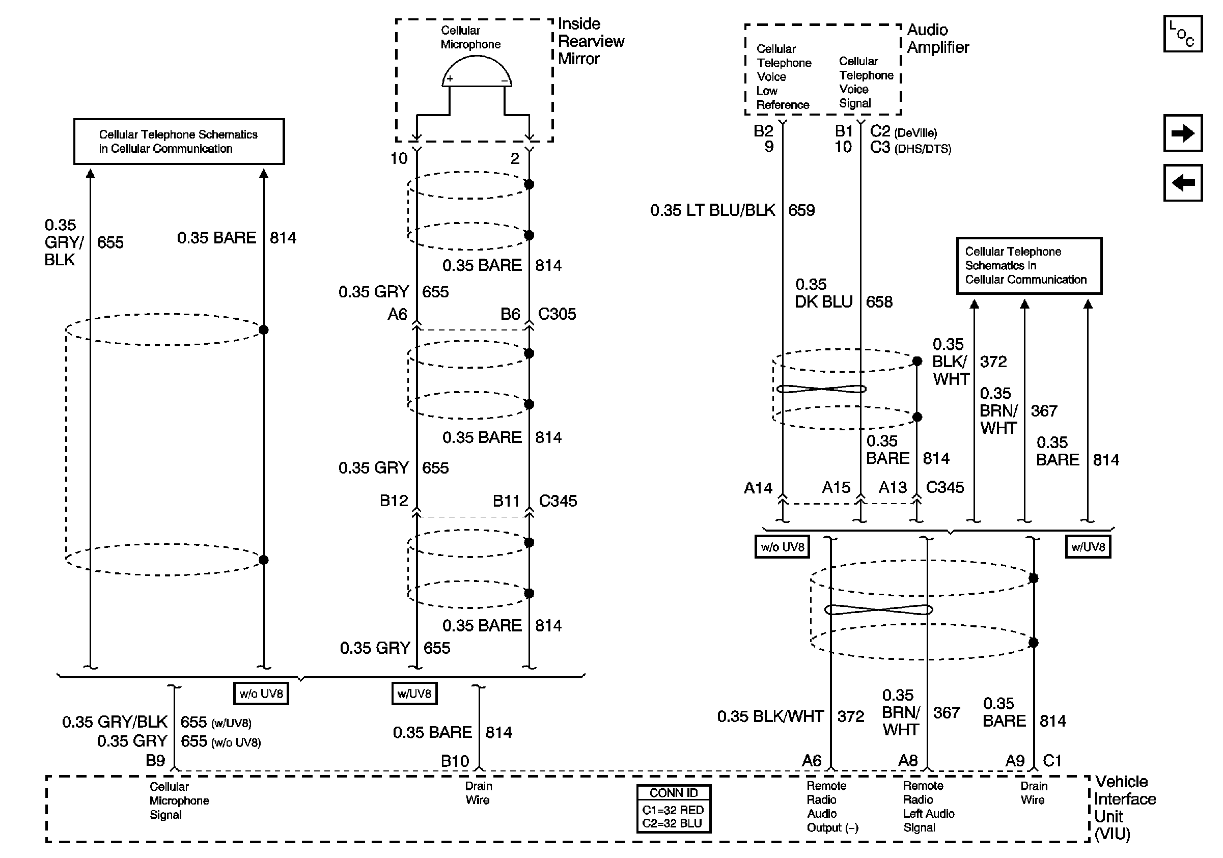
OnStar (R) Microphone and Keypad
G402 Headliner, Fuel Sender, V4U/B9Q
G402 Headliner, Fuel Sender, V4U/B9Q
G401
G401
DIMR and Audio Fuses
DIMR and Audio Fuses
Class 2 Serial Data (1 of 3)
Figure 2:

OnStar (R) Microphone and Keypad


Object Number: 663092  Size: FS
Master Electrical Component List
OnStar Description and Operation
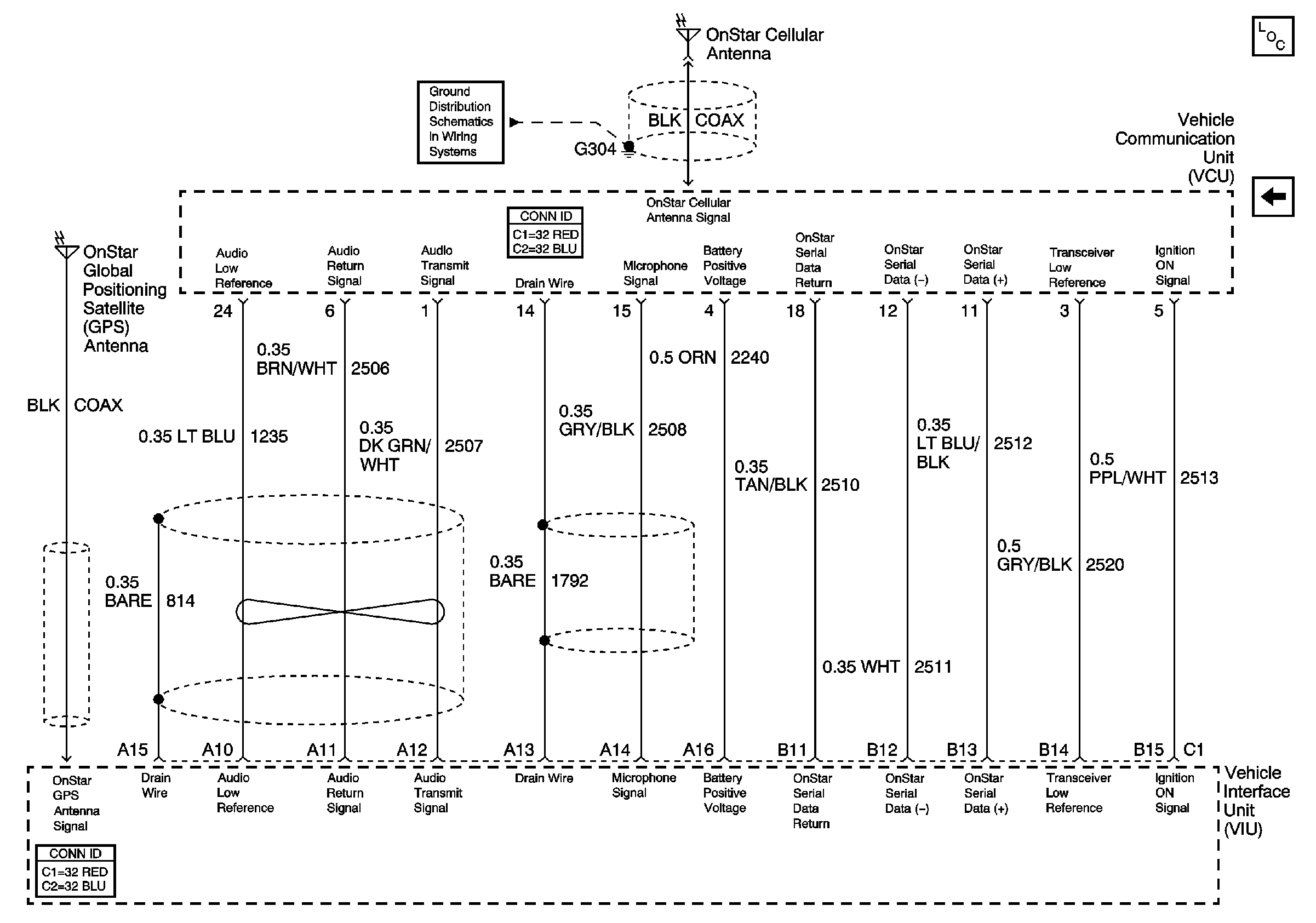
OnStar (R) VIU to VCU Signals
OnStar (R) Power and Ground
Voice Audio and Mic (w/UE1)
Figure 3:

OnStar (R) VIU to VCU Signals


Object Number: 663094  Size: FS
Master Electrical Component List
OnStar Description and Operation
OnStar (R) Microphone and Keypad