GM Service Manual Online
For 1990-2009 cars only
Makes
🢒
Cadillac
🢒
2001
🢒
DeVille
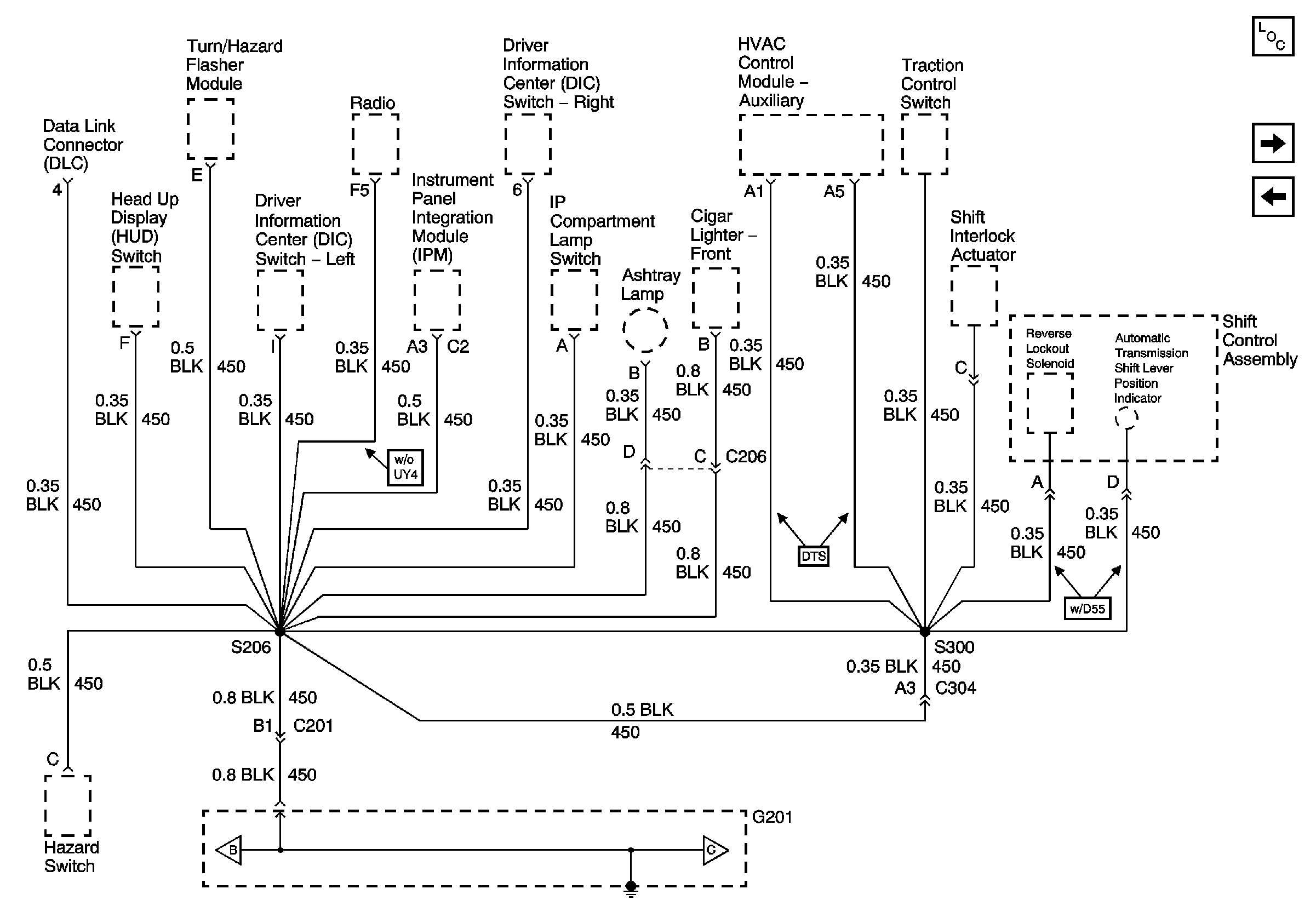
🢒 G201 IP Harness and Console Harness
G201 IP Harness and Console Harness
G201 IP Harness and Console Harness
Master Electrical Component List
G201,G202 CKT 451 Steering Column
G201