GM Service Manual Online
For 1990-2009 cars only
Makes
🢒
Cadillac
🢒
2001
🢒
DeVille
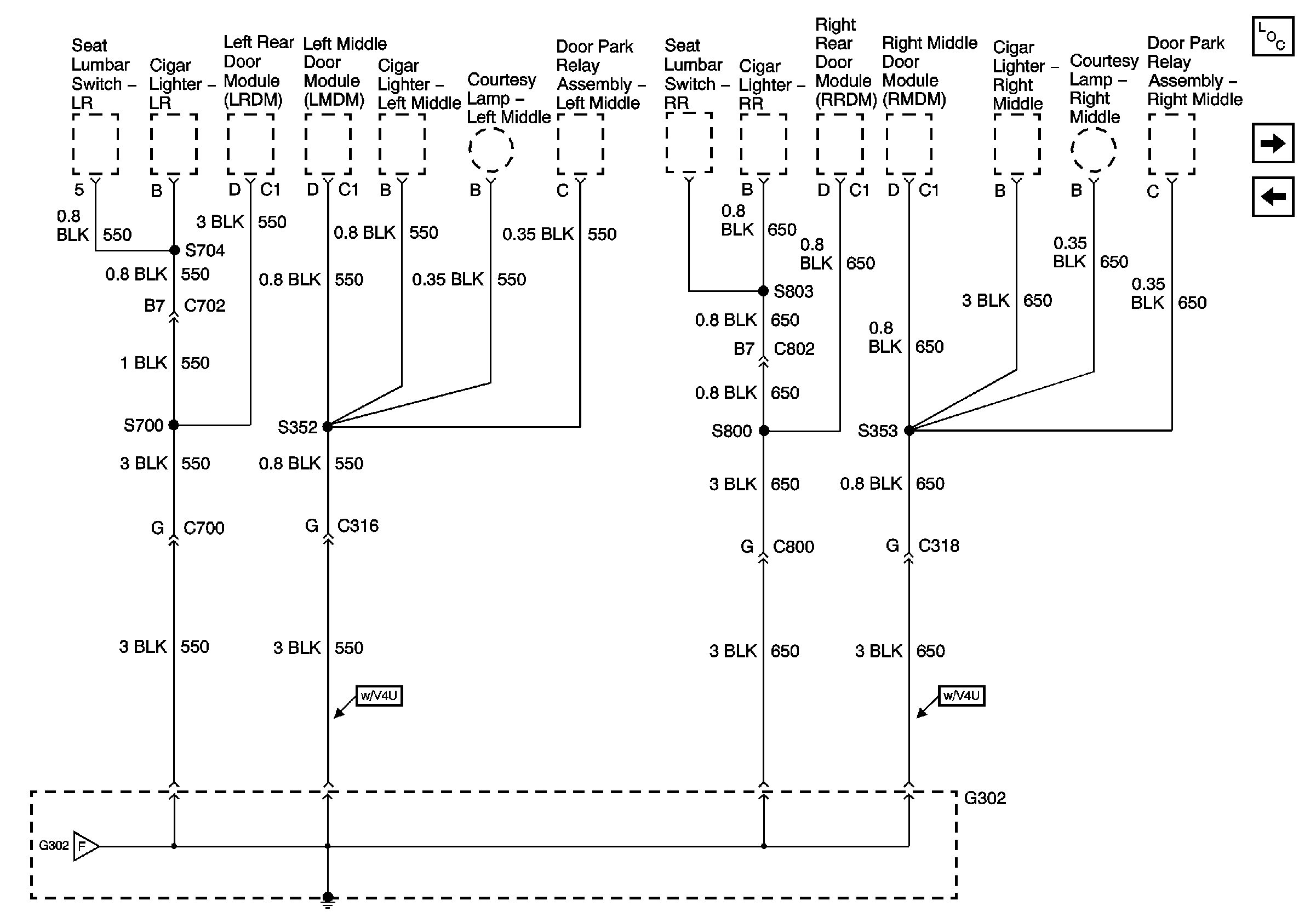
🢒 G302 V4U/B9Q
G302 V4U/B9Q
G302 V4U/B9Q
Master Electrical Component List
G401
G302 Left Front Seat