GM Service Manual Online
For 1990-2009 cars only
Makes
🢒
Cadillac
🢒
2001
🢒
DeVille
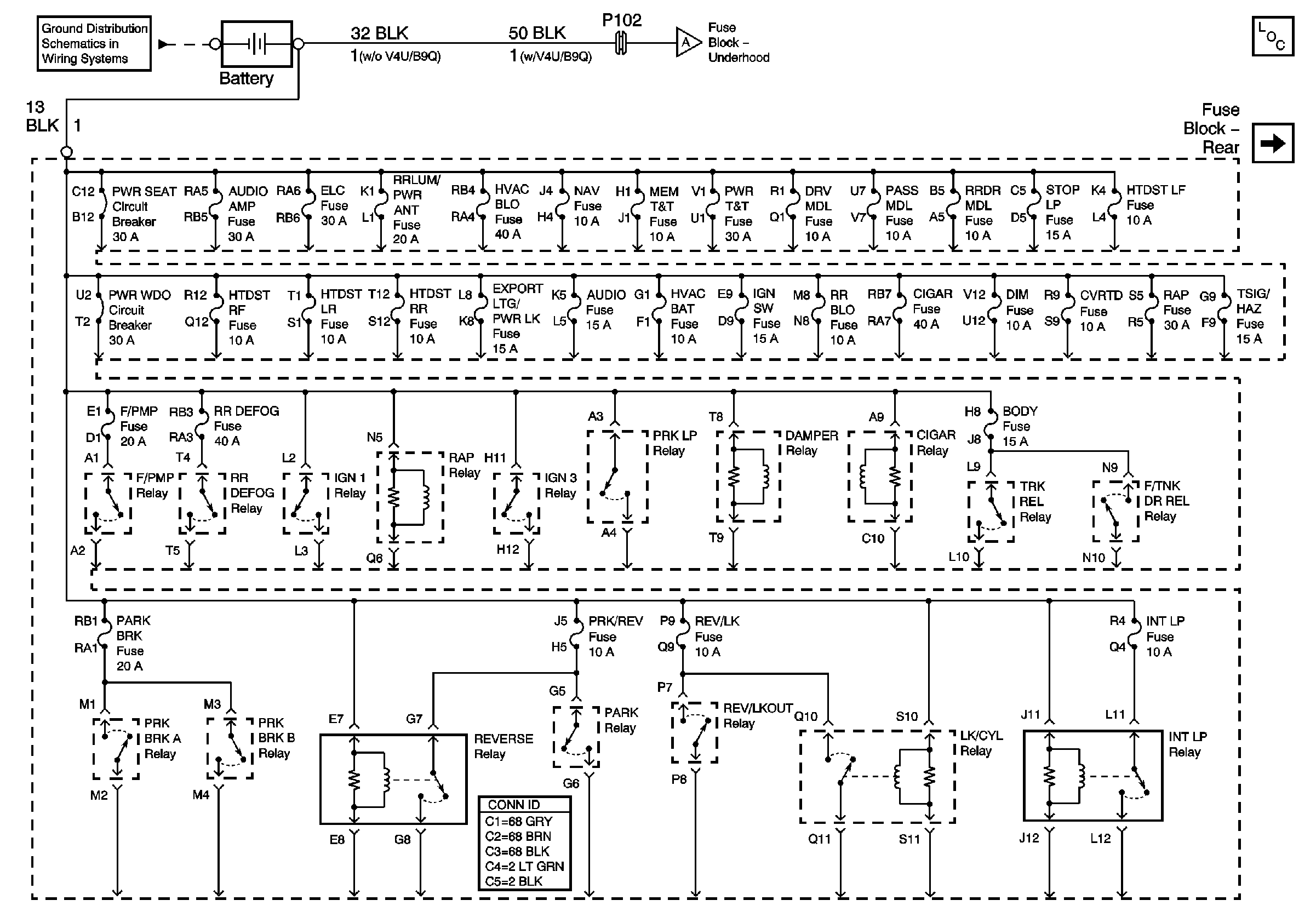
🢒 Rear Fuse Block Battery Voltage
Rear Fuse Block Battery Voltage
Rear Fuse Block Battery Voltage
Master Electrical Component List
Underhood Fuse Block Battery Voltage
G300,G303,G304,G306