GM Service Manual Online
For 1990-2009 cars only
Makes
🢒
Cadillac
🢒
2001
🢒
DeVille
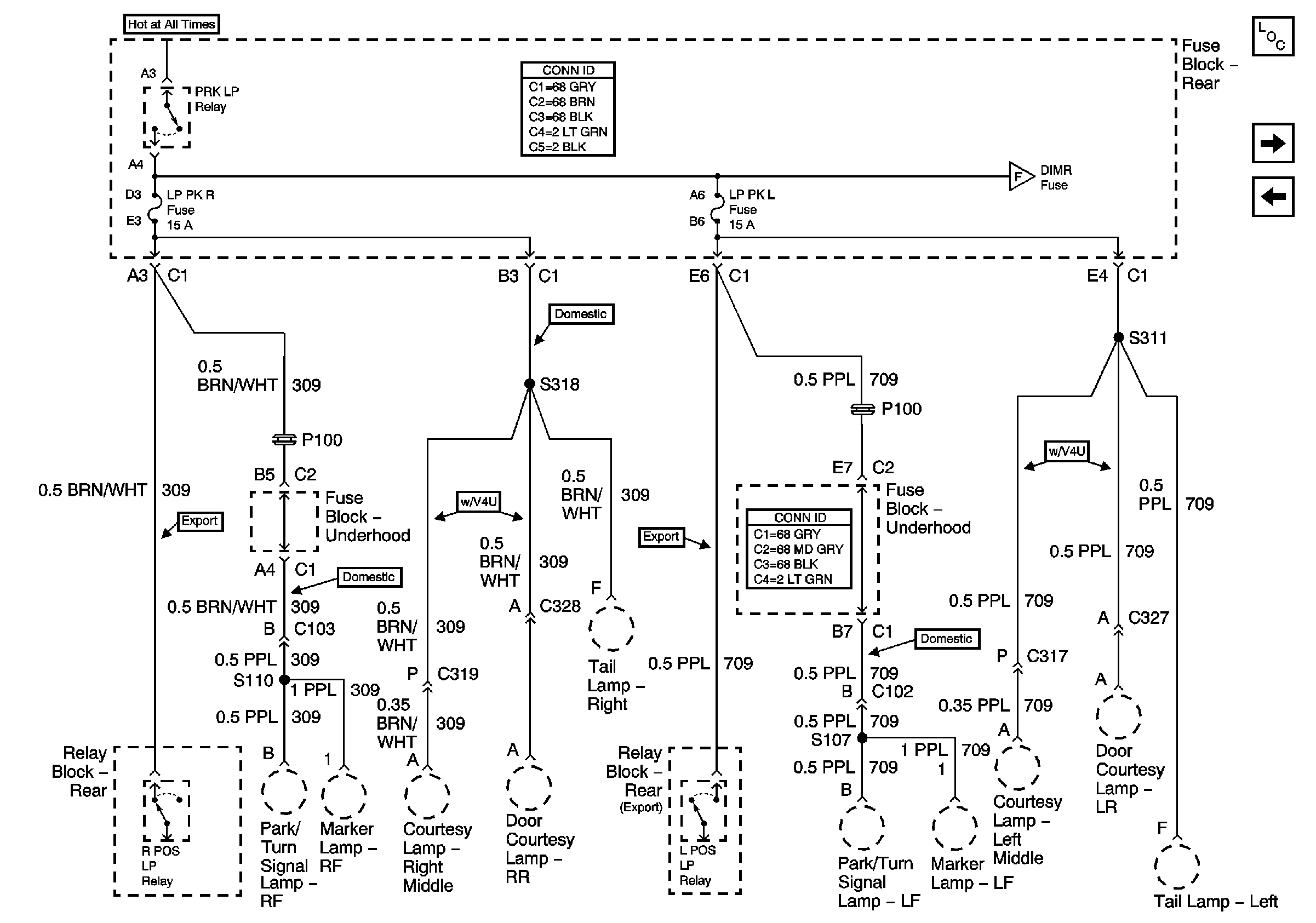
🢒 Right PRK LP and Left PRK LP Fuses
Right PRK LP and Left PRK LP Fuses
Right PRK LP and Left PRK LP Fuses
Master Electrical Component List
DIMR and Audio Fuses
SIR, Vent Sol, and IGN 1 Fuses