GM Service Manual Online
For 1990-2009 cars only
Makes
🢒
Cadillac
🢒
2001
🢒
DeVille
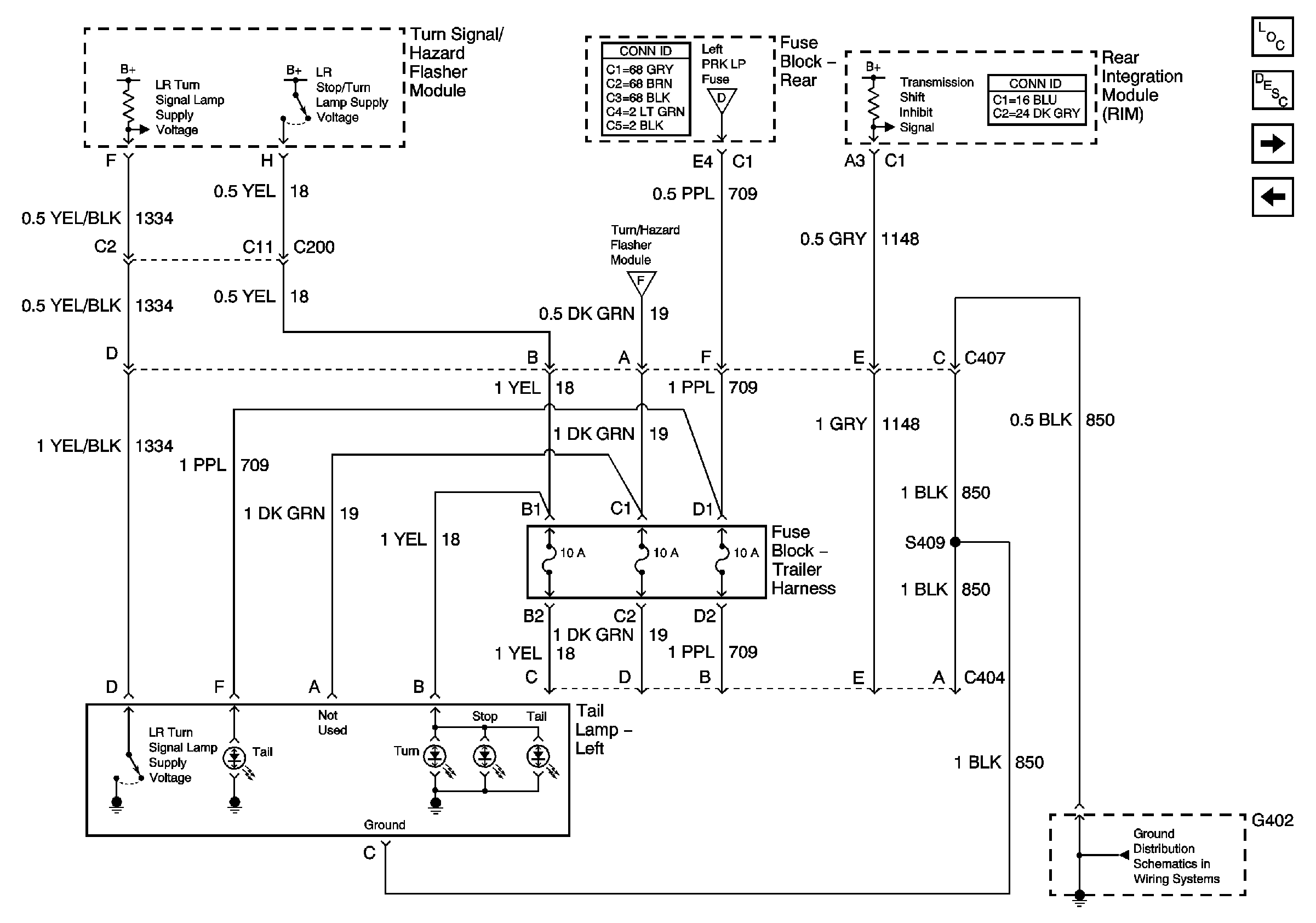
🢒 Left Tail Lamp
Left Tail Lamp
Left Tail Lamp
Master Electrical Component List
Exterior Lighting Systems Description and Operation
Front Park/Turn and Side Marker Lamps
Right Tail Lamp
G402 Headliner, Fuel Sender, V4U/B9Q