GM Service Manual Online
For 1990-2009 cars only
Makes
🢒
Cadillac
🢒
2001
🢒
DeVille
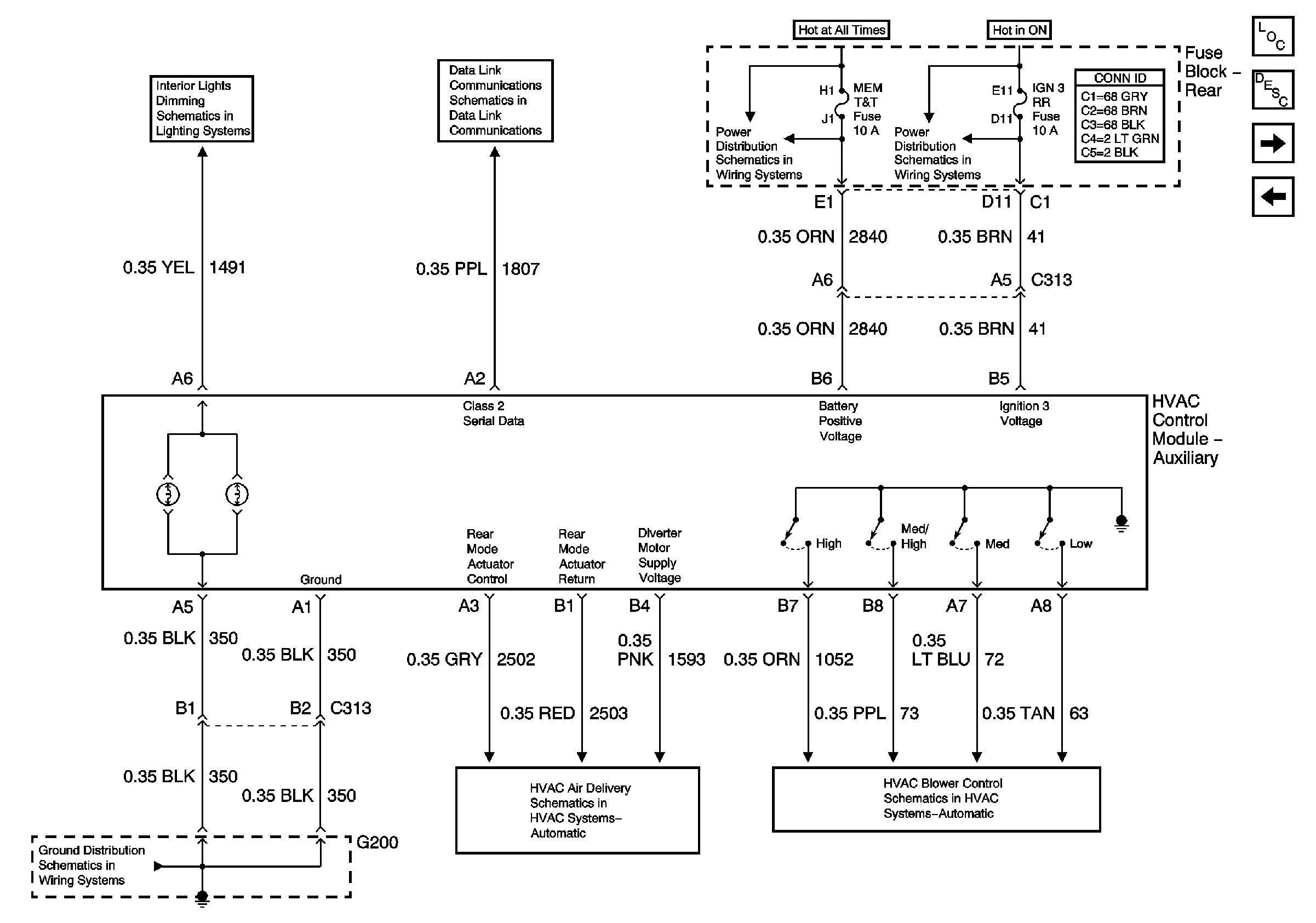
🢒 Rear Heater and A/C Control Module (DeVille/DHS)
Rear Heater and A/C Control Module (DeVille/DHS)
Rear Heater and A/C Control Module (DeVille/DHS)
Master Electrical Component List
Body Control System Description and Operation
Rear Heater and A/C Control Module (DTS)
Rear Integration Module (RIM) - Level Control and Other Inputs and Outputs
IGN 3 Fuses
MEM TT, RRLUM/ANT, and HTDST LF Fuses
Class 2 Serial Data (2 of 3)
Instrument Panel Dimming
G200
Rear Actuator-DeVille/DHS
Rear Blower Motor-Deville/DHS