GM Service Manual Online
For 1990-2009 cars only
Makes
🢒
Cadillac
🢒
2001
🢒
DeVille
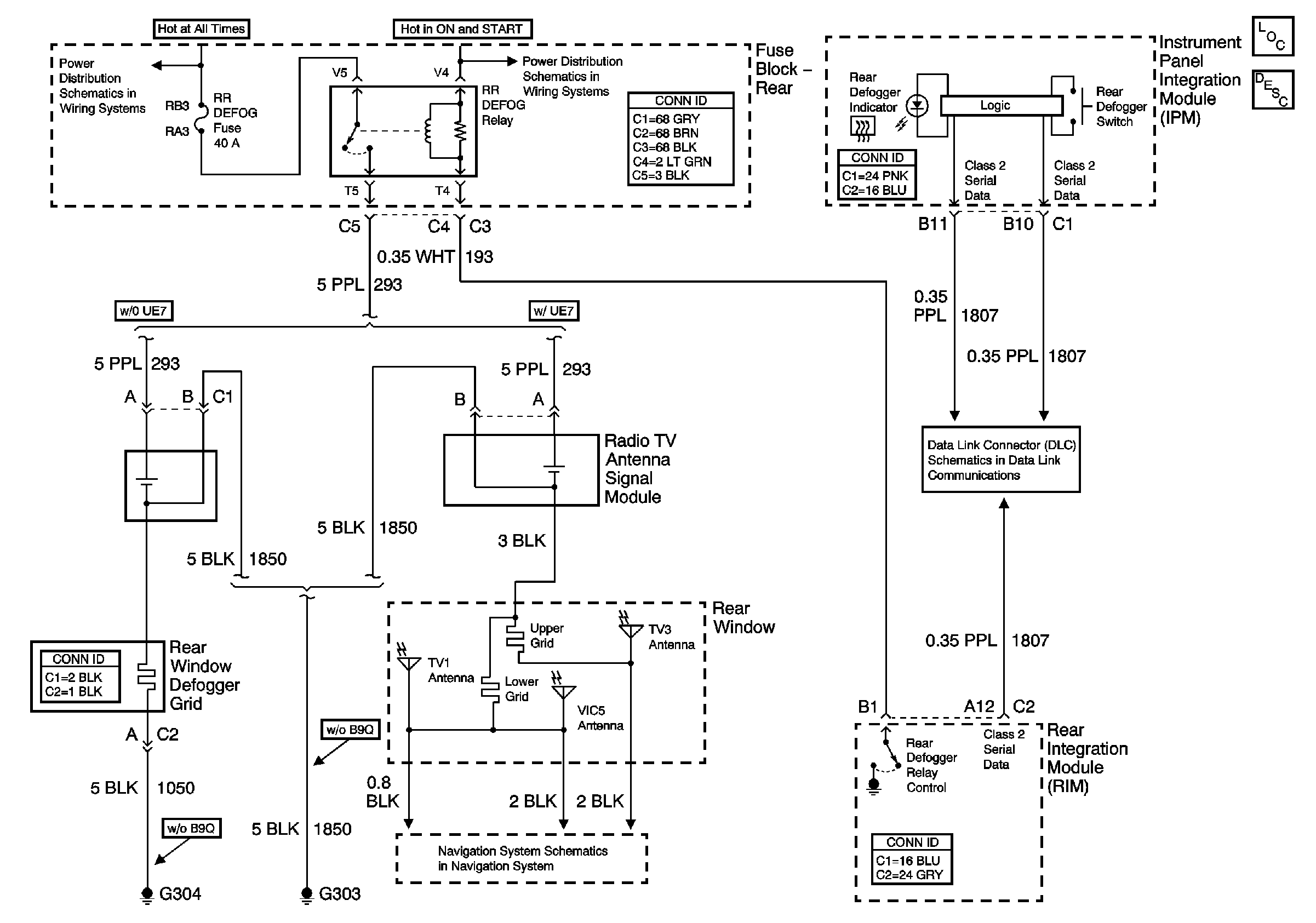
🢒 Defogger (w/o B9Q)
Defogger (w/o B9Q)
Defogger (w/o B9Q)
Master Electrical Component List
Rear Window Defogger Description and Operation
Class 2 Serial Data (1 of 3)
Antennas
PRK/REV, PRK BRK, and RR DEFOG Fuses
PRK/REV, PRK BRK, and RR DEFOG Fuses