GM Service Manual Online
For 1990-2009 cars only
Makes
🢒
Cadillac
🢒
2003
🢒
DeVille
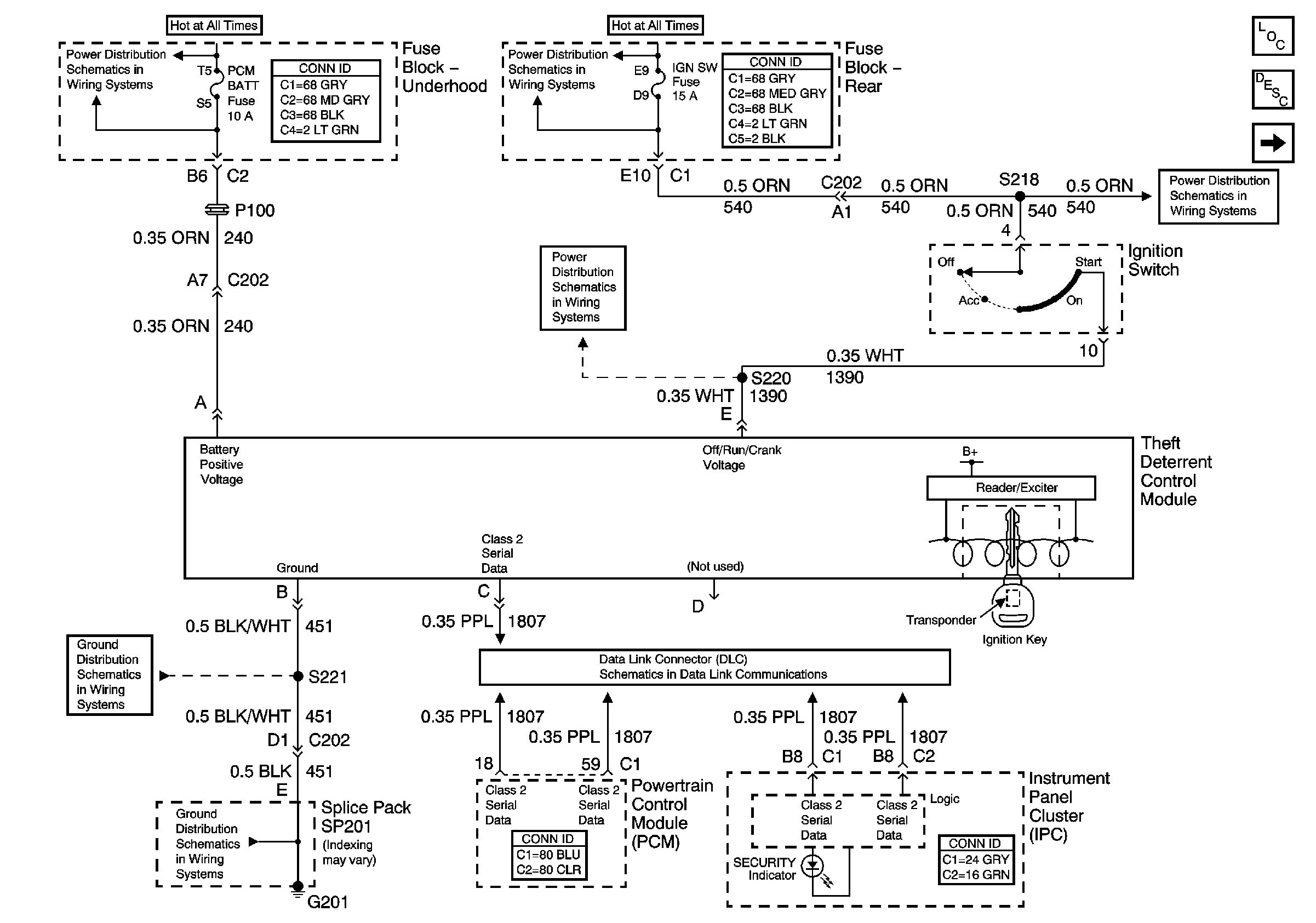
🢒 VTD System
VTD System
Vehicle Theft Deterrent (VTD) System
Master Electrical Component List
Theft Systems Description and Operation
CTD System Inputs and Outputs
Underhood Fuse Block- ALDL, PCM BATT, and I/P Fuse
Rear Fuse Block- RR BLO, RRDR MDL, HVAC BAT, STOP LP, IGN SW, TSIG/HAZ Fuse
Ignition Switch
Ignition Switch
G201 (1 of 3)
G201 (1 of 3)
Class 2 Serial Data (3 of 3)