GM Service Manual Online
For 1990-2009 cars only
Makes
🢒
Cadillac
🢒
2004
🢒
DeVille
🢒
Suspension
🢒
Automatic Level Control
🢒 Automatic Level Control Schematics
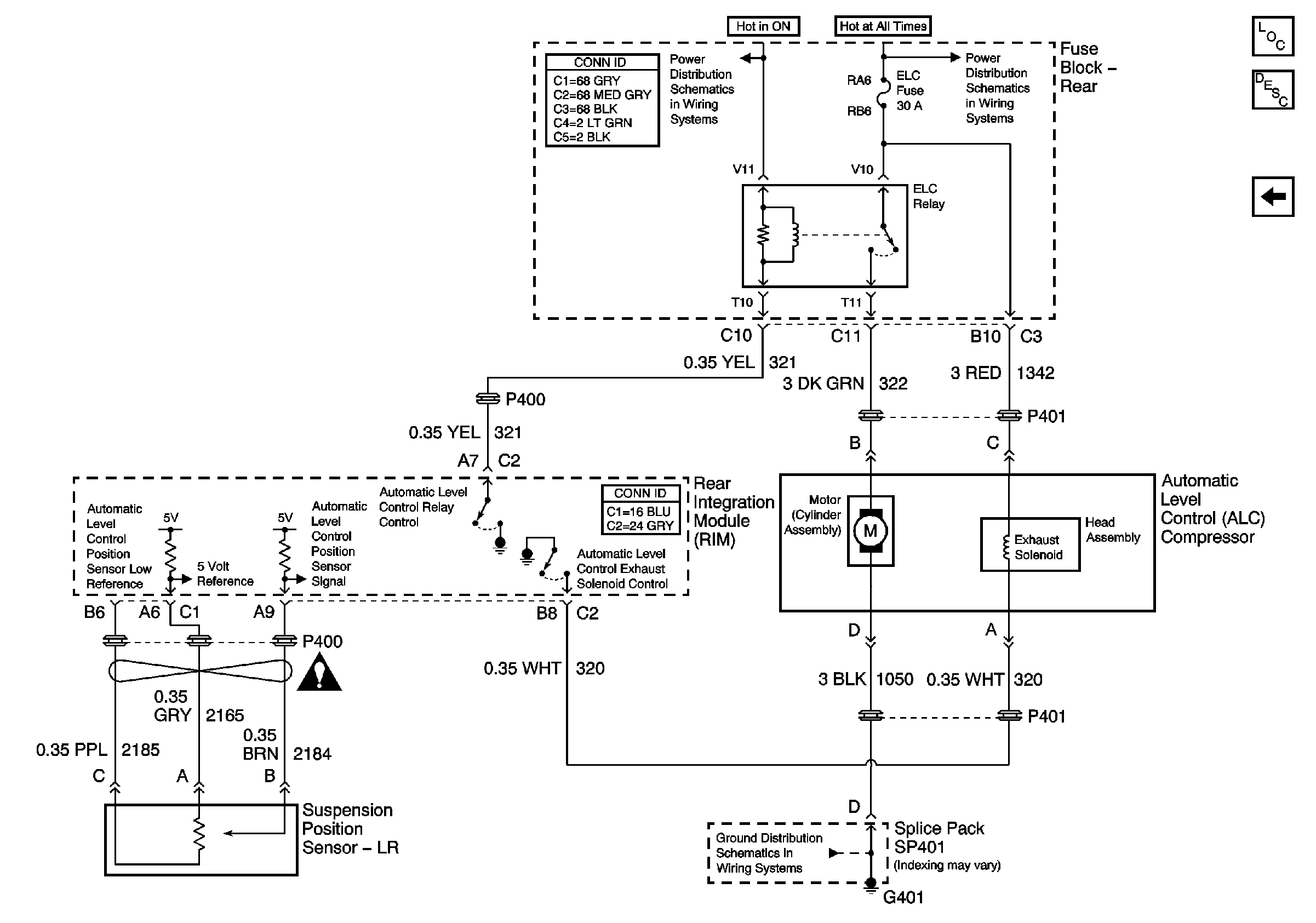
Figure
1:
w/F45
Master Electrical Component List
Automatic Level Control Description and Operation w/F45
w/o F45
G401
Ignition Feeds to Underhood and Rear Fuse Blocks
Rear Fuse Block- ELC, NIGHT VISION, HVAC, ABS Fuses
Figure
2:
w/o F45
Master Electrical Component List
Automatic Level Control Description and Operation w/o F45
w/ F45
G401
Automatic Level Control Schematic Icons
Ignition Feeds to Underhood and Rear Fuse Blocks
Rear Fuse Block- ELC, NIGHT VISION, HVAC, ABS Fuses