GM Service Manual Online
For 1990-2009 cars only
Makes
🢒
Cadillac
🢒
2004
🢒
DeVille
🢒
Steering
🢒
Steering Wheel and Column
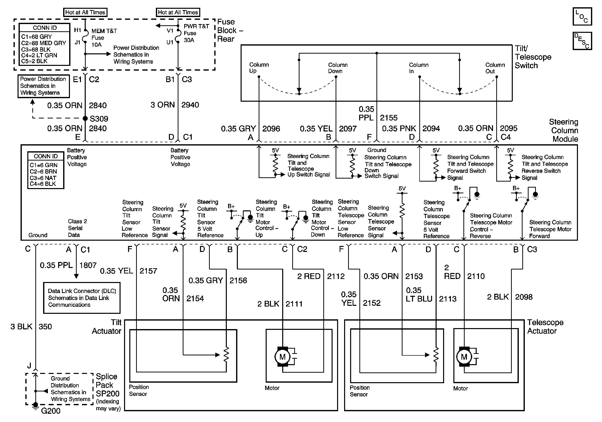
🢒 Tilt/Telescoping Steering Column Schematics
Master Electrical Component List
Steering Wheel and Column Description and Operation
G200
Class 2 Serial Data (3 of 3)
Rear Fuse Block- MEM TT, RRLUM/PWR ANT, HTDST LF Fuses
Rear Fuse Block- HVAC BLO, DRV MDL, PASS MDL, PWR TT, HTDST LR, HTDST RR, HTDST RF, DIM Fuses
Rear Fuse Block- MEM TT, RRLUM/PWR ANT, HTDST LF Fuses