GM Service Manual Online
For 1990-2009 cars only
Makes
🢒
Cadillac
🢒
2004
🢒
DeVille
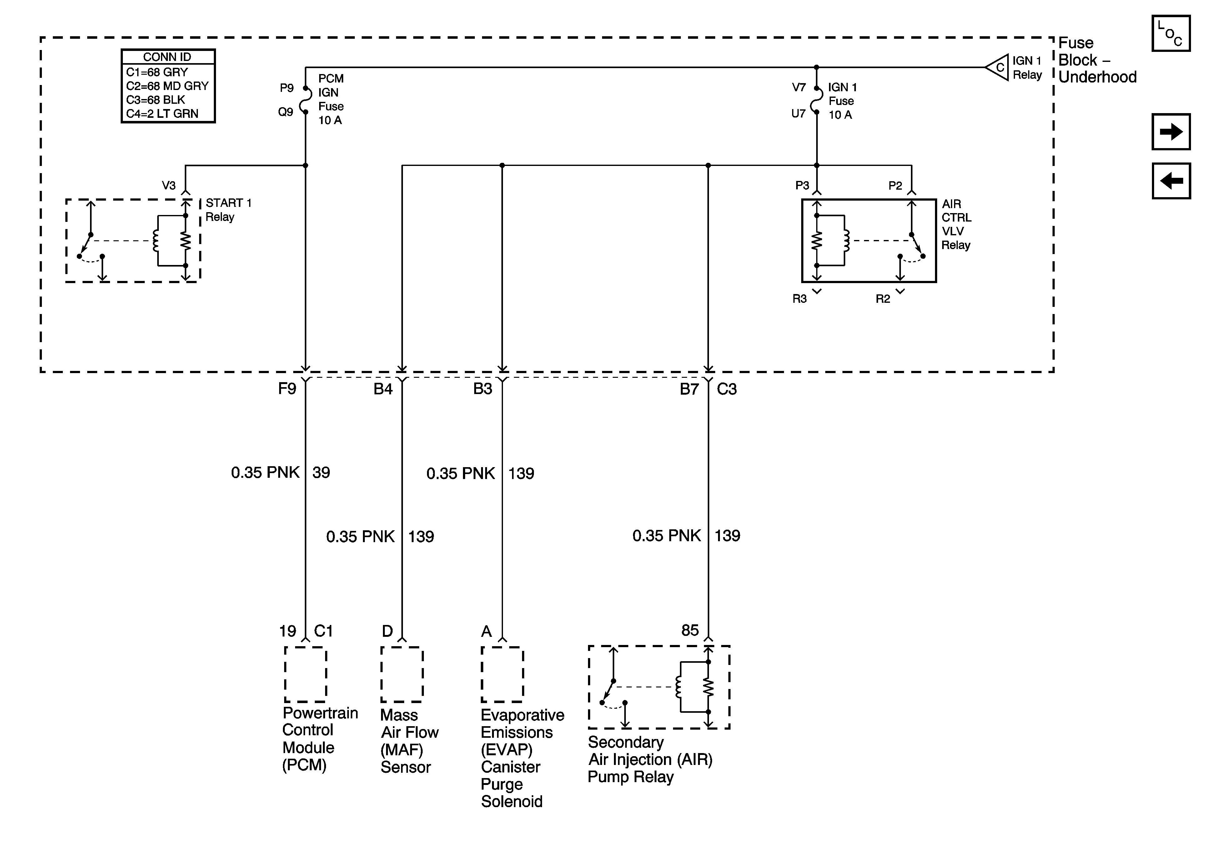
🢒 Underhood Fuse Block- PCM IGN and IGN1 Fuses
Underhood Fuse Block- PCM IGN and IGN1 Fuses
PCM IGN and IGN 1 Fuses
Master Electrical Component List
Underhood Fuse Block- ACCY and HDLP Relays
Underhood Fuse Block- INJR 1 and INJR 2 Fuses
Underhood Fuse Block- OXY SEN, CR CONT, MDL COIL, TRANS Fuses