GM Service Manual Online
For 1990-2009 cars only
Makes
🢒
Cadillac
🢒
2004
🢒
DeVille
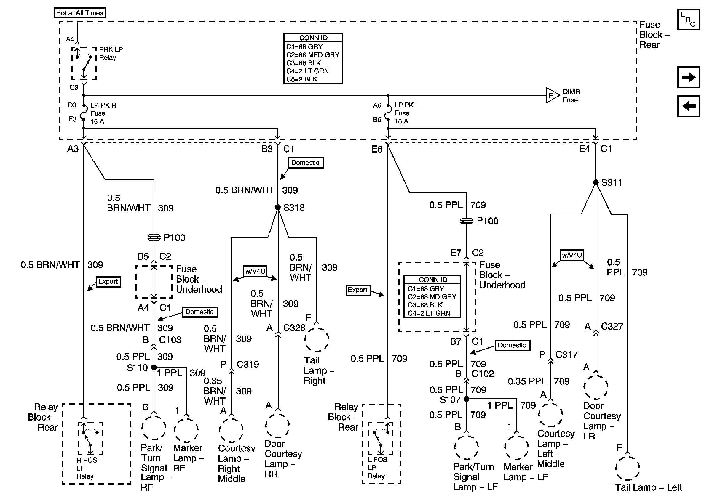
🢒 Rear Fuse Block- LP PK R and LP PK L Fuses, PRK LP Relay
Rear Fuse Block- LP PK R and LP PK L Fuses, PRK LP Relay
Right PRK LP and Left PRK LP Fuses
Master Electrical Component List
Rear Fuse Block- DIMR, S-DAR, and AUDIO Fuses
Rear Fuse Block- SIR, VENT SOL, IGN 1Fuse
Rear Fuse Block- DIMR, S-DAR, and AUDIO Fuses