GM Service Manual Online
For 1990-2009 cars only
Makes
🢒
Cadillac
🢒
2004
🢒
DeVille
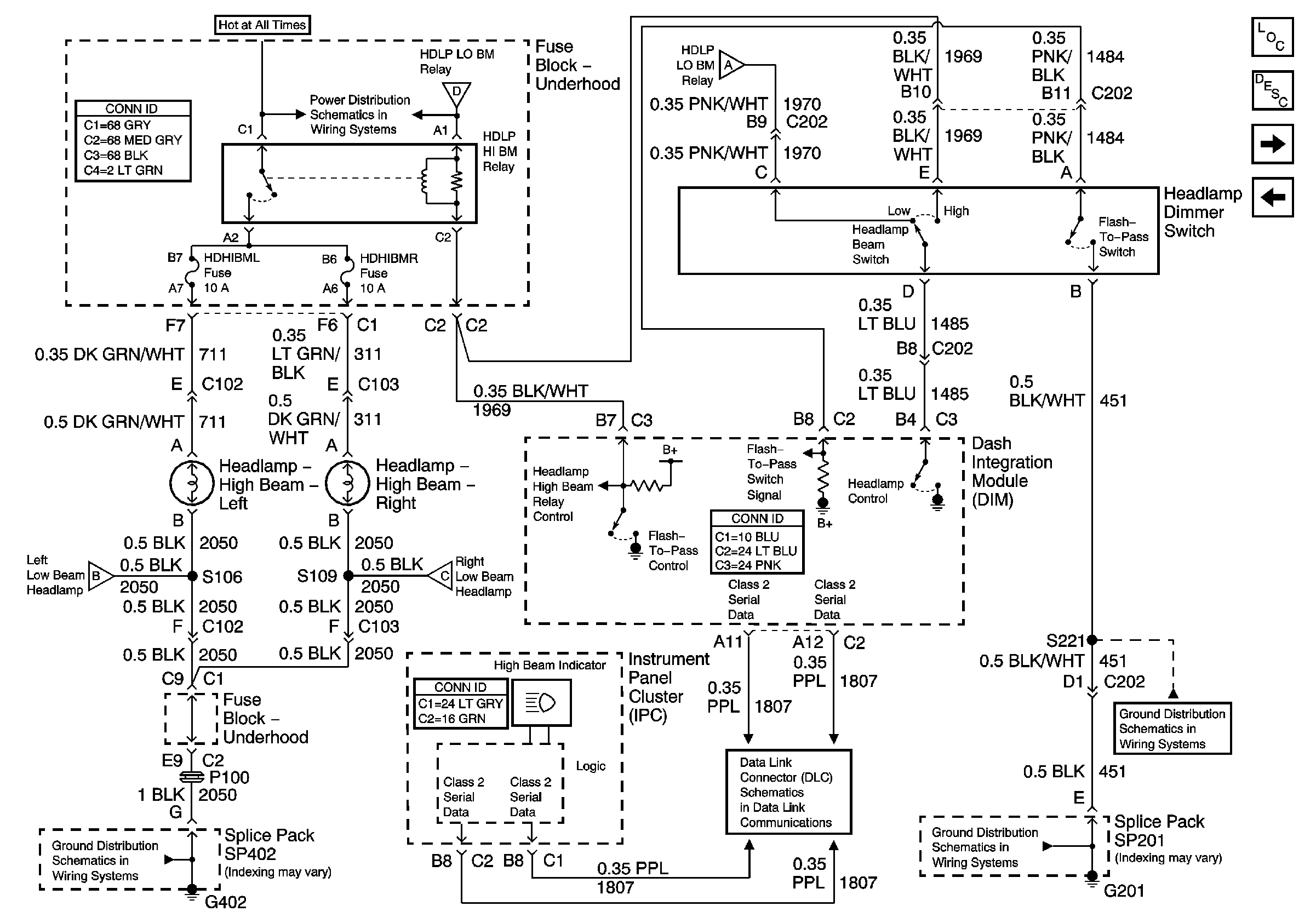
🢒 High Beam Headlamps (Domestic)
High Beam Headlamps (Domestic)
High Beam Headlamps (Domestic)
Master Electrical Component List
Exterior Lighting Systems Description and Operation
Headlamp Switch (Export)
Low Beam Headlamps (Domestic)
G201 (1 of 3)
G201 (1 of 3)
Class 2 Serial Data (1 of 3)
G402 (2 of 2)
Low Beam Headlamps (Domestic)
Low Beam Headlamps (Domestic)
Underhood Fuse Block- ACCY and HDLP Relays
Low Beam Headlamps (Domestic)
Low Beam Headlamps (Domestic)