GM Service Manual Online
For 1990-2009 cars only
Makes
🢒
Cadillac
🢒
2004
🢒
DeVille
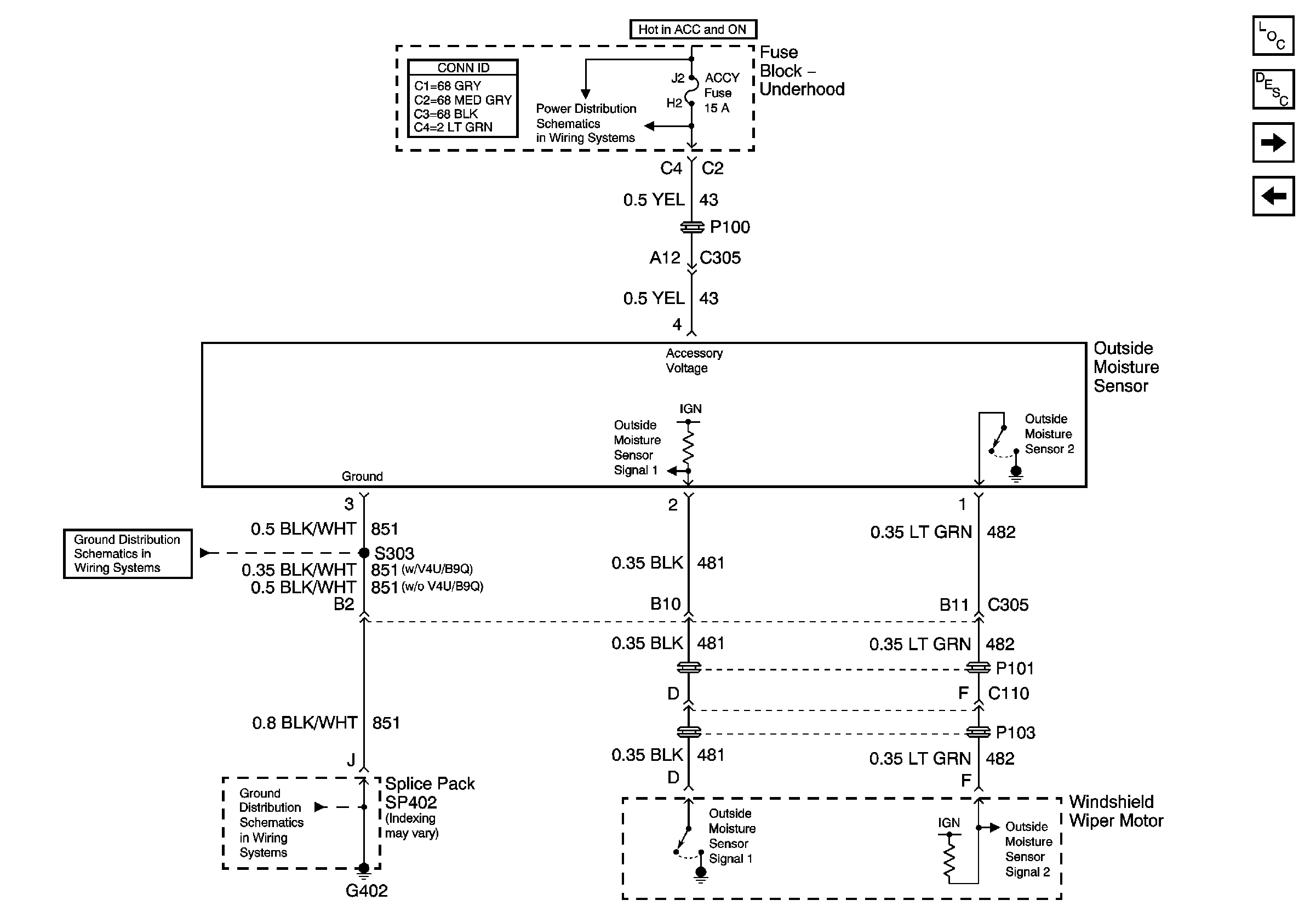
🢒 Outside Moisture Sensor
Outside Moisture Sensor
Outside Moisture Sensor
Master Electrical Component List
Wiper/Washer System Description and Operation
Windshield Washer Fluid Level Switch
Wiper/Washer Switch and Pump
G402 (2 of 2)
G402 (2 of 2)
Underhood Fuse Block- ACCY and HDLP Relays