GM Service Manual Online
For 1990-2009 cars only
Makes
🢒
Cadillac
🢒
2004
🢒
DeVille
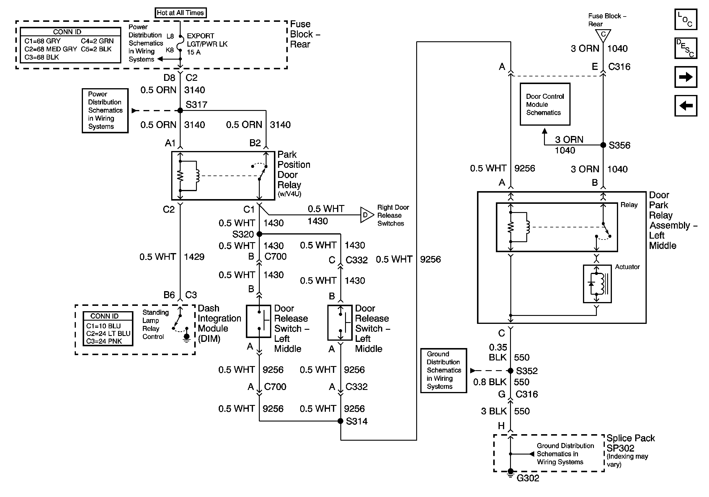
🢒 Power Door Lock Middle Door Release (w/V4U) (1 of 2)
Power Door Lock Middle Door Release (w/V4U) (1 of 2)
Power Door Locks Middle Door Release (w/V4U) 1 of 2
Master Electrical Component List
Power Door Locks Description and Operation
Power Door Locks Middle Door Release (w/ V4U) (2 of 2)
Right Rear Door Power Door Lock (w/o B9Q)
G302 (3 of 3)
G302 (3 of 3)
Left Middle Door Module (LMDM)
Power Door Locks Middle Door Release (w/ V4U) (2 of 2)
Rear Fuse Block- AUDIO AMP, EXPORT LTG/PWR LK Fuses