GM Service Manual Online
For 1990-2009 cars only
Makes
🢒
Cadillac
🢒
2004
🢒
DeVille
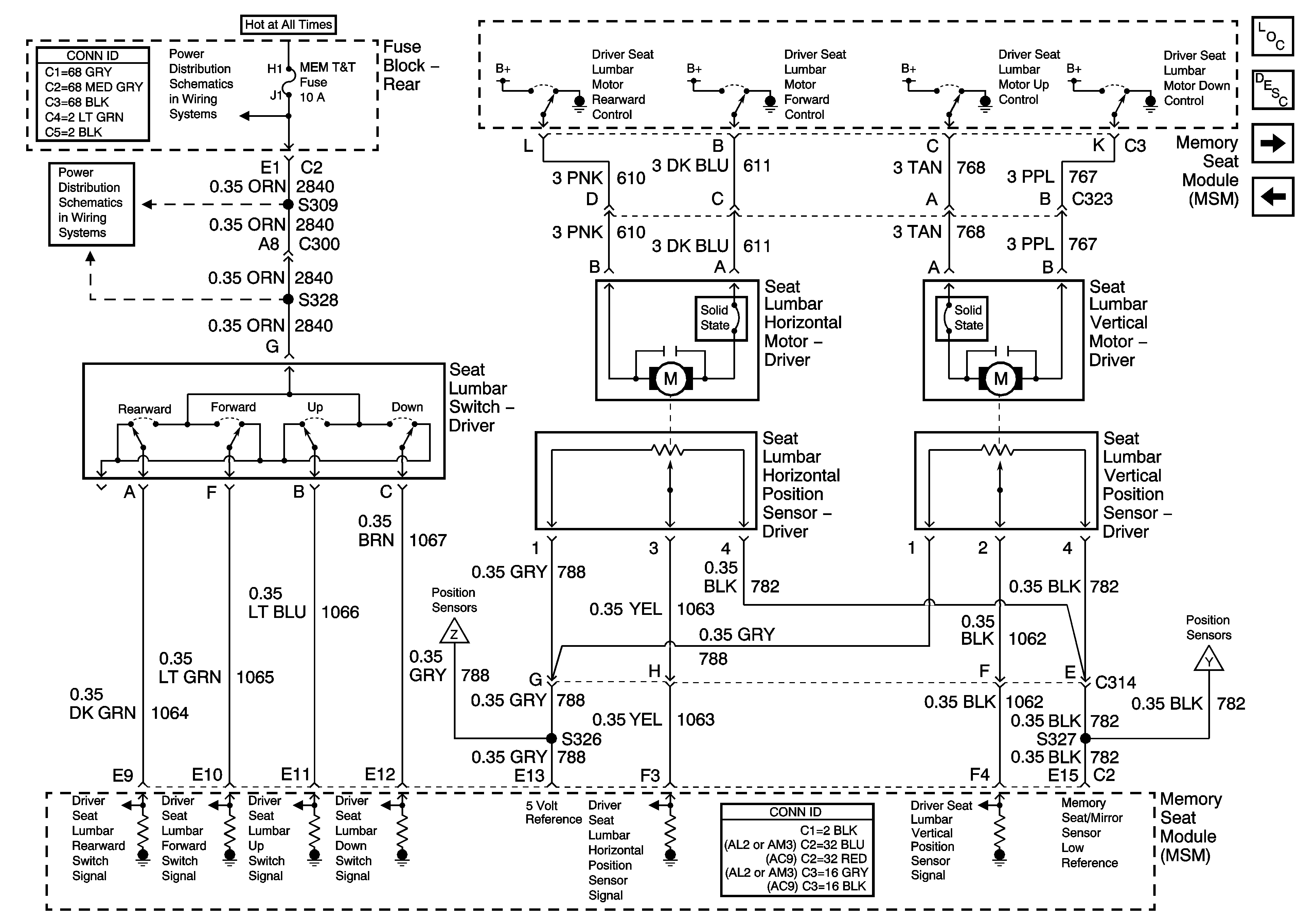
🢒 Memory Lumbar Seat (w/ A45/AL2)
Memory Lumbar Seat (w/ A45/AL2)
Memory Lumbar Seat (w/A45/AL2)
Master Electrical Component List
Lumbar Support Description and Operation with A45
Seat Switch w/ Memory Massaging Lumbar (w/ A45/AM3)
Massaging Lumbar Seat (w/ AM3)
Vertical and Horizontal Position Sensors (w/ A45)
Vertical and Horizontal Position Sensors (w/ A45)
Rear Fuse Block- MEM TT, RRLUM/PWR ANT, HTDST LF Fuses
Rear Fuse Block- MEM TT, RRLUM/PWR ANT, HTDST LF Fuses