GM Service Manual Online
For 1990-2009 cars only
Makes
🢒
Cadillac
🢒
2004
🢒
DeVille
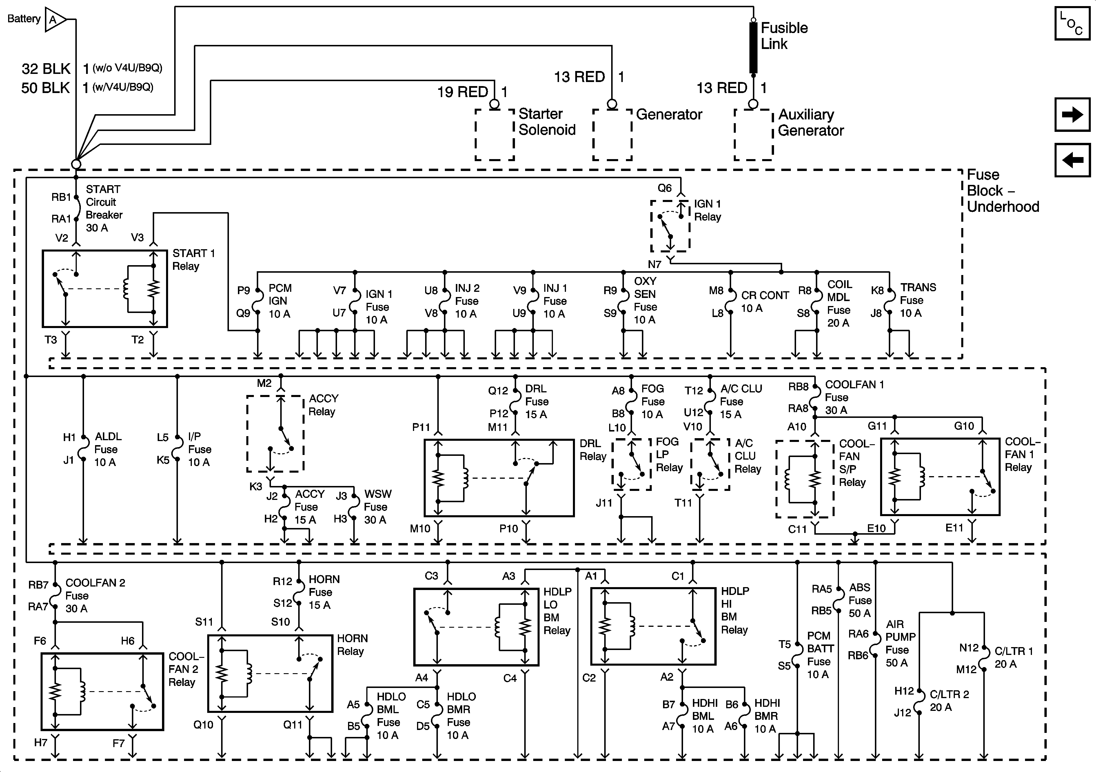
🢒 Underhood Fuse Block Battery Voltage
Underhood Fuse Block Battery Voltage
Underhood Fuse Block Battery Voltage
Master Electrical Component List
Oxy Sen, CR Cont, MDL Coil, Trans Fuses
Rear Fuse Block Battery Voltage
Rear Fuse Block Battery Voltage