GM Service Manual Online
For 1990-2009 cars only
Makes
🢒
Cadillac
🢒
2004
🢒
DeVille
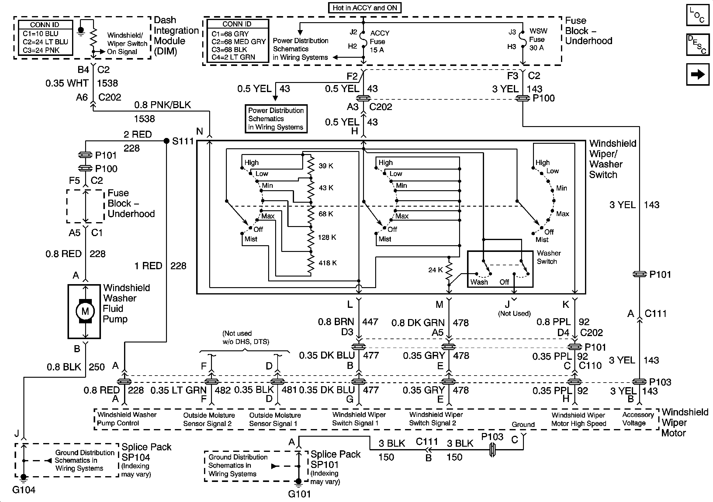
🢒 Wiper/Washer Switch and Pump
Wiper/Washer Switch and Pump
Wiper/Washer Switch and Pump
Master Electrical Component List
Wiper/Washer System Description and Operation
Outside Moisture Sensor
G101
G104
DRL, FOG, AC CLU, ACCY, Wiper, Headlamps