GM Service Manual Online
For 1990-2009 cars only
Makes
🢒
Cadillac
🢒
2004
🢒
DeVille
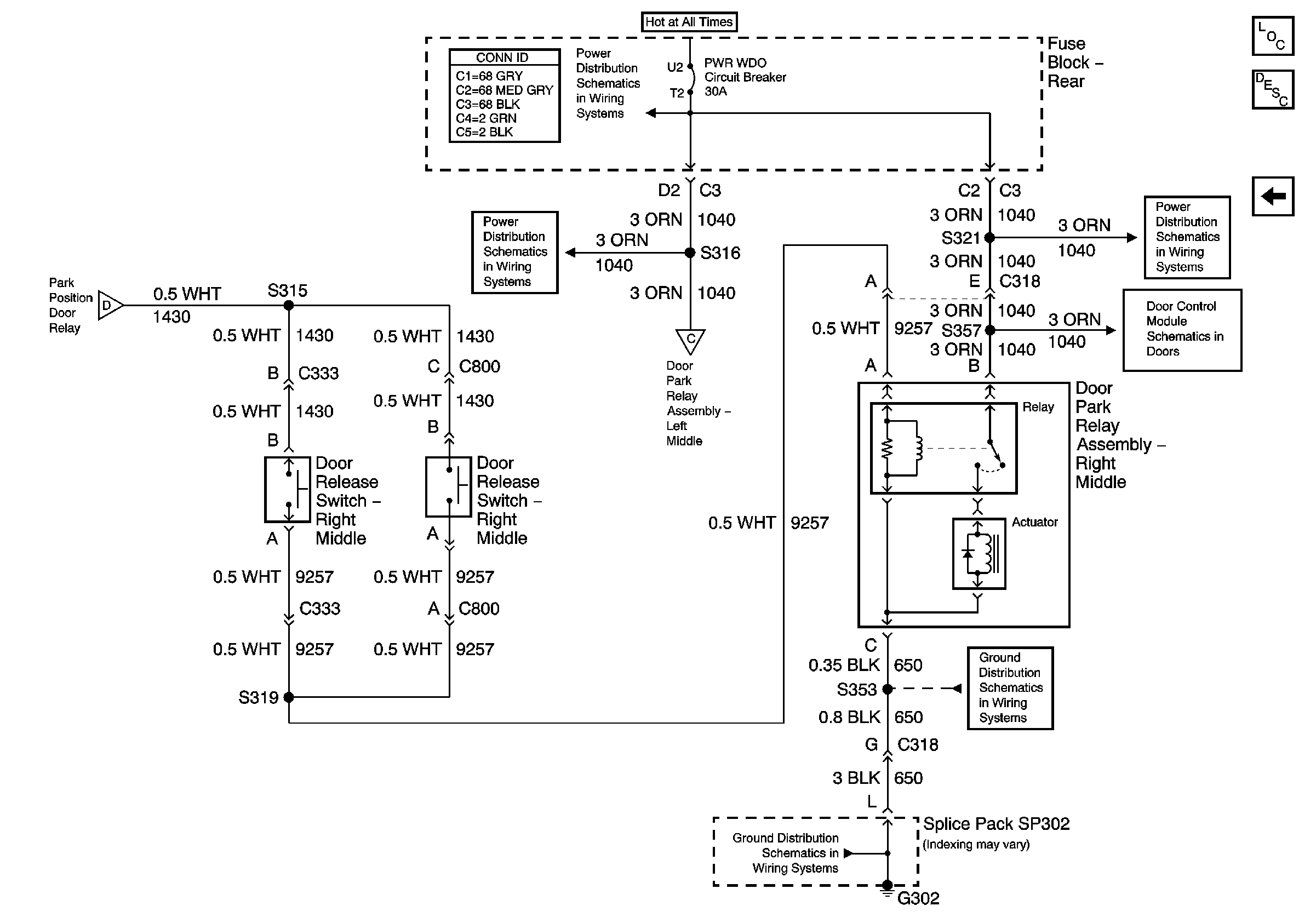
🢒 Power Door Locks Middle Door Release (w/V4U) 2 of 2
Power Door Locks Middle Door Release (w/V4U) 2 of 2
Power Door Locks Middle Door Release (w/V4U) 2 of 2
Master Electrical Component List
Power Door Locks Description and Operation
Power Door Locks Middle Door Release (w/V4U) 1 of 2
PWR Window Circuit Breaker
Right Middle Door Module (RMDM) Power, Ground Inputs and Outputs
G302 3 of 3
Power Door Locks Middle Door Release (w/V4U) 1 of 2
G302 3 of 3
PWR Window Circuit Breaker
Power Door Locks Middle Door Release (w/V4U) 1 of 2