GM Service Manual Online
For 1990-2009 cars only

Tools Required

    • EN 46109 Guide Pins
    • J 39946 Crankshaft Socket - 4.0L and 4.6L
    • J 45059 Angle Meter

    Object Number: 1373496  Size: SH
  1. Place a 5 mm (0.197 in) spot of RTV sealant GM P/N 12378521 or equivalent (1) at the two points where the crankshaft rear oil seal meets the split line of the engine block.

  2. Object Number: 1373497  Size: SH

    Important: Ensure components being sealed with RTV are assembled within 20 minutes. Components assembled after the RTV has skinned-over, approximately 20 minutes, will not seal properly.

  3. Completely fill and slightly overfill the engine block seal groove with a continuous bead of RTV sealant GM P/N 12378521 or equivalent.
  4. Ensure the RTV sealant GM P/N 12378521 or equivalent bead is higher then the rail surface (1) by 3 mm (0.118 in).

  5. Object Number: 1373498  Size: SH
  6. Using a suitable tool spread the sealant in the area near the oil drain back passages (1) away from the oil drain back passages toward the outboard edge of the rail surface.

  7. Object Number: 1373499  Size: SH
  8. To prevent shifting of the lower crankcase install one of the EN 46109 into a bolt hole in each rail.

  9. Object Number: 1373506  Size: SH
  10. Install the cleaned lower crankcase onto the engine.

  11. Object Number: 1373509  Size: SH
  12. Using a rubber mallet gently tap the lower crankcase into position.
  13. Remove both of the EN 46109 .

  14. Object Number: 204167  Size: SH
  15. Loosely install the crankcase perimeter bolts on the right side.

  16. Object Number: 880592  Size: SH
  17. Loosely install the crankcase perimeter bolts on the left side.

  18. Object Number: 1373512  Size: SH
  19. Using a small long blade screwdriver clean out any sealant in the oil drain back passages (1).

  20. Object Number: 1650749  Size: SH

    Important: Ensure components being sealed with RTV are assembled within 20 minutes. Components assembled after the RTV has skinned-over, approximately 20 minutes, will not seal properly.

  21. Using a NEW oil distribution plate place a continuous 3 mm (0.118 in) wide bead of RTV sealant GM P/N 12378521 or equivalent on top of the outer seal (1) of the oil distribution plate place.

  22. Object Number: 1373514  Size: SH
  23. To prevent shifting of the oil distribution plate install one of the EN 46109 into a bolt hole in each side of the lower crankcase.

  24. Object Number: 1373515  Size: SH
  25. Install the NEW oil distribution plate.
  26. 15. Remove both of the EN 46109 .

  27. Object Number: 1373517  Size: SH

    Notice: Use the correct fastener in the correct location. Replacement fasteners must be the correct part number for that application. Fasteners requiring replacement or fasteners requiring the use of thread locking compound or sealant are identified in the service procedure. Do not use paints, lubricants, or corrosion inhibitors on fasteners or fastener joint surfaces unless specified. These coatings affect fastener torque and joint clamping force and may damage the fastener. Use the correct tightening sequence and specifications when installing fasteners in order to avoid damage to parts and systems.

  28. Install the oil distribution plate bolts.
  29. Tighten
    Tighten the oil distribution plate bolts to 10 N·m (89 lb in).


    Object Number: 1373518  Size: SH
  30. Using a small long blade screwdriver clean out any sealant in the oil drain back passages.

  31. Object Number: 204586  Size: SH
  32. Install the crankshaft oil scraper plate.
  33. Install the main bearing bolts. Ensure the stud-head bolt (1) used for the oil suction tube support bracket is placed in the proper position.

  34. Object Number: 639603  Size: SH
  35. Tighten the main bearing bolts in the proper sequence.
  36. 20.1. First Pass

    Tighten
    Tighten the main bearing bolts (1-20) to 20 N·m (15 lb ft ) in the proper sequence.

    20.2. Final Pass

    Tighten
    Tighten the main bearing bolts (1-20) an additional 65 degrees in the proper sequence using the J 45059 .


    Object Number: 639604  Size: SH
  37. Tighten the crankcase perimeter bolts in sequence shown.
  38. Tighten
    Tighten the crankcase perimeter bolts to 30 N·m (22 lb ft).


    Object Number: 1373521  Size: SH
  39. Using a small long blade screwdriver verify that the threaded holes for the oil pan bolts and the oil drain back passages are clear of sealant.

  40. Object Number: 880626  Size: SH
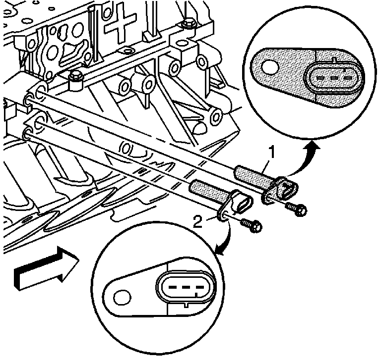
  41. Install the crankshaft position (CKP) sensors. Ensure the CKP sensor with the darker colored connector end (1) is installed in the lower crankcase and CKP sensor with the lighter colored connector end (2) is installed in the block.
  42. Install the CKP sensor bolts.
  43. Tighten
    Tighten the CKP sensor bolts to 10 N·m (89 lb in).

  44. Using the J 39946 rotate the crankshaft until the number one piston is at top dead center (TDC) and the crankshaft key way is approximately at the 7 o'clock position.

  45. Object Number: 331851  Size: SH
  46. Place the transaxle brace (1) in position on the cylinder block.
  47. Install the transaxle brace retaining bolts.
  48. Tighten
    Tighten the transaxle brace retaining bolts to 50 N·m (37 lb ft).