GM Service Manual Online
For 1990-2009 cars only

Removal Procedure

  1. Open the hood.
  2. Remove the upper filler panel. Refer to Filler Panel Replacement - Upper .
  3. Lift and support the vehicle. Refer to Lifting and Jacking the Vehicle in General Information.
  4. Remove the front air deflector. Refer to Front Air Deflector Replacement .

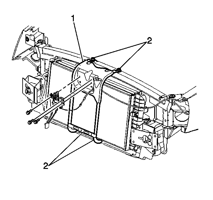
  5. Object Number: 457378  Size: SH
  6. Remove the fasteners (2) securing the hood latch support (1) to the vehicle.
  7. Using a fender cover to protect the finish on the front bumper fascia, rest the hood latch support on the front bumper.
  8. Pull the upper radiator hose away from the upper tie bar and temporarily restrain.

  9. Object Number: 491275  Size: SH
  10. Remove the fastener (1) securing the upper radiator hose support (2) to the upper tie bar (3).
  11. Remove the upper radiator hose support (2) from the upper tie bar (3).

  12. Object Number: 130784  Size: SH
  13. Remove the fasteners from the upper radiator brackets.
  14. Remove the upper radiator brackets from the upper tie bar.

  15. Object Number: 491273  Size: SH
  16. Temporarily hold the windshield solvent filler tube (2) to the side in order to gain access to the right hand upper tie bar fasteners (1).
  17. Remove the right hand fasteners (1) securing the upper tie bar (3) to the vehicle.

  18. Object Number: 491270  Size: SH
  19. Remove the left hand fasteners (1) securing the upper tie bar (2) to the vehicle.
  20. Remove the upper tie bar (2) from the vehicle.

Installation Procedure


    Object Number: 491270  Size: SH
  1. Install the upper tie bar (2) to the vehicle.
  2. Notice: Use the correct fastener in the correct location. Replacement fasteners must be the correct part number for that application. Fasteners requiring replacement or fasteners requiring the use of thread locking compound or sealant are identified in the service procedure. Do not use paints, lubricants, or corrosion inhibitors on fasteners or fastener joint surfaces unless specified. These coatings affect fastener torque and joint clamping force and may damage the fastener. Use the correct tightening sequence and specifications when installing fasteners in order to avoid damage to parts and systems.

  3. Install the left hand fasteners (1) in order to secure the upper tie bar (2) to the vehicle and hand tighten.

  4. Object Number: 491273  Size: SH
  5. Install the right hand fasteners (1) in order to secure the upper tie bar (3) to the vehicle.
  6. Tighten
    Tighten the fasteners to 50 N·m (37 lb ft).


    Object Number: 130784  Size: SH
  7. Install the upper radiator brackets to the vehicle.
  8. Install the fasteners in order to secure the upper radiator brackets to the vehicle.
  9. Tighten
    Tighten the fasteners to 9 N·m (80 lb in).


    Object Number: 491275  Size: SH
  10. Install the upper radiator hose support bracket (2) to the vehicle.
  11. Install the fastener (1) in order to secure the upper radiator hose support bracket (2) to the vehicle.
  12. Tighten
    Tighten the fastener to 9 N·m (80 lb in).

  13. Reposition the upper radiator hose into the upper radiator hose bracket.

  14. Object Number: 457378  Size: SH
  15. Install the hood latch support to the vehicle.
  16. Install the fasteners (2) in order to secure the hood latch support (1) to the vehicle.
  17. Tighten
    Tighten the fasteners to 9 N·m (80 lb in).

  18. Remove the fender cover from the front bumper fascia.
  19. Install the front air deflector. Refer to Front Air Deflector Replacement .
  20. Install the upper filler panel. Refer to Filler Panel Replacement - Upper .
  21. Close the hood.