GM Service Manual Online
For 1990-2009 cars only
Figure 1:

Power, Ground and Class 2


Object Number: 1412106  Size: FS
Master Electrical Component List
OnStar Description and Operation
Vehicle Communication Interface Module, Microphone and Audio Amplifier
Rear Fuse Block Battery Voltage
DIMR, S-DAR,,and AUDIO Fuses
DIMR, S-DAR,,and AUDIO Fuses
G401
Class 2 Serial Data (2 of 3)
G401
Figure 2:

Vehicle Communication Interface Module (VCIM) Microphone, Audio Amplifier


Object Number: 1412109  Size: FS
Master Electrical Component List
OnStar Description and Operation
Cellular Telephone Interface Board
Power, Ground and Class 2
Cellular Communication Schematic Icons
Cellular Communication Schematic Icons
Cellular Communication Schematic Icons
Cellular Communication Schematic Icons
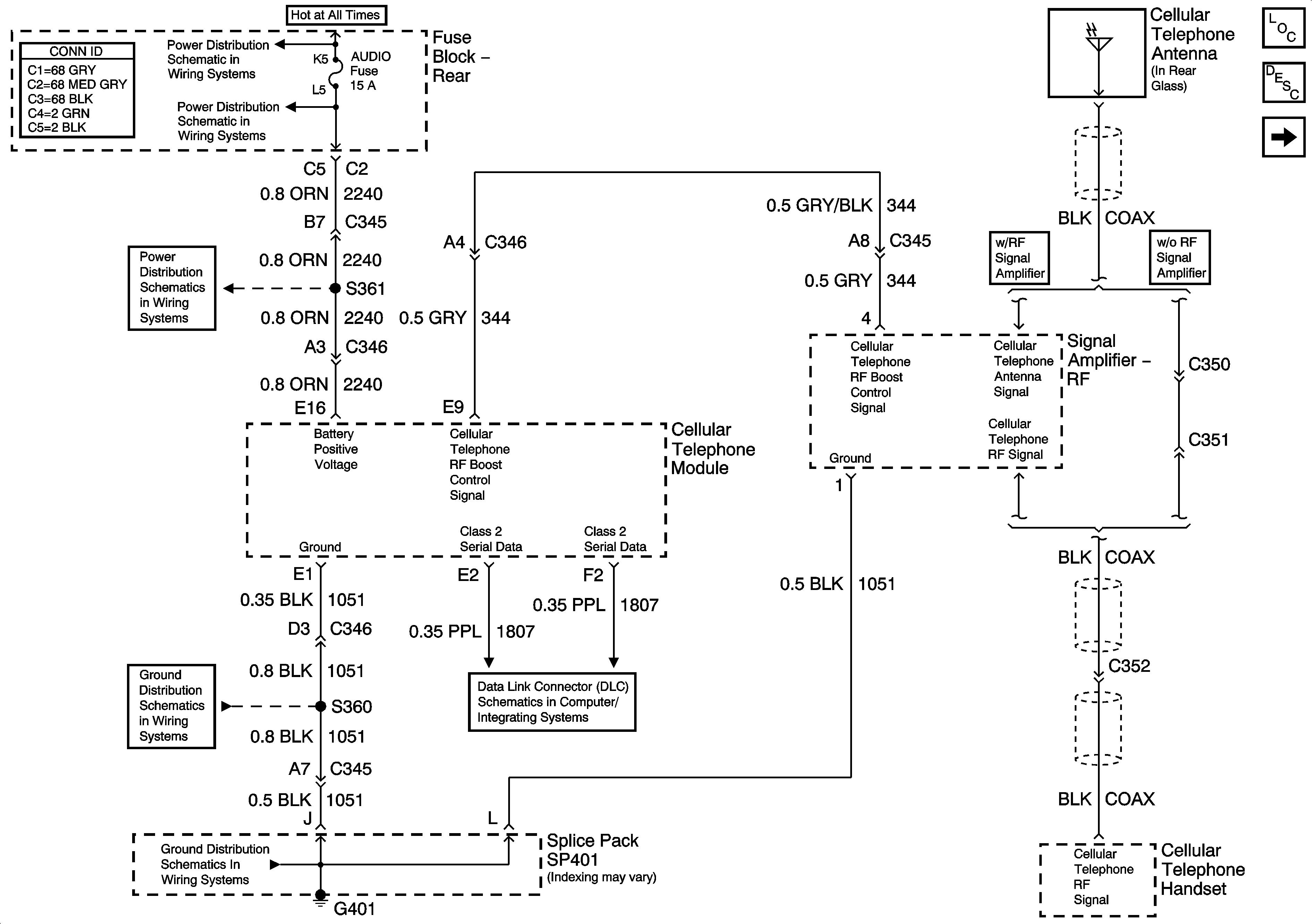
Figure 3:

Cellular Telephone Interface Board


Object Number: 1412110  Size: FS
Master Electrical Component List
OnStar Description and Operation
Web Radio
Vehicle Communication Interface Module, Microphone and Audio Amplifier
Cellular Communication Schematic Icons
Cellular Communication Schematic Icons
Cellular Communication Schematic Icons
Figure 4:

Web Radio


Object Number: 1412111  Size: FS
Master Electrical Component List
OnStar Description and Operation
Cellular Telephone Interface Board
Domestic Microphone
Cellular Communication Schematic Icons
Cellular Communication Schematic Icons
Cellular Communication Schematic Icons