GM Service Manual Online
For 1990-2009 cars only
Makes
🢒
Cadillac
🢒
2005
🢒
DeVille
🢒
Vehicle Control Systems
🢒
Vehicle DTC Information
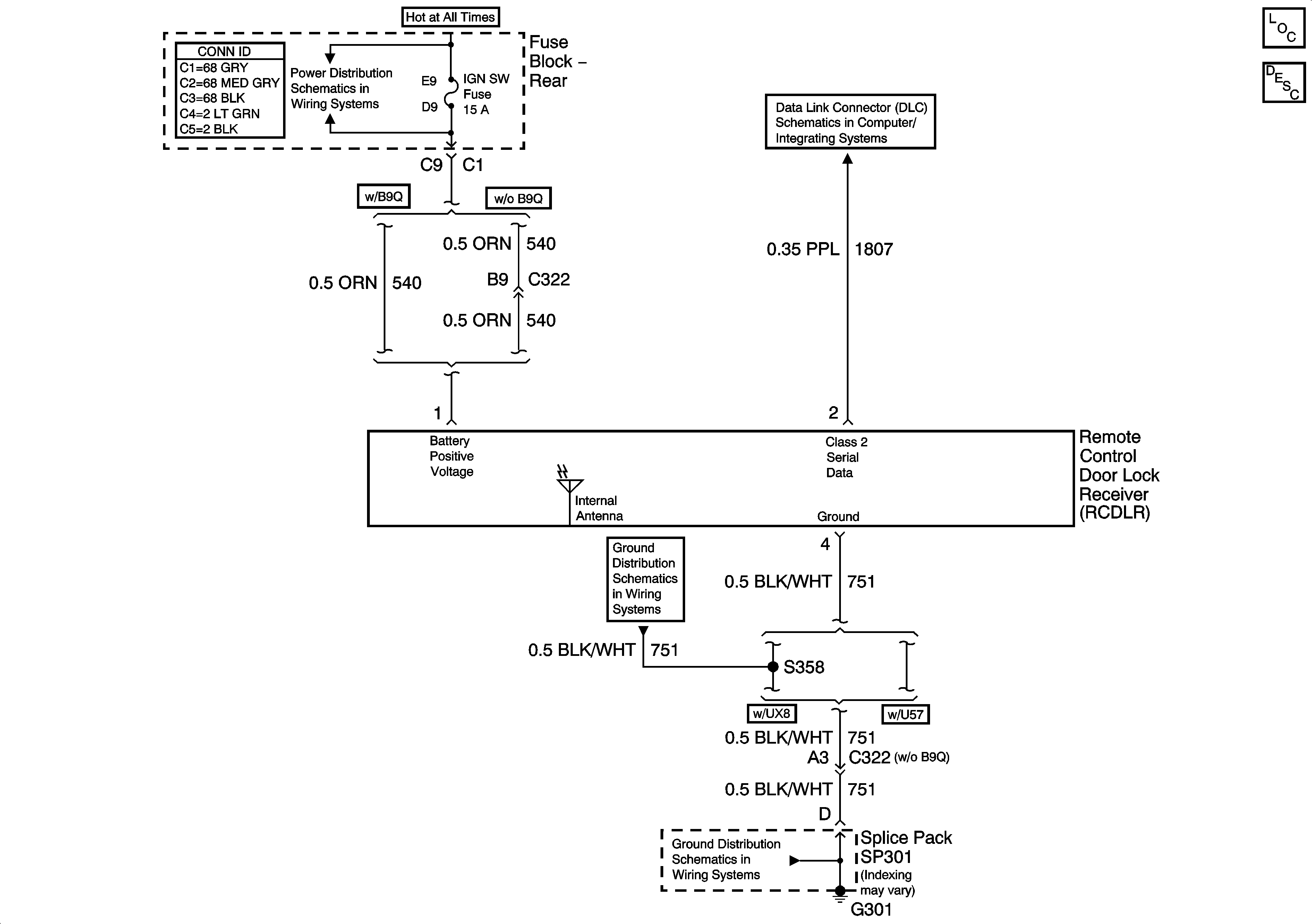
🢒 Keyless Entry Schematics
Master Electrical Component List
Keyless Entry System Description and Operation
RR BLO, RRDR MDL, HVAC BAT, STOP LP, IGN SW, and TSIG/HAZ Fuses
Class 2 Serial Data (3 of 3)
G301
G301