GM Service Manual Online
For 1990-2009 cars only
Figure 1:

Release Switches


Object Number: 1413055  Size: FS
Master Electrical Component List
Fuel Fill Door Description and Operation
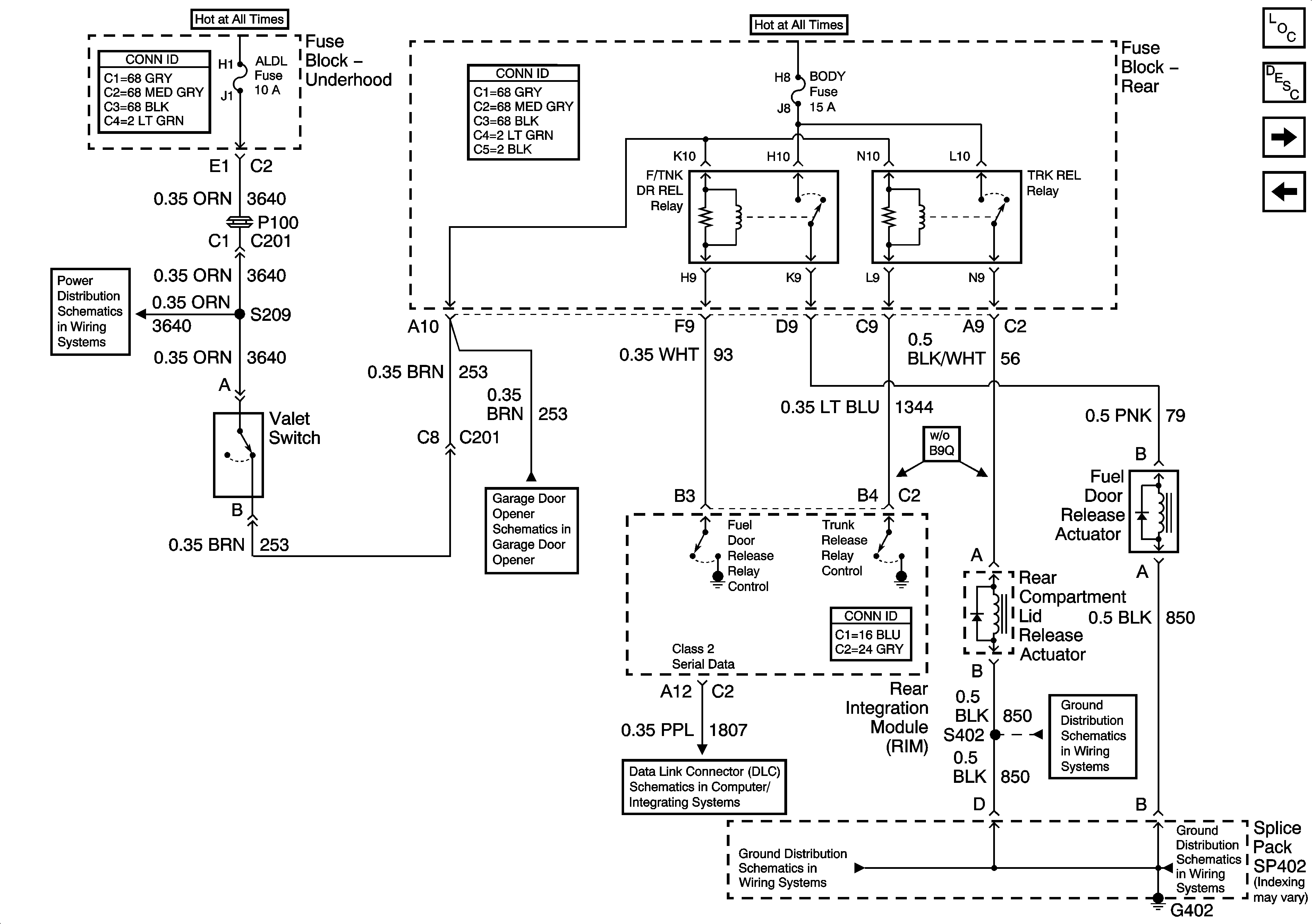
Release Actuators and Valet Switch
Class 2 Serial Data (1 of 3)
G200
G200
Figure 2:

Release Actuators and Valet Switch


Object Number: 1413056  Size: FS
Master Electrical Component List
Fuel Fill Door Description and Operation
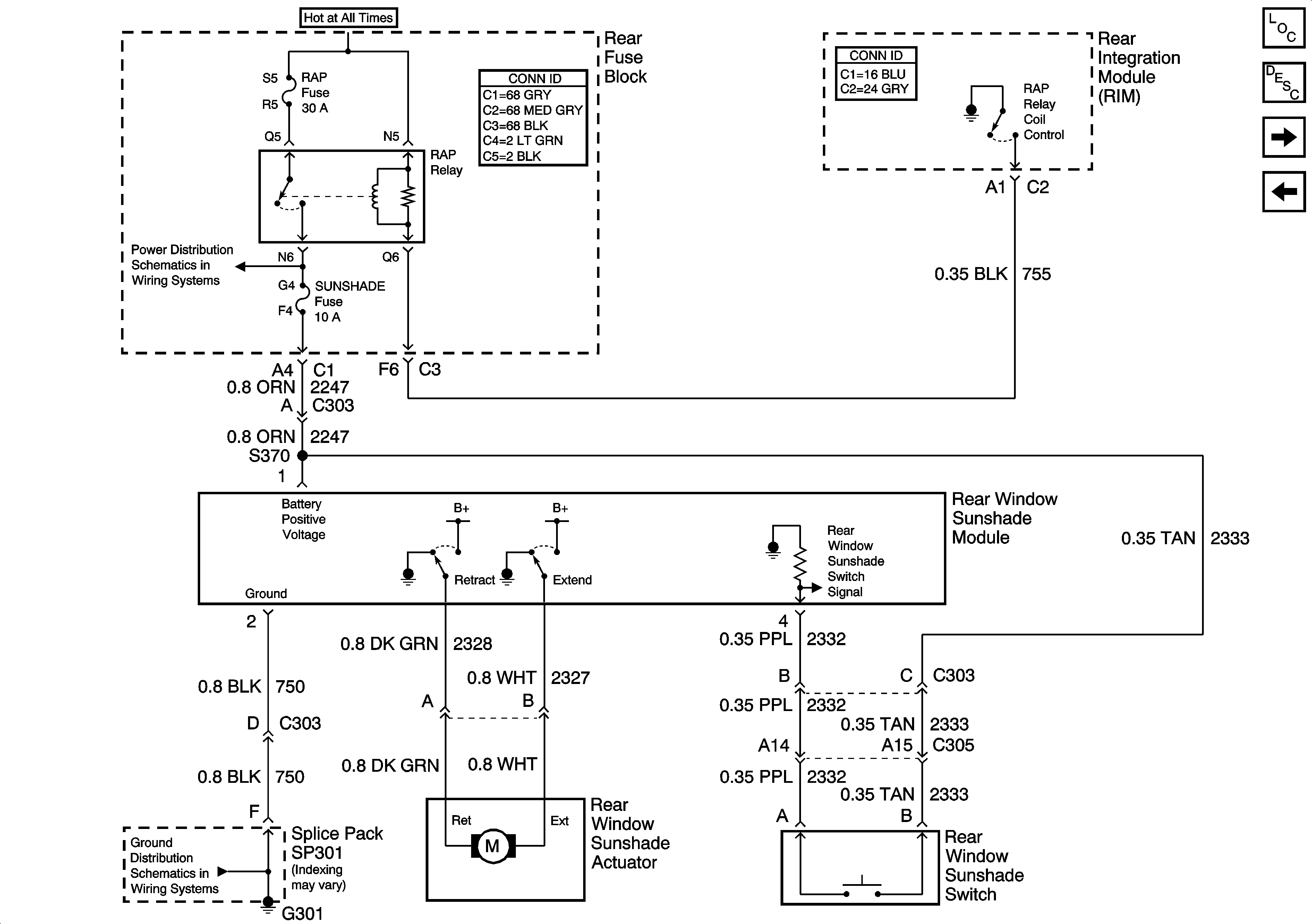
Rear Window Power Sunshade
Release Switches
ALDL, PCM BATT, and I/P Fuses
Garage Door Opener Schematics
Class 2 Serial Data (2 of 3)
G402 - 1 of 2
G402 - 1 of 2
G402 - 2 of 2
Figure 3:

Rear Window Power Sunshade


Object Number: 1413057  Size: FS
Master Electrical Component List
Rear Window Inside Sunshade Description and Operation
Rear Compartment Lid Ajar Signal
Release Actuators and Valet Switch
CVRTD, CIGAR, and RAP Fuses and Relays
G301
Figure 4:

Rear Compartment Lid Ajar Signal


Object Number: 1413058  Size: FS
Master Electrical Component List
Luggage Compartment Description and Operation Trunk Ajar Indicator
Rear Window Power Sunshade
G402 - 1 of 2
Class 2 Serial Data (1 of 3)
G402 - 1 of 2