GM Service Manual Online
For 1990-2009 cars only
Makes
🢒
Cadillac
🢒
2005
🢒
DeVille
🢒
Suspension
🢒
Tire Pressure Monitoring
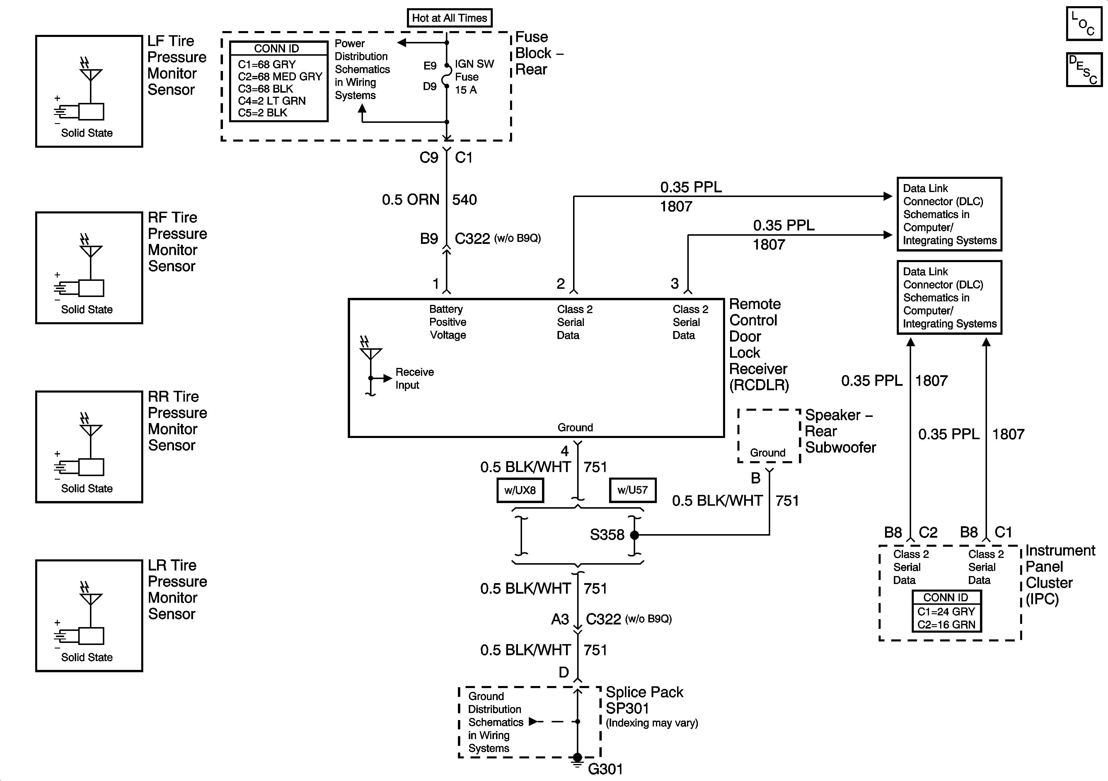
🢒 Tire Pressure Monitoring System Schematics
Master Electrical Component List
Tire Pressure Monitor Description and Operation
RR BLO, RRDR MDL, HVAC BAT, STOP LP, IGN SW, and TSIG/HAZ Fuses
Class 2 Serial Data (3 of 3)
Class 2 Serial Data (1 of 3)
G301