GM Service Manual Online
For 1990-2009 cars only
Makes
🢒
Cadillac
🢒
2005
🢒
DeVille
🢒
Body
🢒
Wiring Systems
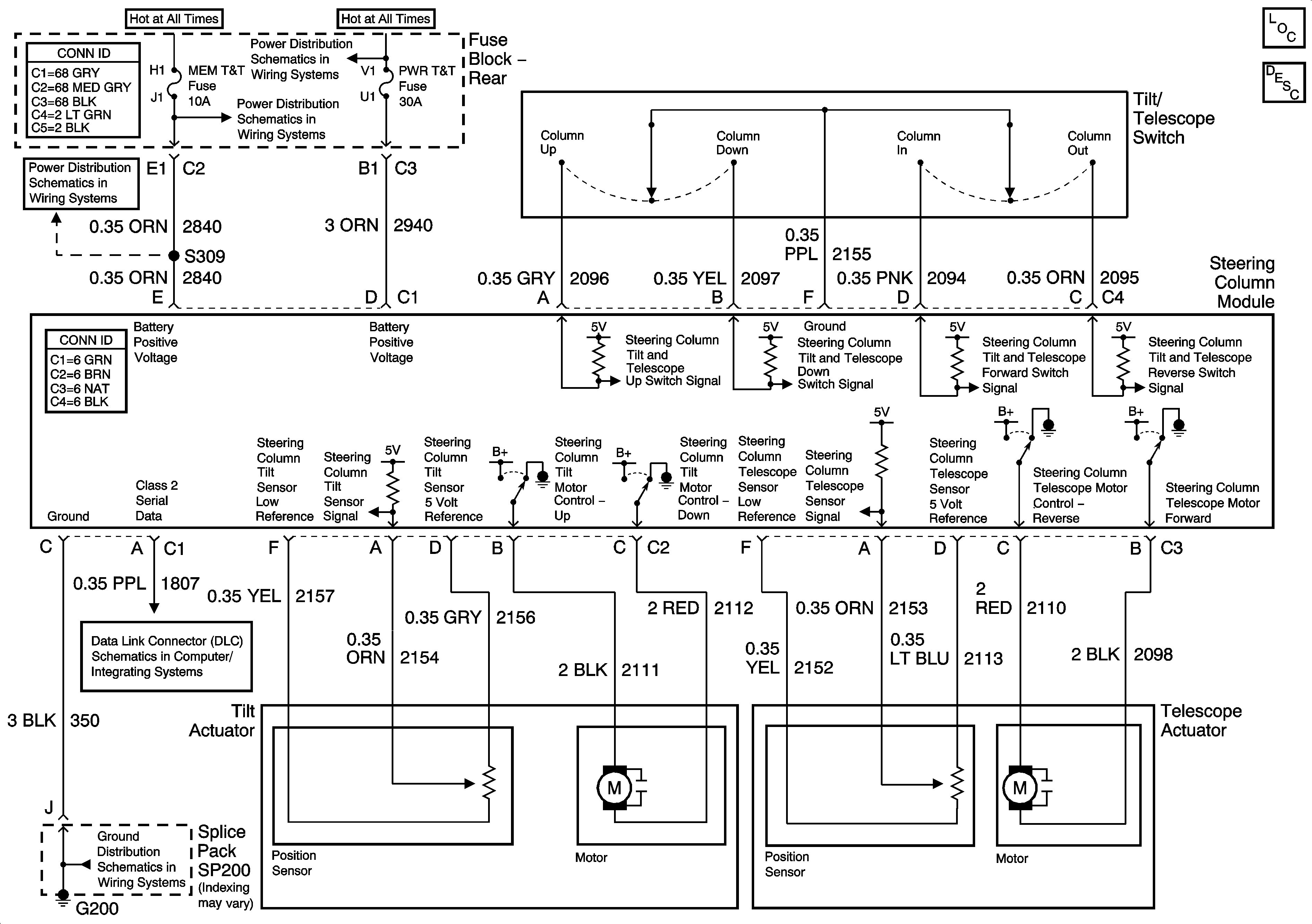
🢒 Tilt/Telescoping Steering Column Schematics
Master Electrical Component List
Steering Wheel and Column Description and Operation
MEM TT, RRLUM/PWR ANT, and HTDST LF Fuses
HVAC BLO, DRV MDL, PASS MDL, PWR TT, HTDST LR, HTDST RR, HTDST RF, and DIM Fuses
MEM TT, RRLUM/PWR ANT, and HTDST LF Fuses
Class 2 Serial Data (3 of 3)
G200