GM Service Manual Online
For 1990-2009 cars only
Figure 1:

Rear Fuse Block Battery Voltage


Object Number: 1411681  Size: FS
Master Electrical Component List
Underhood Fuse Block Battery Voltage
G300, G303, G304, and G306
Underhood Fuse Block Battery Voltage
Figure 2:

Underhood Fuse Block Battery Voltage


Object Number: 1411685  Size: FS
Master Electrical Component List
Driver and Passenger Defog Circuit Breakers (WC2/WC8)
Rear Fuse Block Battery Voltage
Rear Fuse Block Battery Voltage
Driver and Passenger Defog Circuit Breakers (WC2/WC8)
Figure 3:

Driver and Passenger Defog Circuit Breakers (WC2/WC8)


Object Number: 1411687  Size: FS
Master Electrical Component List
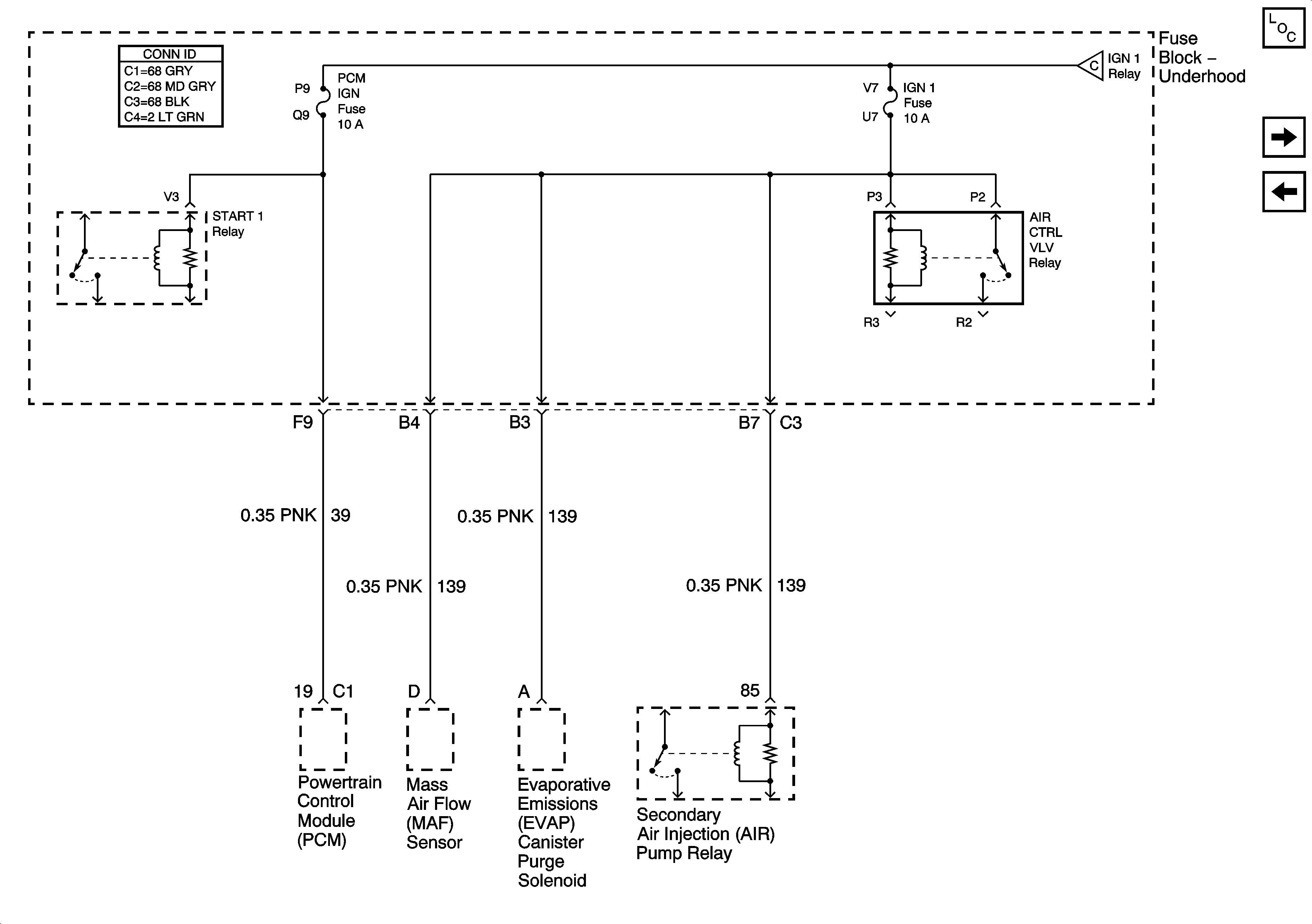
OXY SEN, CR CONT, and TRANS Fuses
Underhood Fuse Block Battery Voltage
Underhood Fuse Block Battery Voltage
Figure 4:

OXY SEN, CR CONT, and TRANS Fuses


Object Number: 1411714  Size: FS
Master Electrical Component List
COIL MDL Fuse
Driver and Passenger Defog Circuit Breakers (WC2/WC8)
INJR 1 and INJR 2 Fuses
PCM IGN and IGN1 Fuses
Rear Fuse Block Battery Voltage
COIL MDL Fuse
Figure 5:

COIL MDL Fuse


Object Number: 1411720  Size: FS
Master Electrical Component List
INJR 1 and INJR 2 Fuses
OXY SEN, CR CONT, and TRANS Fuses
OXY SEN, CR CONT, and TRANS Fuses
Figure 6:

INJR 2 and INJR 1 Fuses


Object Number: 1411725  Size: FS
Master Electrical Component List
PCM IGN and IGN1 Fuses
COIL MDL Fuse
OXY SEN, CR CONT, and TRANS Fuses
Figure 7:

PCM IGN and IGN 1 Fuses


Object Number: 1411728  Size: FS
Master Electrical Component List
ACCY, WSW, HDLO BMR, HDLO BML, HDHI BML, and HDHI BMR Fuses and ACCY, HDLP LO BM, and HDLP HI BM Relays
INJR 1 and INJR 2 Fuses
OXY SEN, CR CONT, and TRANS Fuses
Figure 8:

ACCY, WSW, HDLO BMR, HDLO BML, HDHI BML and HDHI BMR Fuses and ACCY, HDLP LOBM, HDLP HIBM Relays


Object Number: 1411732  Size: FS
Master Electrical Component List
ALDL, PCM BATT, and I/P Fuses
PCM IGN and IGN1 Fuses
Rear Fuse Block Battery Voltage
Rear Fuse Block Battery Voltage
Rear Fuse Block Battery Voltage
Figure 9:

ALDL, PCM BATT, and I/P Fuses


Object Number: 1411735  Size: FS
Master Electrical Component List
ABS, AIR PUMP, C/LTR 1, and C/LTR 2 Fuses
ACCY, WSW, HDLO BMR, HDLO BML, HDHI BML, and HDHI BMR Fuses and ACCY, HDLP LO BM, and HDLP HI BM Relays
Rear Fuse Block Battery Voltage
Figure 10:

ABS, AIR PUMP, C/LTR 1, and C/LTR 2 Fuses


Object Number: 1411739  Size: FS
Master Electrical Component List
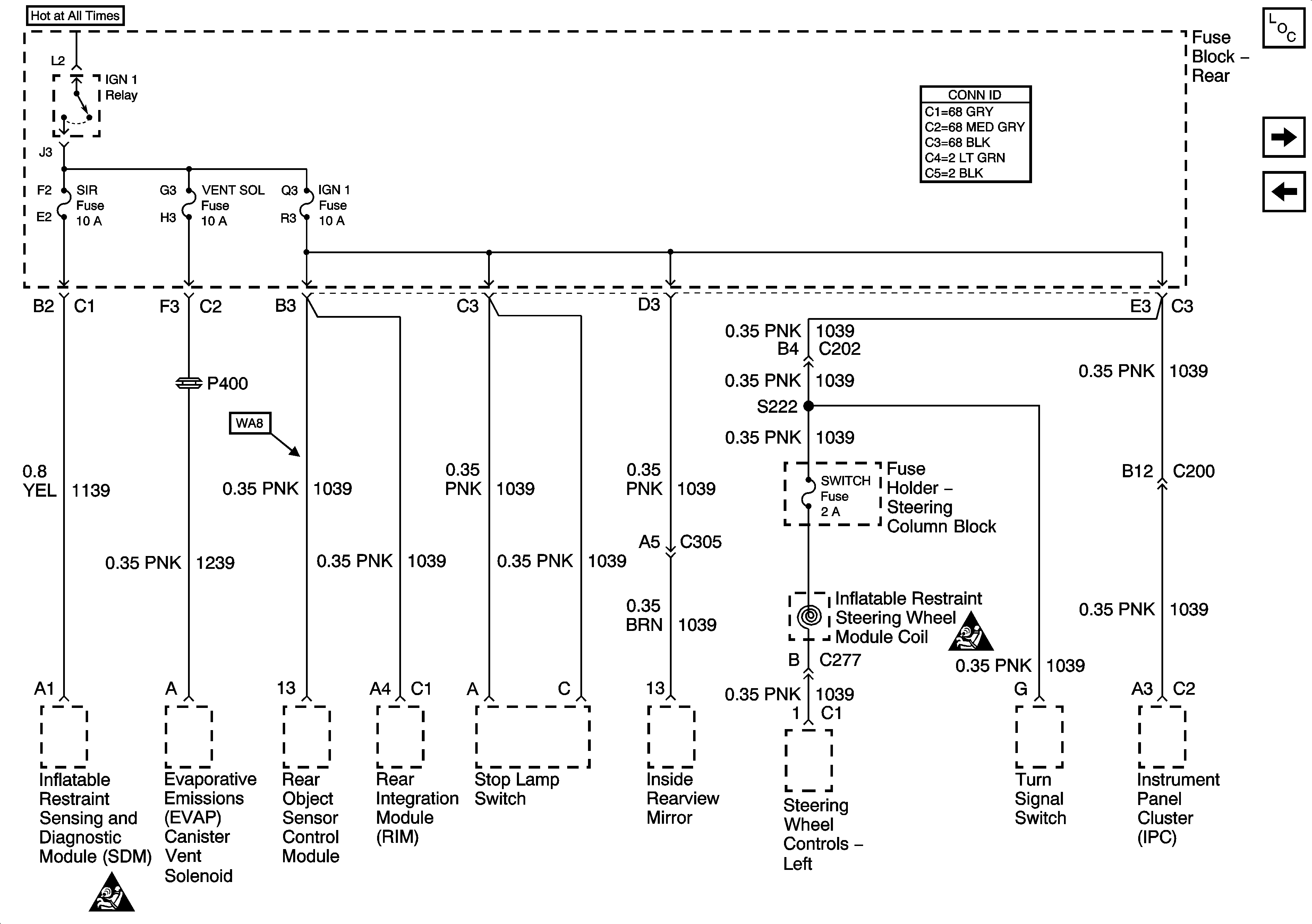
SIR, VENT SOL, and IGN 1 Fuse and IGN 1 Relay
ALDL, PCM BATT, and I/P Fuses
CVRTD, CIGAR, and RAP Fuses and Relays
Rear Fuse Block Battery Voltage
Figure 11:

SIR, VENT SOL, and IGN 1 Fuses


Object Number: 1386589  Size: FS
Master Electrical Component List
DIMR, LP PK R, and LP PK L Fuses and PRK LP Relay
ABS, AIR PUMP, C/LTR 1, and C/LTR 2 Fuses
SIR Caution for Zoning
SIR Caution for Zoning
Figure 12:

LP PK R and LP PK L Fuses and PRK LP Relay


Object Number: 1411743  Size: FS
Master Electrical Component List
DIMR, S-DAR,,and AUDIO Fuses
SIR, VENT SOL, and IGN 1 Fuse and IGN 1 Relay
DIMR, S-DAR,,and AUDIO Fuses
Figure 13:

S-DAR and AUDIO Fuses


Object Number: 1411748  Size: FS
Master Electrical Component List
HVAC BLO, DRV MDL, PASS MDL, PWR TT, HTDST LR, HTDST RR, HTDST RF, and DIM Fuses
DIMR, LP PK R, and LP PK L Fuses and PRK LP Relay
DIMR, LP PK R, and LP PK L Fuses and PRK LP Relay
Figure 14:

HVAC BLO, DRV MDL, PASS MDL, PWR T&T, HTDST LR, HTDST RR, HTDST RF, and DIM Fuses


Object Number: 1411750  Size: FS
Master Electrical Component List
AUDIO AMP and EXPORT LTG/PWR LK Fuses
DIMR, S-DAR,,and AUDIO Fuses
Figure 15:

AUDIO AMP and EXPORT LTG/PWR LK Fuses


Object Number: 1411752  Size: FS
Master Electrical Component List
PWR WDO Circuit Breaker
HVAC BLO, DRV MDL, PASS MDL, PWR TT, HTDST LR, HTDST RR, HTDST RF, and DIM Fuses
Figure 16:

PWR WDO Circuit Breaker


Object Number: 1411755  Size: FS
Master Electrical Component List
NAV Fuse and PWR SEAT Circuit Breaker
AUDIO AMP and EXPORT LTG/PWR LK Fuses
Figure 17:

NAV Fuse and PWR SEAT Circuit Breaker


Object Number: 1411757  Size: FS
Master Electrical Component List
RR BLO, RRDR MDL, HVAC BAT, STOP LP, IGN SW, and TSIG/HAZ Fuses
PWR WDO Circuit Breaker
Figure 18:

RR BLO, RRDR MDL, HVAC BAT, STOP LP, IGN SW, and TSIG/HAZ Fuses


Object Number: 1411758  Size: FS
Master Electrical Component List
Ignition Switch
NAV Fuse and PWR SEAT Circuit Breaker
Ignition Switch
Figure 19:

Ignition Switch


Object Number: 1411761  Size: FS
Master Electrical Component List
Ignition Feeds to Underhood and Rear Fuse Blocks
RR BLO, RRDR MDL, HVAC BAT, STOP LP, IGN SW, and TSIG/HAZ Fuses
RR BLO, RRDR MDL, HVAC BAT, STOP LP, IGN SW, and TSIG/HAZ Fuses
Ignition Feeds to Underhood and Rear Fuse Blocks
Ignition Feeds to Underhood and Rear Fuse Blocks
Figure 20:

Ignition Feeds to Underhood and Rear Fuse Blocks


Object Number: 1411762  Size: FS
Master Electrical Component List
MEM TT, RRLUM/PWR ANT, and HTDST LF Fuses
Ignition Switch
Ignition Switch
Ignition Switch
Figure 21:

MEM T&T, RRLUM/PWR ANT, and HTDST LF Fuses


Object Number: 1411764  Size: FS
Master Electrical Component List
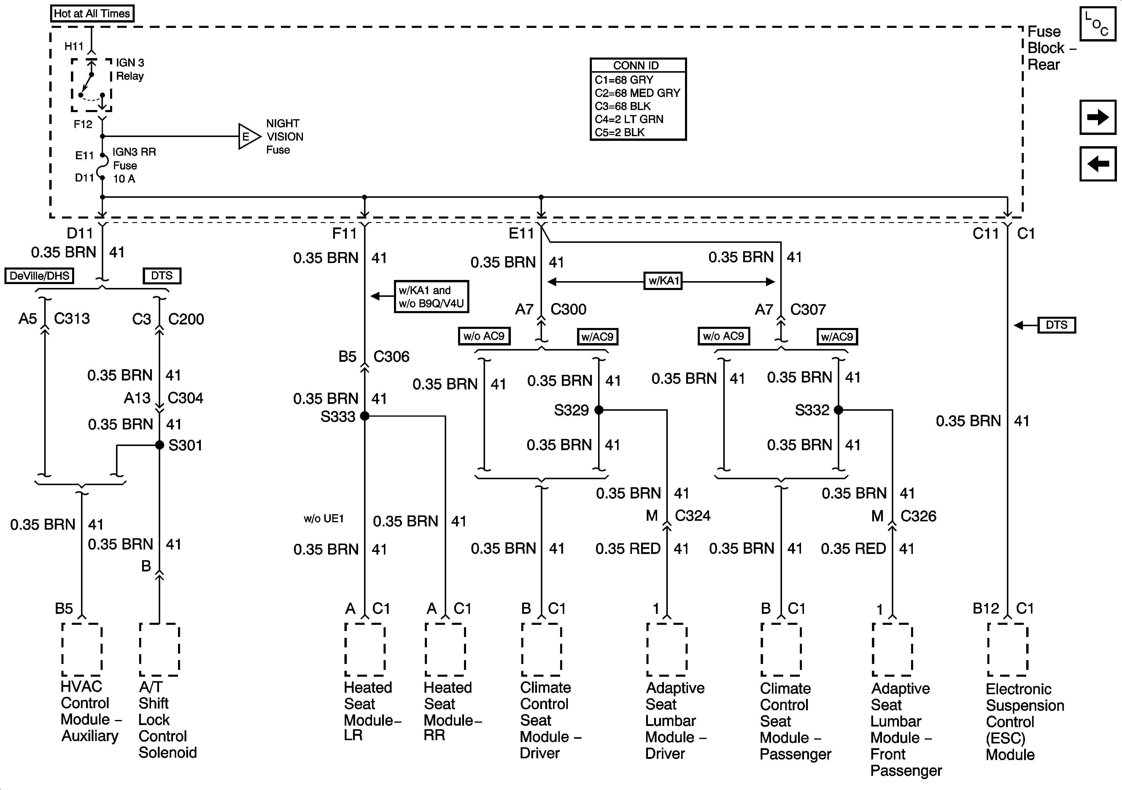
IGN 3 Relay and IGN 3 RR Fuse
Ignition Feeds to Underhood and Rear Fuse Blocks
Figure 22:

IGN 3 RR Fuse and IGN 3 Relay


Object Number: 1411766  Size: FS
Master Electrical Component List
ELC, NIGHT VISION, HVAC, and ABS Fuses and ELC Relay
MEM TT, RRLUM/PWR ANT, and HTDST LF Fuses
ELC, NIGHT VISION, HVAC, and ABS Fuses and ELC Relay
Figure 23:

ELC, NIGHT VISION, HVAC, ABS Fuses and ELC Relay


Object Number: 1411768  Size: FS
Master Electrical Component List
CVRTD, CIGAR, and RAP Fuses and Relays
IGN 3 Relay and IGN 3 RR Fuse
IGN 3 Relay and IGN 3 RR Fuse
Figure 24:

CVRTD, CIGAR, RAP, and SUNSHADE Fuses


Object Number: 1411769  Size: FS
Master Electrical Component List
ELC, NIGHT VISION, HVAC, and ABS Fuses and ELC Relay
ABS, AIR PUMP, C/LTR 1, and C/LTR 2 Fuses