GM Service Manual Online
For 1990-2009 cars only
Figure 1:

G102, G103, G105, G106, and G110


Object Number: 1411771  Size: FS
Master Electrical Component List
G100
Figure 2:

G100


Object Number: 1411773  Size: FS
Master Electrical Component List
G101
G102, G103, G105, G106, and G110
Figure 3:

G101


Object Number: 1411775  Size: FS
Master Electrical Component List
G104
G100
Figure 4:

G104


Object Number: 1411776  Size: FS
Master Electrical Component List
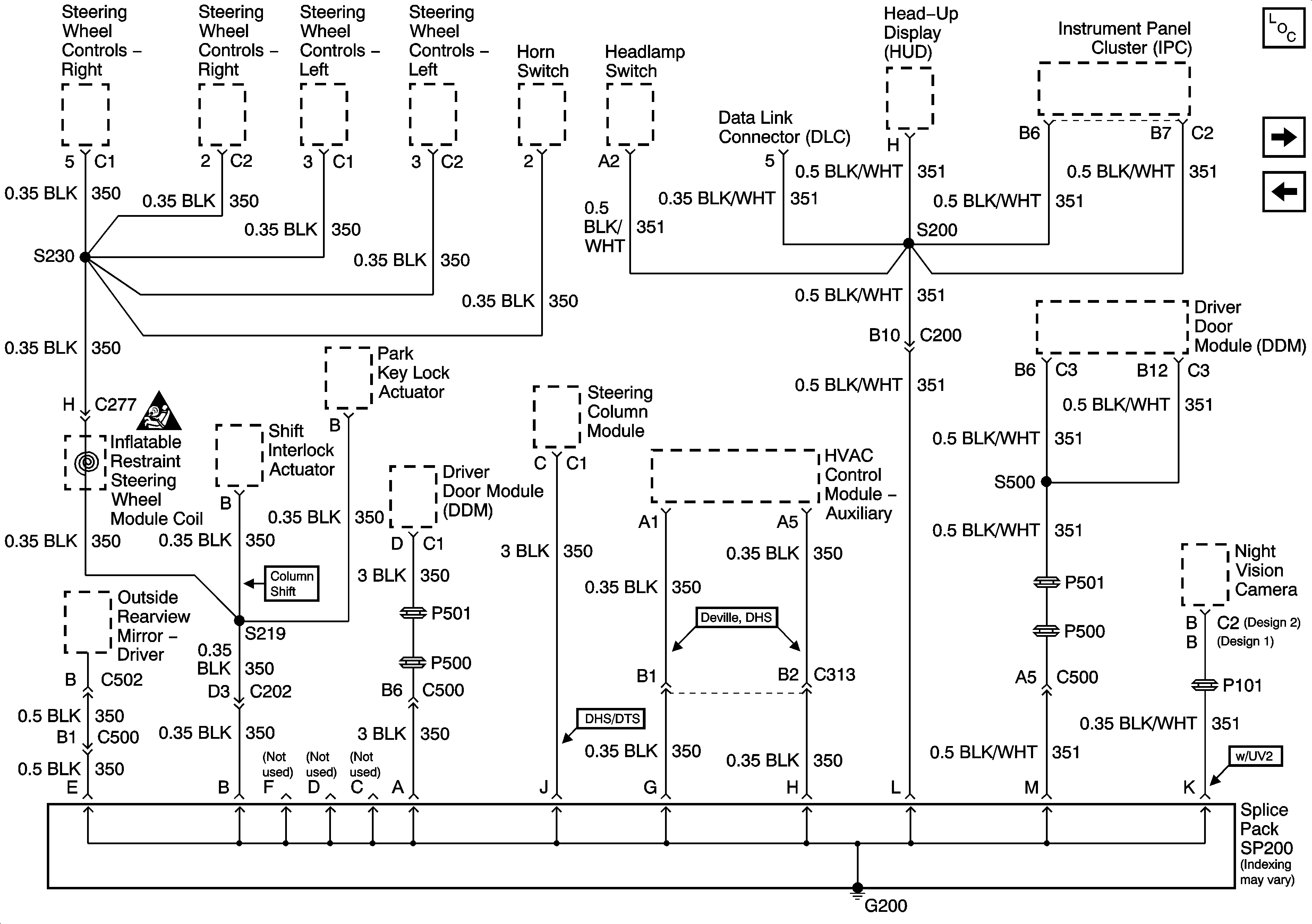
G200
G101
Figure 5:

G200


Object Number: 1386686  Size: FS
Master Electrical Component List
G201 - 1 of 3
G104
SIR Caution for Zoning
Figure 6:

G201 - 1 of 3


Object Number: 1411822  Size: FS
Master Electrical Component List
G201 - 2 of 3
G200
G201 - 2 of 3
Figure 7:

G201 - 2 of 3


Object Number: 1411823  Size: FS
Master Electrical Component List
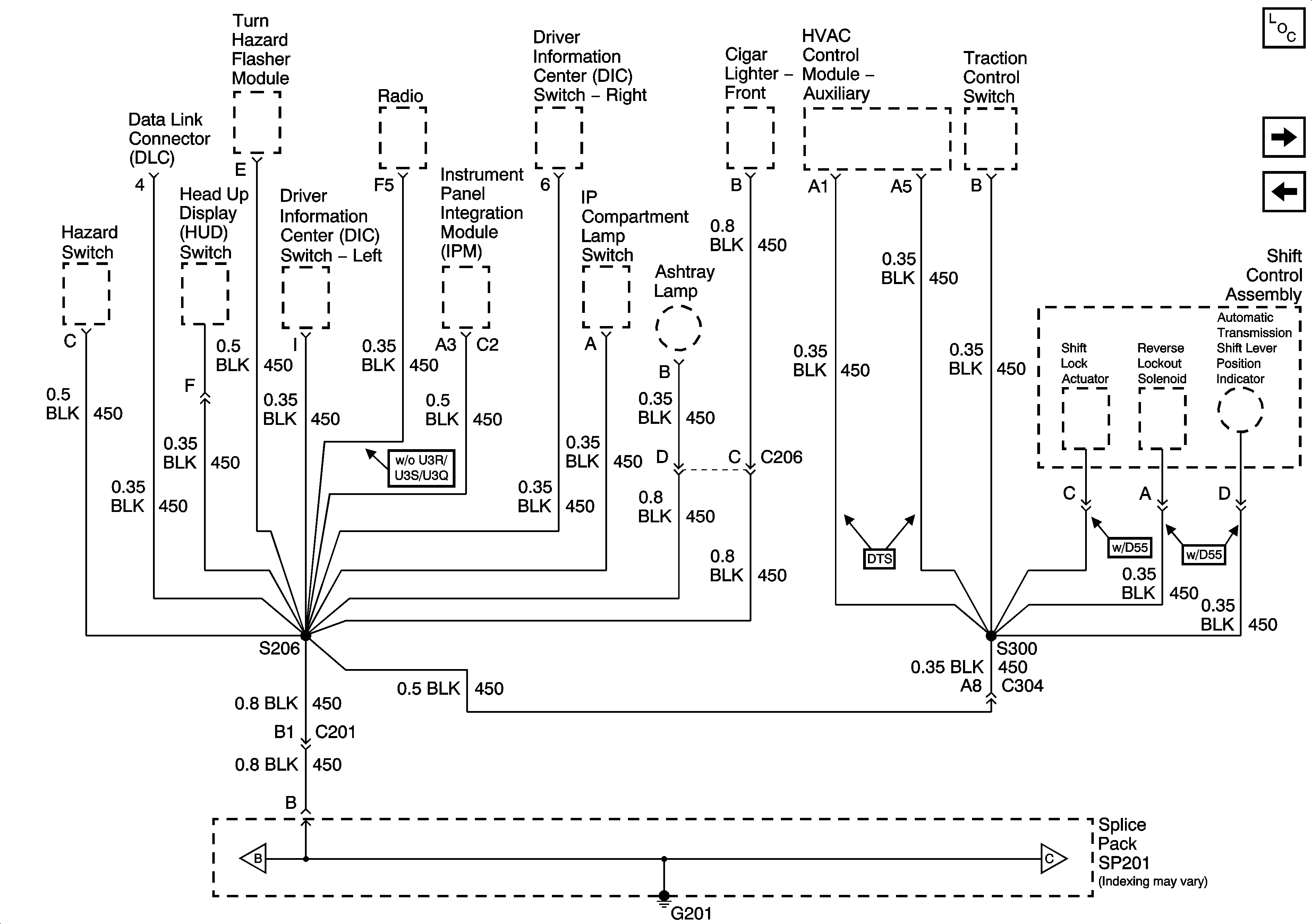
G201 - 3 of 3
G201 - 1 of 3
G201 - 1 of 3
G201 - 3 of 3
Figure 8:

G201 - 3 of 3


Object Number: 1411824  Size: FS
Master Electrical Component List
G300, G303, G304, and G306
G201 - 2 of 3
G201 - 2 of 3
Figure 9:

G300, G303, G304, and G306


Object Number: 1411825  Size: FS
Master Electrical Component List
G301
G201 - 3 of 3
SIR Caution for Zoning
Figure 10:

G301


Object Number: 1411826  Size: FS
Master Electrical Component List
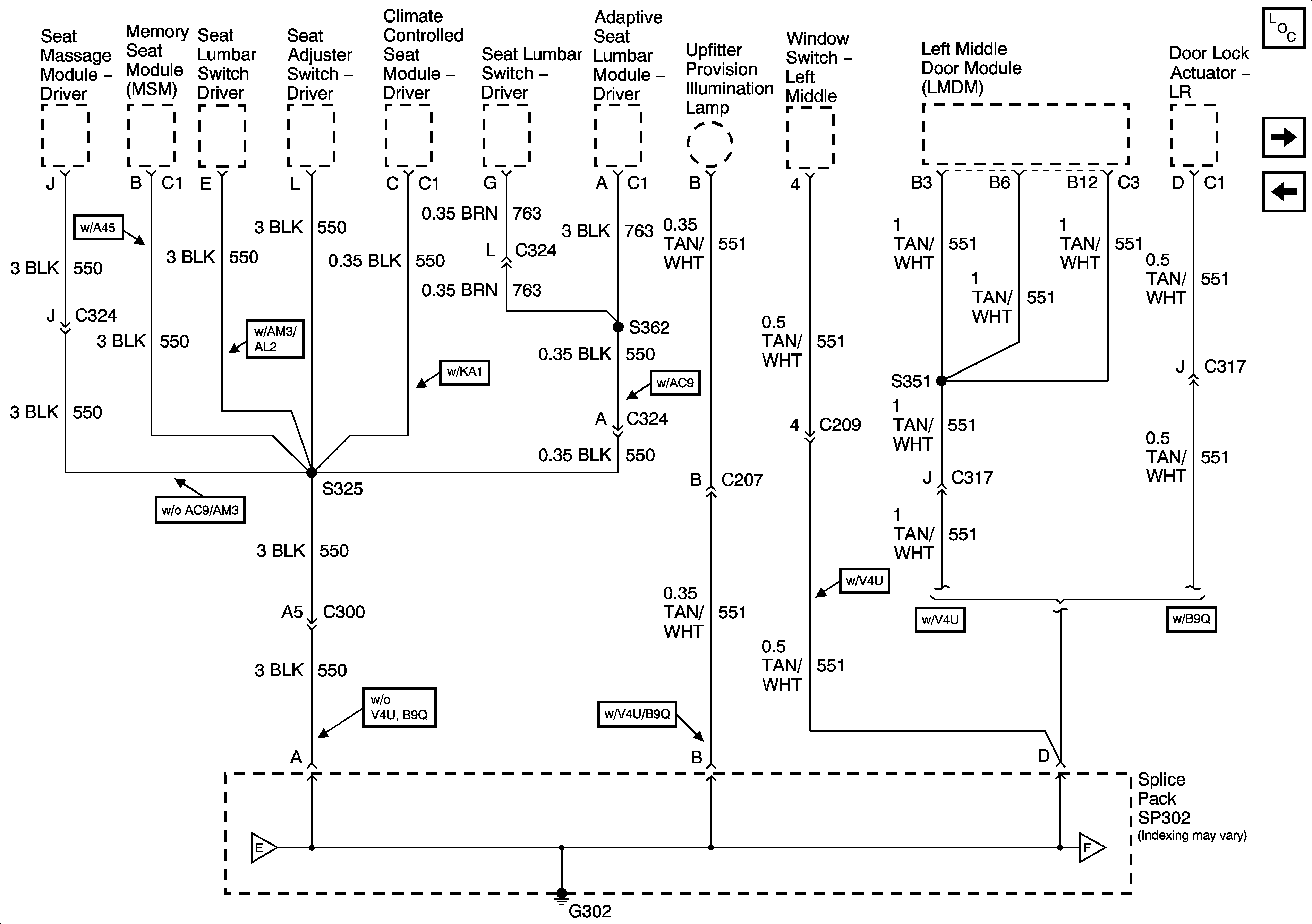
G302 - 1 of 3
G300, G303, G304, and G306
Figure 11:

G302 - 1 of 3


Object Number: 1411827  Size: FS
Master Electrical Component List
G302 - 2 of 3
G301
G302 - 2 of 3
Figure 12:

G302 - 2 of 3


Object Number: 1411828  Size: FS
Master Electrical Component List
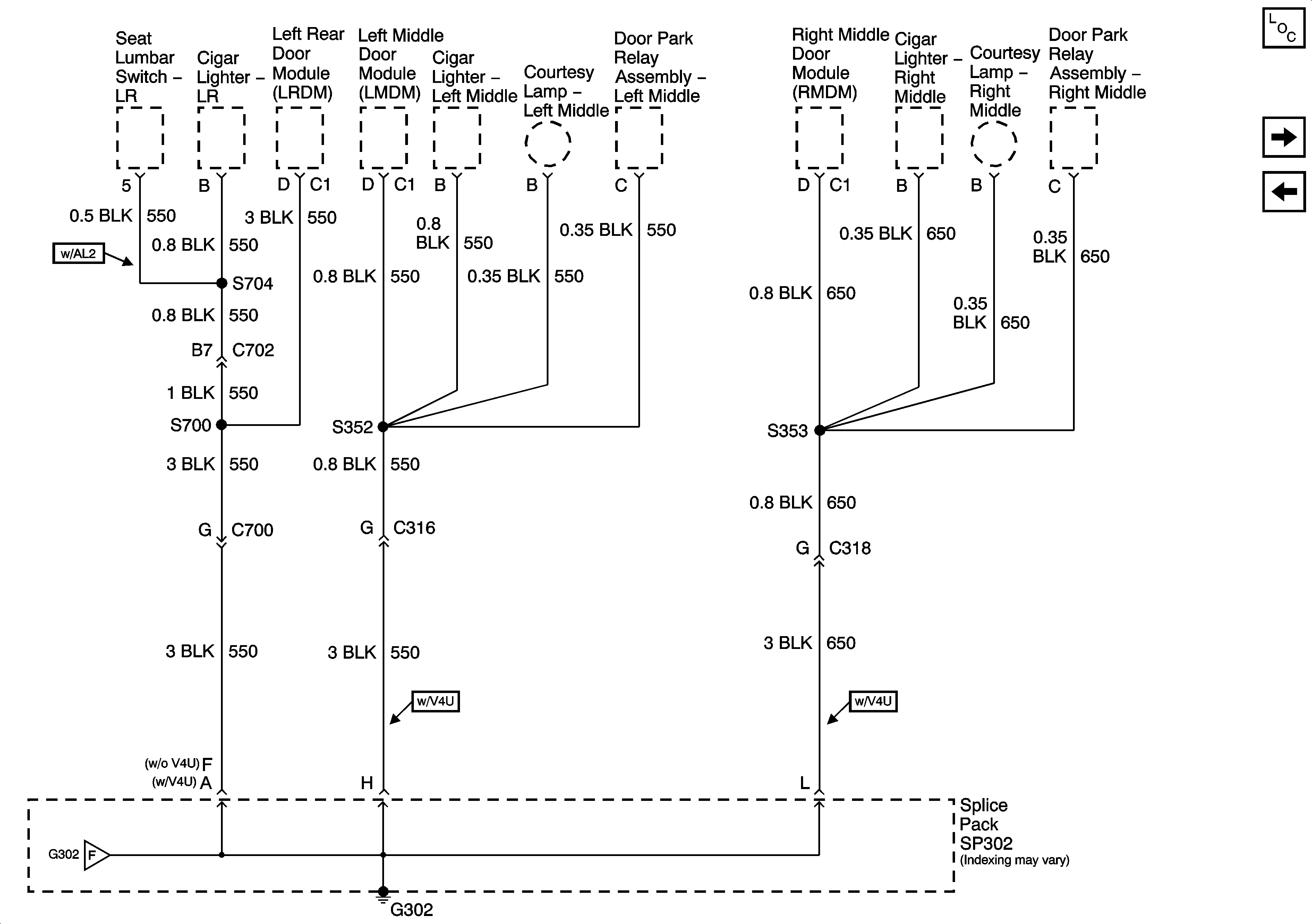
G302 - 3 of 3
G302 - 1 of 3
G302 - 1 of 3
G302 - 3 of 3
Figure 13:

G302 - 3 of 3


Object Number: 1411829  Size: FS
Master Electrical Component List
G401
G302 - 2 of 3
G302 - 2 of 3
Figure 14:

G401


Object Number: 1411830  Size: FS
Master Electrical Component List
G402 - 1 of 2
G302 - 3 of 3
Figure 15:

G402 - 1 of 2


Object Number: 1411832  Size: FS
Master Electrical Component List
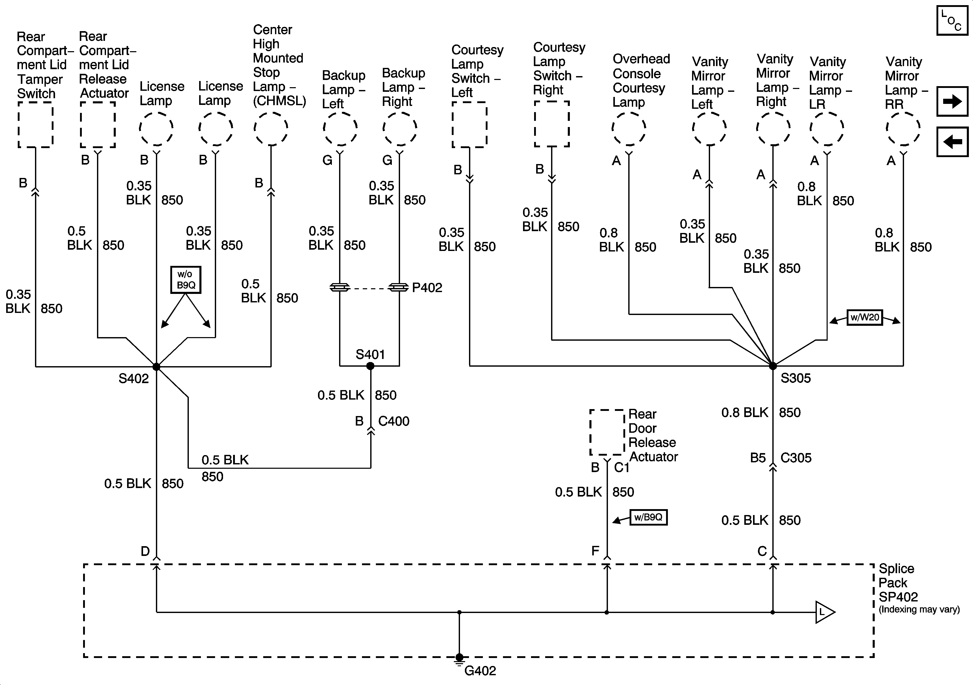
G402 - 2 of 2
G401
G402 - 2 of 2
Figure 16:

G402 - 2 of 2


Object Number: 1411833  Size: FS
Master Electrical Component List
G402 - 1 of 2
G402 - 1 of 2