GM Service Manual Online
For 1990-2009 cars only
Makes
🢒
Cadillac
🢒
2005
🢒
DeVille
🢒
Steering
🢒
Steering Wheel and Column
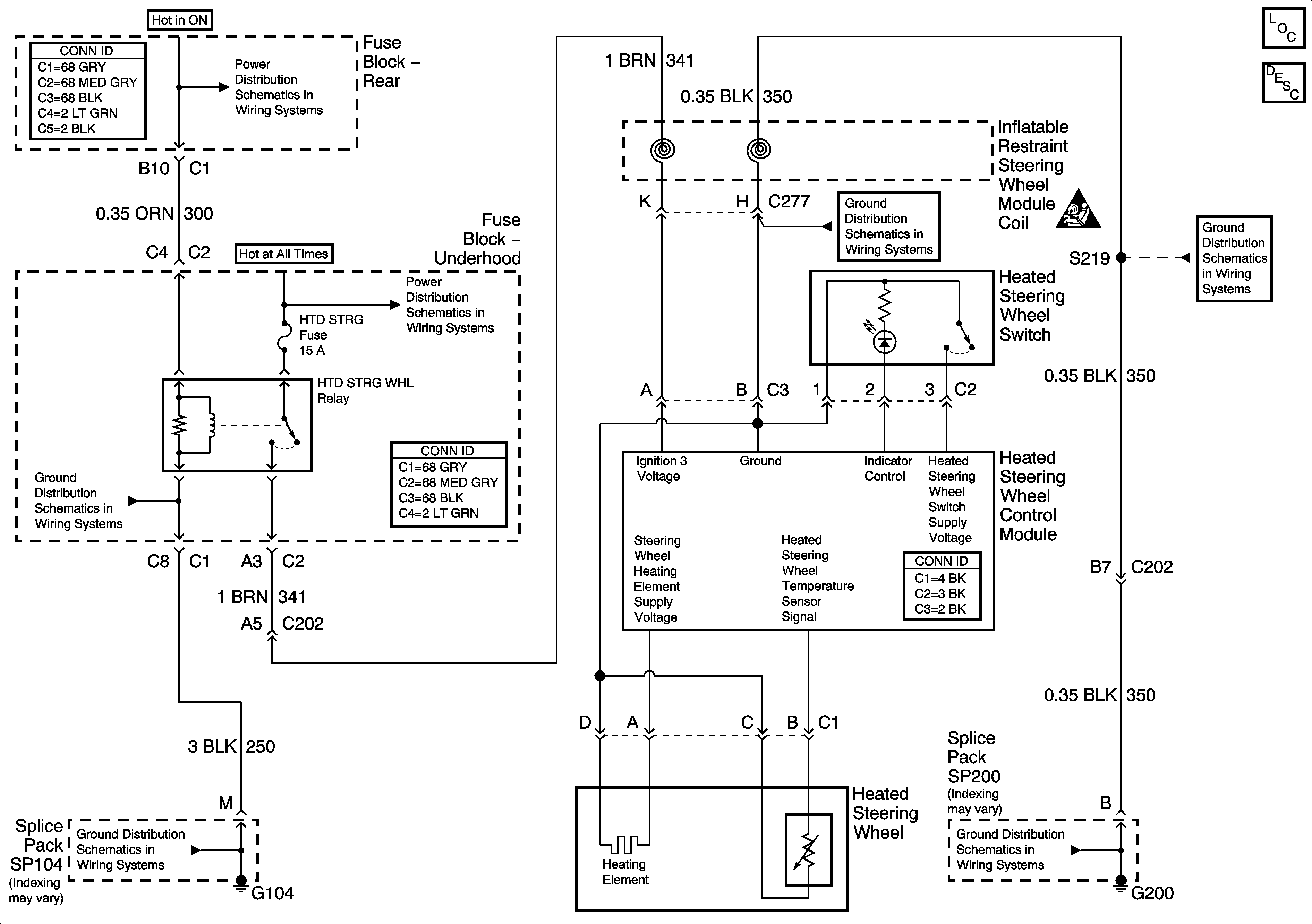
🢒 Steering Wheel Schematics
Master Electrical Component List
Steering Wheel and Column Description and Operation
Ignition Feeds to Underhood and Rear Fuse Blocks
Underhood Fuse Block Battery Voltage
G200
SIR Caution for Zoning
G200
G104
G104
G200