GM Service Manual Online
For 1990-2009 cars only
Makes
🢒
Cadillac
🢒
2005
🢒
DeVille
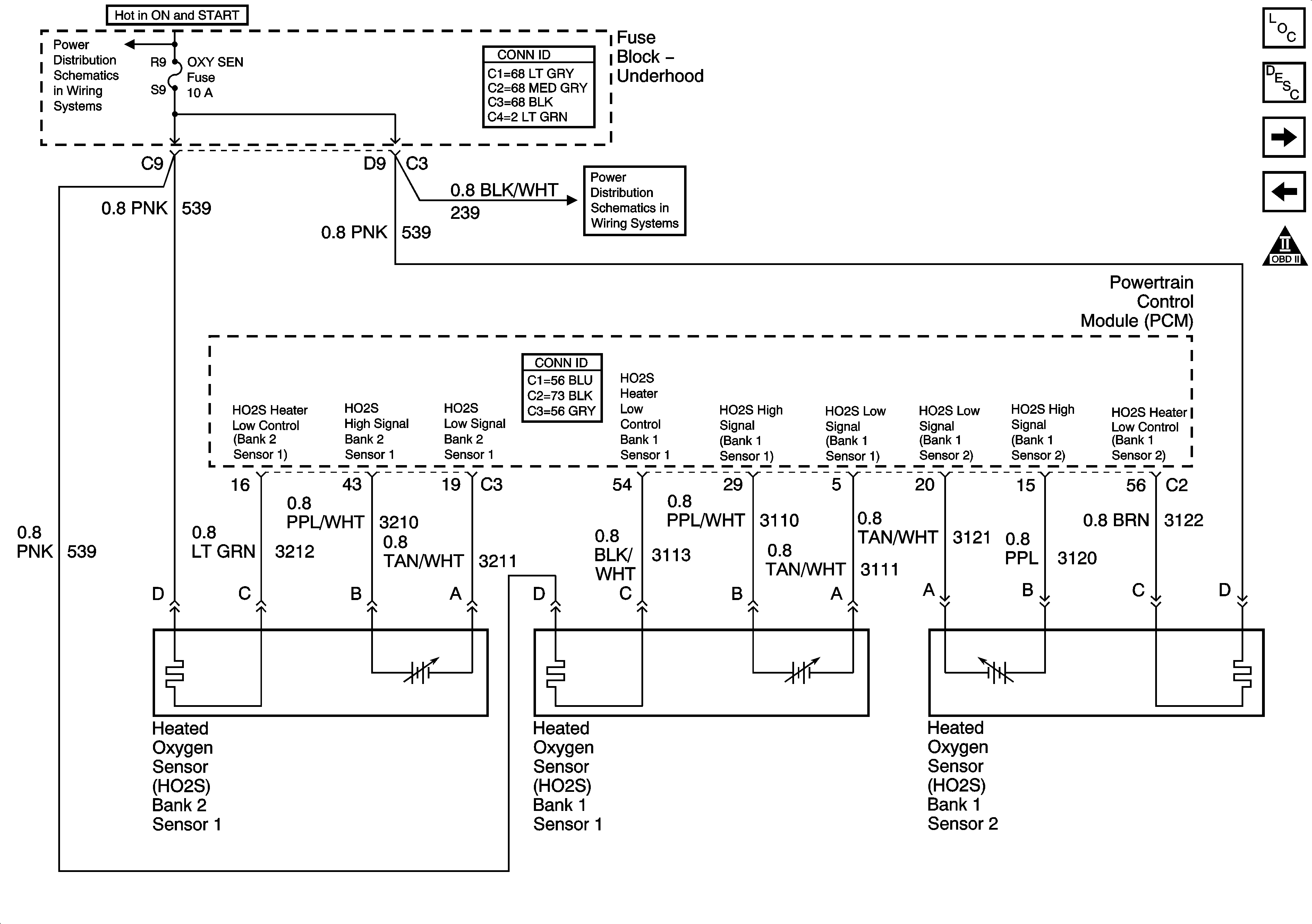
🢒 HO2S Sensors
HO2S Sensors
HO2S Sensors
Master Electrical Component List
Fuel System Description
Ignition Controls- Ignition Coil/Modules 1, 3, 5, and 7
MAF, VSS, Stop Lamp Switch
OBD II Symbol Description Notice
Underhood Fuse Block- OXY SEN, CR CONT, MDL COIL, TRANS Fuses