GM Service Manual Online
For 1990-2009 cars only
Makes
🢒
Cadillac
🢒
2005
🢒
DeVille
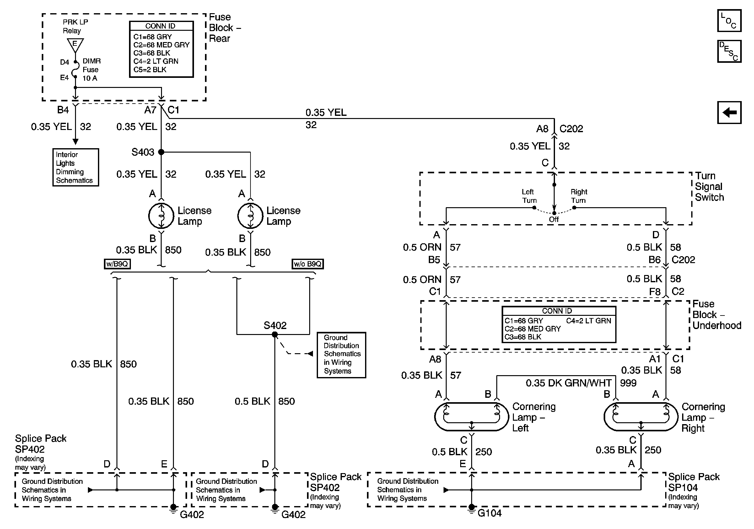
🢒 License and Cornering Lamps
License and Cornering Lamps
License and Cornering Lamps
Master Electrical Component List
Exterior Lighting Systems Description and Operation
Backup Lamps Schematics
Outside Rearview Mirror Turn Signals
G104
G402 (1 of 2)
G402 (1 of 2)
G402 (2 of 2)
Dimming Control
Headlamp Switch and Park Lamp Relay