GM Service Manual Online
For 1990-2009 cars only
Makes
🢒
Cadillac
🢒
2005
🢒
DeVille
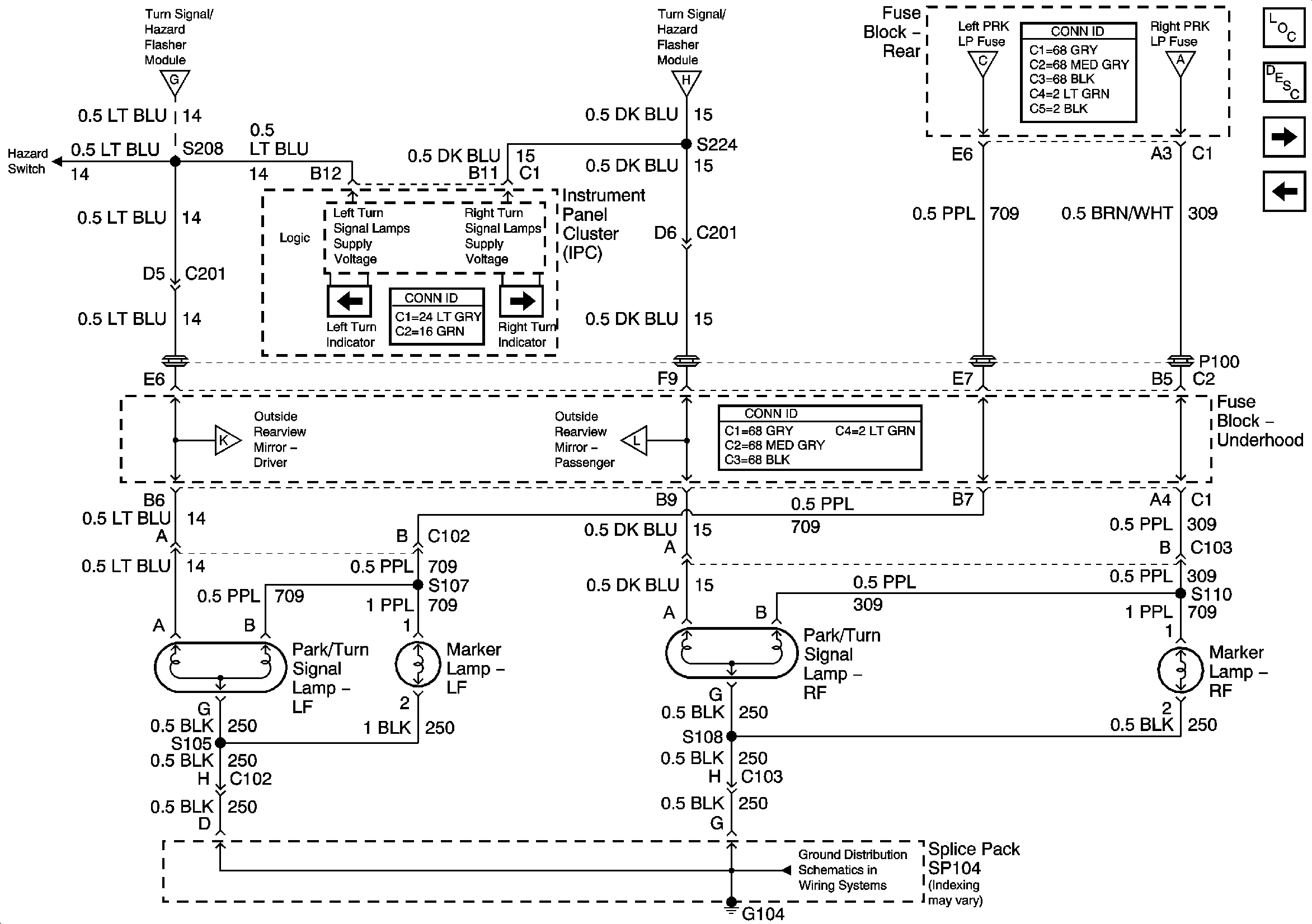
🢒 Front Park/Turn and Side Marker Lamps
Front Park/Turn and Side Marker Lamps
Front Park/Turn and Side Marker Lamps
Master Electrical Component List
Exterior Lighting Systems Description and Operation
Outside Rearview Mirror Turn Signals
Left Tail Lamp
Front Park/Turn and Side Marker Lamps
Turn Signal/Hazard Flasher Module and Hazard Switch
Turn Signal/Hazard Flasher Module and Hazard Switch
Outside Rearview Mirror Turn Signals
Outside Rearview Mirror Turn Signals
Headlamp Switch and Park Lamp Relay
Headlamp Switch and Park Lamp Relay